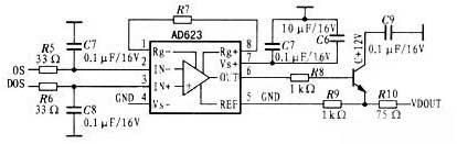
AD623集成了3路运放.可单电源或双电源工作,具有较高的CMRR和极低的电压漂移,除了一个控制可编程增益的外接电阻外,所有元件都集成在内部,提高了电路温度稳定度和可靠性。应用AD623的CCD模拟信号处理电路如图。将视频信号及其补偿输出分别送至AD623的反相和同相输入端.在 AD623的输出端接一级射极跟随器以增强信号的驱动能力。选用该器件可消除采用普通运放和外围电阻所引起的输出信号的温度漂移。

。 (本文来源网友上传,如有侵权,可联系管理员删除)
版权声明:网站转载的所有的文章、图片、音频视频文件等资料的版权归版权所有人所有。如果本网所选内容的文章作者及编辑认为其作品不宜公开自由传播,或不应无偿使用,请及时联络我们,采取适当措施,避免给双方造成不必要的经济损失。