某些电子设备和家用电器并不需要使用输入与输出完全隔离的开关电源。例如,直流电机的驱动电源,空调、无霜冰箱和微波炉中的稳压电源 等,照明用LED的驱动电源本身就属于隔离系统,因此可使用非隔离式开关电源供电,但要求这种开关电源的电路简单、成本低、电源转换效率高和可靠性高,使用与维护方便。Linkswitch TN系列产晶提供了7种非隔离的电路连接方式,考虑到对负载器件的安全性及LED需要恒流的供电 模式的特性,本设计选择了第6种接线方式,即正端降压升压式(Buck-Boost)恒流驱动电路。
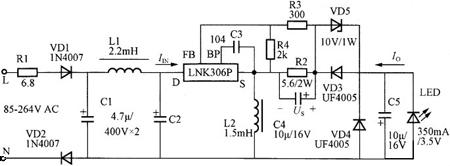
正端降压/升压式(Buck Boost)恒流驱动电路如图所示。

如图电路基本工作原理如下:输入电路由可熔断电阻R1、VD1、VD2、C1、CZ和滤波电感u组成;电源调整电路由LNK3OGP、储能电感L2、VD3、R2 、C4和C5组成。当LNK306导通时,输入电流I,经(LNK306)D→(LNK306)S→L2→C2(—)构成回路,将输入电流IIN储存在电感L2中(电 感电流按UI/LI,线性增加),极性为上正下负;当LNK306截止时,因电感电流不能突变(电感电流按UI/L1线性减小),极性为下正上负;L2 中储存的能量经L2的下端(地)→LED(负载)→VD3→R2→L2的上端构成回路。VD3为整流管;C5是输出滤波电容;R2为限流保护电阻;C4与 R2 并联以消除杂讯干扰;VD4与VD5构成简单的稳压电路。负载电流r。在R2上产生的电压降是Us=IOR2,Us经R3与R4分压,在R4上得到的分压电压 作为反馈电压给LNK306的FB端,FB端正常工作电压是1.65V,可通过调整R3与R4分压比来调整输出电流的大小。LNK306的FB端根据反馈电压的大小来控制内部MOSFET的导通时间,即通过跳过周期的方式来对输出电流进行调节的。当输出电流增加时,Io在R2上产生的电压降也线性增加, 在R4上的分压值也增加,因此流入引脚FB的电流IFB也会增加,若电流IFB>49μA,则随后的周期将被跳过,直到IFB(49μA;反之相反。因此当负载减轻时将跳过许多周期,负载加重时跳过的周期减少。如发生输出过载或短路故障时,Linkswitch-TN开关就进入自动重启动阶段,输出功率降为POM&TImes;6%,从而限制了平均输出功率。
本电路的构成非常简单,包括LNK306在内仅有17个元件,主要元器件的选择原则是:L2是储能电感,采用带铁氧体磁芯的电感,以便降低成本和减小音频噪声,为使电感电流工作在CCM模式,电感量选为1.5mH。续流二极管VD3:本设计采用连续模式工作,要求trr≤35ns,UF4005属于超快恢复二极管,其trr=30ns,能满足工作模式的要求。反馈电阻R3和偏置电阻R4:由R3和R4构成的电阻分压器应使引脚BB的电压保持在1.65V,此电阻的精度直接影响到反馈电压的高低,进而影响到恒流值,因此选±1%精度的电阻。
。 (本文来源网友上传,如有侵权,可联系管理员删除)
版权声明:网站转载的所有的文章、图片、音频视频文件等资料的版权归版权所有人所有。如果本网所选内容的文章作者及编辑认为其作品不宜公开自由传播,或不应无偿使用,请及时联络我们,采取适当措施,避免给双方造成不必要的经济损失。