• 周一. 10 月 20th, 2025

936型恒温电烙铁电子电路设计图 – 消费类电子电路图

7 月 2, 2019

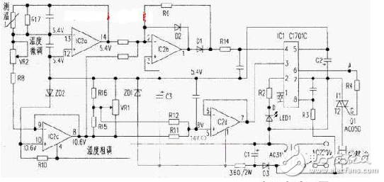
  936 烙铁是一种可恒温、低电压、长寿命烙铁,具有可靠接地线,并与市电隔离,在修理各种含有贴片元件和集成电路的印制电路板时非常方便。

  其控制电路由两部分组成,一路以IC2-3(运放)、VR、IC2-2(运放)组 成的可调基准电压电路;另一路以与加热丝L2(图中的Heater)绕在一起的温度传感电阻 丝RT、IC2-4、IC2-1 组成的温控电路。这两部分控制信号.分别输入至ICl(C1701C)③脚和 ④脚,经比较处理后从⑥脚输出触发控制双向可控硅Q1 的导通角,以调节L2(加热丝) 的加热功率来调温/恒温。

  附:IC1(C1701C)引脚功能描述,IC2 是一个普通的四运放

  1—基准电压输出(3.7-4.2V);2—比较放大器的输出端;3—比较放大器的反相输入端;4— 比较放大器的同向输入端; 5—电源(-8V)输入端; 6—脉冲输出端;7—GND;8—同步 信号输入端,工作电流40mA,同步信号电流5mA(RMS)。

  

。 (本文来源网友上传,如有侵权,可联系管理员删除)

版权声明:网站转载的所有的文章、图片、音频视频文件等资料的版权归版权所有人所有。如果本网所选内容的文章作者及编辑认为其作品不宜公开自由传播,或不应无偿使用,请及时联络我们,采取适当措施,避免给双方造成不必要的经济损失。