介绍了BYG通用系列二相步进电机最常采用的的单极性和双极性2种驱动电路的设计方案,从原理上体现了二相步进电机的控制方法,增加了步进电机驱动电路设计的灵活性。二相步进电机的单极性和双极性2种驱动电路设计都采用了一片可在线编程的单片机AT89S52作为控制器,由达林顿功率管TIP142组成的电路作为驱动器,电路结构简单,设计思路清晰。同时,比较分析了单极性和双极性这2种常用驱动电路设计方案的特点、区别及在应用中的选择方法。
单极性驱动电路图

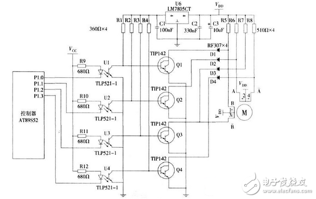
双极性驱动电路图

。 (本文来源网友上传,如有侵权,可联系管理员删除)
版权声明:网站转载的所有的文章、图片、音频视频文件等资料的版权归版权所有人所有。如果本网所选内容的文章作者及编辑认为其作品不宜公开自由传播,或不应无偿使用,请及时联络我们,采取适当措施,避免给双方造成不必要的经济损失。