随着社会经济的发展和人们生活水平的提高,手机因其实用性和功能的多样性,成为了人们生活中的必需品。而随之而来的是手机盗窃带给人的困扰,不但使人们的经济财产受到损失,而且人们的个人隐私得不到保护。所以,手机防盗也成为了人们较为关注的事情。
手机防盗报警的设计与实现,该电路主要包括报警信号的产生、处理以及输出等三个方面具体实现电路,分析可知,搞电路具有较好的报警防盗效果,适合各种品牌的手机防盗设计,具有较强的实用性。 另外,该系统具有很强的可调节性,较为方便。
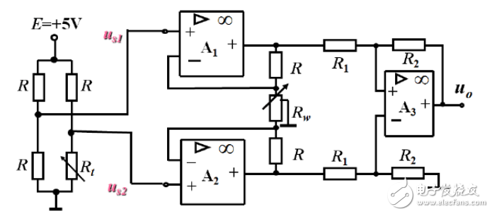
电路组成: (1)信号采集电路。主要由一个压敏传感器(压敏电阻),和三个通用电阻组成压敏传感电桥。该电桥由手机内置电池供电,电量消耗小。
(2)处理电路。处理电路由三级放大电路组成。
(3)输出电路。由一个输出端和并联报警器组成。

工作原理:实现电路对压力的感应。其功能的实现主要利用压敏传感器接受手机收到的压力,当压敏传感器受到压力刺激时,则电桥的平衡就会被打破。便会产生一个微弱的电压Ui。把该微弱电压输入到处理电路,即三级放大电路中,Ui通过A1,A2两个运放之后,把微弱电压经过处理,传送到运放A3德的同相输入端和反相输入端。通过Rw可以调节A3同相和反相输入端的电势差,从而改变放大电压。即可通过Rw对输出进行调节。经过A3运算放大器的放大器作用。在输出端产生一个大的电压,该电压可对报警器进行供电,使报警器报警。产生的大电压对人体也会产生刺激作用。从而产生防盗效果。
各个元器件的功能:压敏传感器和三个R电阻:组成平衡电桥。压敏传感器用以接受外界压力;电阻器具有分压和限流的功能。继承运算放大电路:用以放大微弱信号.
。 (本文来源网友上传,如有侵权,可联系管理员删除)
版权声明:网站转载的所有的文章、图片、音频视频文件等资料的版权归版权所有人所有。如果本网所选内容的文章作者及编辑认为其作品不宜公开自由传播,或不应无偿使用,请及时联络我们,采取适当措施,避免给双方造成不必要的经济损失。