• 周一. 10 月 20th, 2025

穿戴式医疗监测智能系统与蓝牙模块电路图 – 信号处理电子电路图

5 月 21, 2019

  监测传感器

  在输出端输出经过放大和整形的电信号,这样就直接将传感器的输出端接入ADμC7024内部集成的12位ADC进行模数转换。再经过软件处理得到血压值。该传感器采用离子注入工艺,内部集成了放大器,滤波器等信号处理单元电路,外部只需要很少的元件即可工作。考虑到本系统可穿戴式的特点,在传感器的选型方面,尽量选用集成化,灵敏度和精度高的产品,这样既能减少系统电路的面积,便于穿戴,又能提高系统的稳定性和可靠性。

穿戴式医疗监测智能系统与蓝牙模块电路图

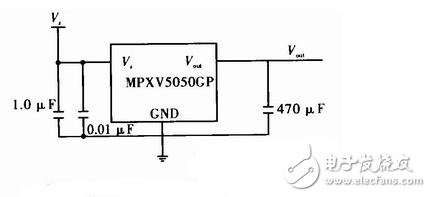
  血压采集模块采用MPXV5050GP压电传感器,将其置于衣袖中部肘关节内侧,这样可以直接将动脉血液对血管壁的压力转换为输出电信号,具体电路如图所示。

  蓝牙模块

  本系统采用蓝牙模块实现与内嵌蓝牙功能的外部设备的数据交换。为减小系统体积、减轻系统质量和降低功耗,本蓝牙模块采用Class-2设计方案,USB输出,传输距离为10 m,支持蓝牙2.0版本协议能够满足系统的需求。蓝牙芯片采用CSR公司的BC417413,芯片内部集成了8 MB闪存,主要存放的是基带、链路管理层和主机控制接口的软件,还包括一些API,用于对芯片进行配置。前端射频带通滤波器选用MDR771F-CSR- T,巴伦采用TDK公司的HHM-1517完成系统的差分射频信号和天线输入输出信号之间的转换。具体设计方案原理图如图5所示。

穿戴式医疗监测智能系统与蓝牙模块电路图

。 (本文来源网友上传,如有侵权,可联系管理员删除)

版权声明:网站转载的所有的文章、图片、音频视频文件等资料的版权归版权所有人所有。如果本网所选内容的文章作者及编辑认为其作品不宜公开自由传播,或不应无偿使用,请及时联络我们,采取适当措施,避免给双方造成不必要的经济损失。