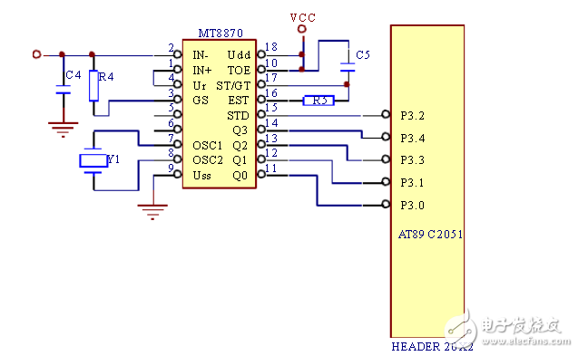
电路工作原理:DTMF解码,接收电路使用DTMF解码集成电路MT8870。当电路接口中的JKa和JKb闭合时,由发送端送来的DTMF信号进入MT8870的“IN-”端,经过DTMF解码,得到4位二进制码从Q3-Q0输出,同时由STD端给出一个正脉冲,该正脉冲的出现表明Q3–Q0已经准备就绪,就可以被读取了。DTMF双音多频信号是目前在按键电话(固定电话,移动电话),程控交换机及无线通信设备中广泛应用的一种信号。它是一组由高频信号与低频信号叠加而成的组合信号。MT8870信号接收器可把DTMF信号变为单片机可以识别的二进制数字信号,来识别每一个按键。MT8870与AT89C2051单片机的接口电路如图所示。输入的DTMF信号经MT8870解调后,在STD端产生一个控制输出信号,该信号与单片机AT89C2051的外部接口P3.2相连。然后P3.2等待DTMF解码器STD端正脉冲的到来,一旦识别到STD端的正脉冲,P3.0-P3.4即读入DTMF解码器的输出的二进制码信息,这个信息就是遥控命令,AT89C2051能对其进行判别—究竟是密码还是控制某路开,关的命令,或是挂机命令。此部分是整个系统的关键,它的工作情况直接决定了系统的可靠性。使用电话专用的双音频编解码芯片进行输入双音频信号的解码,是比较常用的一种方法。使用集成电路不但外围电路简单,而且可靠性强。经过专用集成电路的解码,信号转换成为不同的码制信号,可以直接被单片机读取。一般常用的电话双音频编解码集成电路有8870、8880、8888等,经过反复论证比较,使用双音频解码集成片MT8870来完成此功能模块。

。 (本文来源网友上传,如有侵权,可联系管理员删除)
版权声明:网站转载的所有的文章、图片、音频视频文件等资料的版权归版权所有人所有。如果本网所选内容的文章作者及编辑认为其作品不宜公开自由传播,或不应无偿使用,请及时联络我们,采取适当措施,避免给双方造成不必要的经济损失。