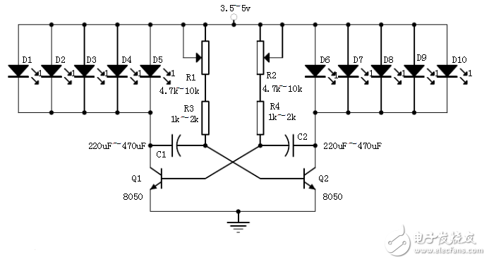
电路原理:每个8050三极管可以驱动十二个到二十四个发光二极管。如果Q1、Q2改成9013,则驱动的发光二极管数量减半。只有相同发光电压(不同颜色的发光电压一般不同)的发光二极管才可以并联使用。可以将发光二极管接成需要的图案,表达设计者的意图。彩灯闪烁的周期是:T=0.7&TImes;(R1+R3)&TImes;C2+0.7&TImes;(R2+R4)&TImes;C1 根据闪烁快慢要求选择R1,R2,R3,R4,C1,C2的参数。调节电位器R1、R2的大小,可以改变闪烁速度。电压过高会烧坏发光二极管。工作电压从3v开始调大,当提供的电源电压高于5v后应当串入一个2.2~27欧姆的电阻作为限流电阻,以免烧坏发光二极管。

。 (本文来源网友上传,如有侵权,可联系管理员删除)
版权声明:网站转载的所有的文章、图片、音频视频文件等资料的版权归版权所有人所有。如果本网所选内容的文章作者及编辑认为其作品不宜公开自由传播,或不应无偿使用,请及时联络我们,采取适当措施,避免给双方造成不必要的经济损失。