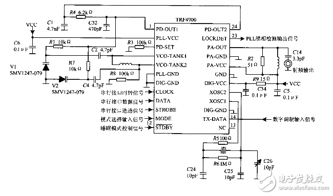
无线数字发射电路采用无线发射芯片TRF4900。TRF4900是TI公司生产的、单片集成的、低价格的、能提供完全功能的多通道FSK发射器。芯片能满足在欧洲868 MHz频带和北美915 MHz ISM频带的线性(FM)或者数字(FSK)发射应用。单片发射器芯片工作电压2.2~3.6 V,典型发射功率为7 dBm,并具有低的功率消耗。24位直接数字合成器有11位DAC,合成器有大约230 Hz的通道空间,允许窄带和宽带应用。两个完全可编程工作模式–模式0和模式1,允许非常快地在两个预先编程的设置之间转换(例如发射频率0或者发射频率1)。芯片内集成压控振荡器(VCO)、锁相环(PLL)和基准振荡器,仅需要极少的外部元件即可构成一个完整的发射电路。TRF4900通过串行接口连接到TI MSP430微控制器。发射器的每一个功能块能够通过串行接口编程设置其功能。

TRF4900通过串行接口连接到TI的MSP430微控制器,如图所示。

电路原理:TRF4900的引脚23(LOCKDET), PLL锁相检测输出,有效为高电平。当LOCKDET = 1时,PLL锁定。引脚11(MODE),模式选择输入,器件在模式0和模式1的功能能够通过串行控制接口的A、B、C、D字编程。引脚12,睡眠控制,低电平有效。控制寄存器的内容仍然有效,能够通过串行控制接口编程。引脚14 (TX-DATA),数字调制输入,为载波的FSK/FM调制,高电平有效 。串行控制接口是一个3线单向串行总线(CLOCK 串行接口时钟信号,DATA 串行接口数据信号,STROBE 串行接口选通信号),用来编程TRF4900。接口内部的寄存器包含所有用户可编程变量,包括DDS频率设置,也包括所有的控制寄存器。串行接口的时序如图所示。在CLOCK信号的每一个上升沿,DATA引脚端上的逻辑值被写入24位的移位寄存器。设置STROBE端为高电平,编程的信息被装入选择的锁存器。当STROBE信号为高时,DATA和CLOCK线必须为低。因此,STROBE与CLOCK的信号是不同步的。串行接口能被编程工作在有效状态或者睡眠状态(待机模式)。
由TRF4900和MSP430组成的无线数字发射电路可方便地嵌入各种测量和控制系统中;在仪器仪表数据采集系统、无线抄表系统、无线数据通信系统、计算机遥测遥控系统等中应用。主要特点有无线数字发射电路发射功率低,电路电压稳定读强,串口通信参数容易设置,工作频带宽度适合,通过FSK调制能很便捷实现信号的传送。
。 (本文来源网友上传,如有侵权,可联系管理员删除)
版权声明:网站转载的所有的文章、图片、音频视频文件等资料的版权归版权所有人所有。如果本网所选内容的文章作者及编辑认为其作品不宜公开自由传播,或不应无偿使用,请及时联络我们,采取适当措施,避免给双方造成不必要的经济损失。