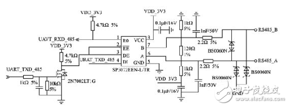
电路原理:图所示为硬件控制RS485的电路图。电路中使用2N7002LT1G MOS场效晶体管把UART_TXD_485这个MCU输出的RS485发送信号逻辑取反后送给RS485芯片的RE/DE PIN脚。控制的原理是,当UART_TXD_485输出低电平时RS485芯片的DE使能;输出高电平时RE使能。默认情况下UART_TXD_485 是高电平,RS485芯片处于接收状态。发送数据时,UART_TXD_485上面有高低电平信号变化,低电平信号通过RS485芯片 SP3072EENL/TR直接输出,高电平信号通过外部上下拉电阻来控制。

这种方法的优点是控制简单,软件不需要做额外的工作,控制RS485像控制RS232一样。但是这种方法的缺点是驱动能力可能不足,由于这种控制方法没有完全发挥出RS485驱动芯片自身的驱动能力,输出信号依赖于外部上下拉电阻,因此在复杂环境下,譬如很多负载需要控制时,就会存在驱动能力不足的问题。但是在一些简单的环境或者软件实现较复杂的平台下,使用这种方法还是切实可行的。
。 (本文来源网友上传,如有侵权,可联系管理员删除)
版权声明:网站转载的所有的文章、图片、音频视频文件等资料的版权归版权所有人所有。如果本网所选内容的文章作者及编辑认为其作品不宜公开自由传播,或不应无偿使用,请及时联络我们,采取适当措施,避免给双方造成不必要的经济损失。