一套完整的无线充电系统包括TX 端和RX 端两部分,无线充电的结构类似于一个空心变压器,能量传输通过线圈耦合的方式来实现。通常发射线圈及其驱动电路被安装在一个充电板内,接收线圈及其驱动电路则被嵌入到需充电的设备中,如智能手机等。能量传输的效率与线圈之间的距离、线圈对齐的程度、线圈方向、线圈材质、磁场屏蔽、阻抗匹配、发射频率及占空比等因素有关。其中,线圈之间的距离及对齐程度对传输效率有极大的影响。
电路原理:采用3 个发射线圈阵列来扩展充电区域,以便获得更好的充电效率及体验。BQ500410A 以400 ms 的时间间隔依次使能3 个发射线圈,同时使能相应的COMM 反馈信号通路的模拟开关。BQ500410A 会寻找最强的COMM 反馈信号,然后驱动相应的发射线圈工作,以获得最好的线圈匹配。因此,在同一时刻只有一个发射线圈是工作的,其他两个发射线圈则处于待机状态。为了减少电磁辐射,该无线充电系统还在收发两端线圈的背部各增加了一块铁氧体隔磁片,使得能量传输的区域被限制在了两块隔磁片之间,避免了无线充电系统工作时产生的辐射对智能手机或其它设备带来干扰。

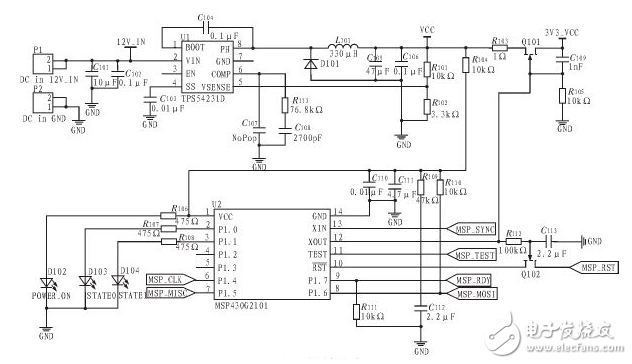
通过增加TI的MSP430低功耗MCU配合 BQ500410A来实现系统的低功耗。为了实现低功耗,一种最直接的方法是无负载时直接关断电源使BQ50041A 完全关机。但是这样做的话,包括充电状态、错误状态、操作模式及驱动引脚状态信息等将会完全丢失。增加MSP430 后,BQ500410A 可以周期性的关机来节节省功耗,其唤醒信号由MSP430 来提供。同时,各种状态信息也由MSP430 来保存,LED 状态指示灯也由原先的BQ500410A 驱动变为由MSP430 来驱动。如此一来,虽然系统的复杂度及成本提高了, 但是待机功耗由原先的300 mW 降低到90 mW 左右。
提出的无线充电系统解决了传统的单线圈方案充电区域小的问题,极大的提升了用户体验。因此,本文的方案具有更高的市场价值。此外,本文增加的低功耗电路能够将待机功耗从300 mW 降到90 mW,能够更好的满足一些低功耗设备的需求。
。 (本文来源网友上传,如有侵权,可联系管理员删除)
版权声明:网站转载的所有的文章、图片、音频视频文件等资料的版权归版权所有人所有。如果本网所选内容的文章作者及编辑认为其作品不宜公开自由传播,或不应无偿使用,请及时联络我们,采取适当措施,避免给双方造成不必要的经济损失。