• 周一. 10 月 20th, 2025

基于MC9S08QG8低端微控制器的蓝牙无线控制电路设计 – 信号处理电子电路图

5 月 5, 2019

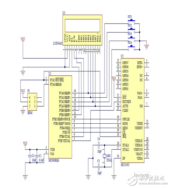
  常的ZigBee无线控制器节点是以一个高端微控制器为核心,再配合无线收发器构成的。本文将设计一个新型的、低成本的、使用ZigBee无线技术的精简型无线控制器,比如用于空调遥控,整个目标应用板上的元器件极少,走线极少,体积极小。该设计只采用三个电子芯片:一个低端微控制器(MC9S08QG8)、一个RF收发器(MC13192)和一个16&TImes;2的LCD,其他需要的元器件为电阻和按键之类的无源器件。

  其中MC9S08QG8微控制器(MCU)的大部分管脚具有多重功能,电路设计中,即以MC9S08QG8为核心,实现各种控制。图2无线控制器应用原理图分为三部分:MC9S08QG8 MCU所需的基本连接;MCl 3192无线收发器的连接;16&TImes;2 LCD和4个按键的连接。

基于MC9S08QG8低端微控制器的蓝牙无线控制电路设计

  电路原理:各部分的供电电源为低电压3 V,可用两节7号电池供电。MCU的时钟电路无需外接晶振,直接使用MCU内部自带的时钟;MCU的RST和BKGD引脚用于BDM接口的连接,完成程序下载后可另作它用,比如MCl3192的中断信号IRO就接至PTA3/RST/IRQ复用;图2中MCl3192收发器其他外围电路使用数据手册提供的工作所需的最低硬件要求。MCU与MCl3192的连接按照标准SPI方式连接,MCU为主机,MCl3192为从机,通过 MOSI,MISO,SPSCK信号线可以配置收发器,并发送和接收数据。同时也可以通过SPI配置收发器提供的定时器和GPIO引脚,将其用于其他的目的。收发器的片选CE信号由MCU的通用I/O口PTB5进行选通。收发器要切换运行模式(接收、发送、半休眠、休眠或空闲)还需要另外一个信号,该信号称为RXTXEN,由MCU的通用I/O口PTB7进行处理。MCU与MCl3192之间的数据传输模式可采用流模式,每次收发一个字(16 b),都通过中断由MCU控制处理,这样可以最大限度地保证了数据传输的实时性。16&TImes;2 LCD的RS,R/W,E信号由MCU通用I/O口PTB的三个引脚进行控制,实际上可以将R/W直接接低电平,或者软件控制使始终为低点平,因为应用时只需对LCD做命令、数据写入;数据线采用LCD的4线访问形式,即只用DB4~DB7,由MCU的PTA0~PTA3提供;背光电源BKL+,BKL- 不接,以减少功耗。4个按键也接在MCU的PTA0~PTA3,与LCD数据线复用,按键的上拉电阻使用MCU内部配置的,无需外接上拉以减省元件。同时当等待处理按键时,MCU将按键输入直接配置成按键输入中断,也减少了硬件连接和软件复杂度,按键发生时MCU自动转去读取按键输入及按键处理,当要进行 LCD显示时,MCU又将复用线临时配置成数据输出,配合LCD控制信号完成LCD的内容显示。MCU的8 KB FLASH和512 B的存储器资源对于一般的无线控制是足够的,另外,设计中还会用到MCU的定时器资源,通过定时比较器生成一般无线控制应用中都需要的定时时间,通过软件编程可以方便地实现。

  本文仅使用了一个Freescale MC9S08QG8低端微控制器,再加上很少的一些连接线和硬件资源,已经具有无线通信能力和人机交互功能。这说明ZigBee无线应用并不一定总是需要高性能的微控制器,低端微控制器也能够完成无线网络要求的一些基本任务,从而降低了整个解决方案的成本。同时,本文实现的无线控制器具有功耗低、元器件少、成本低、性能高而功能全的特点,是嵌入式无线控制应用的一种精简解决方案。

。 (本文来源网友上传,如有侵权,可联系管理员删除)

版权声明:网站转载的所有的文章、图片、音频视频文件等资料的版权归版权所有人所有。如果本网所选内容的文章作者及编辑认为其作品不宜公开自由传播,或不应无偿使用,请及时联络我们,采取适当措施,避免给双方造成不必要的经济损失。