该系统以凌阳公司的16位单片机SPCE061A作为主控制器,通过烟雾传感器与人体热释电红外传感器分别感应烟雾与人体红外信号,通过单片机做出报警动作。采用两片凌阳单片机作为从站,达到异地网络监控的目的。采用双光电开关的设计,感应人员的进出情况。采用射频信号发射与接收装置,感应贵重物品的进出。测试结果表明,系统工作良好,几天内的人员与贵重物品进出情况均有记录。该设计主要创新点是采用单片机进行控制,可以实现网络监控。
烟雾探测电路模块
采用MQ-2烟雾传感器,它具有探测范围广,灵敏度高,响应恢复快,稳定性优,寿命长等优点,配以简单的驱动电路即可实现烟雾检测。烟雾传感器电路如图2所示。当未检测到烟雾信号时,比较器输出低电平;当传感器检测到烟雾信号时,比较器输出5V高电平,报警器动作。

图2 烟雾传感器结构图
人体红外探测电路模块
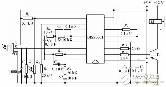
采用芯片BISS0001配以热释电红外传感器KBS-6B和少量外接元器件构成被动式红外人体传感器。加装菲涅尔透镜大大提高了检测范围,很好的满足了人体检测需求。当有人从热释电传感器通过时,BISS0001的Vo口输出一正向脉冲,报警器动作。电路结构如图3所示。

图3 热释电红外传感器结构
人员进出检测电路模块
采用前后放置的两个红外光电开关,通过对开关顺序的检测确定人员进/出宿舍。当有人出宿舍时控制信号1先置高,然后控制信号2置高,通过对时序的判断即可得出人员外出的结论。有人进入时同理。检测电路如图4所示。

图4 人员进出检测电路图
贵重物品检测电路模块
为达到贵重物品检测的要求,将一单调谐回路谐振放大器至于卡片内,卡片挂在贵重物品上,卡片向外发出射频信号,当其出入宿舍时,与副边线圈发生谐振,负载电压发生变化,通过对负载的检测即可记录人员进出情况。电路如图5所示。

图5 贵重物品检测电路图
实现对宿舍安防情况进行异地监控,采用一主两从的方式进行模拟,其中主站可以实现对从站的搜索,实时显示从站是否在线,并进行信息的接收处理、显示、记录与报警,从站进行信息获取与发送。主站上可实现对从站信息的实时显示,并将报警及贵重物品进出信息存储在主站的FLASH 内,省去了外接存储芯片,可方便地读取与显示。利用人体传感器并通过对进出宿舍的人员进行计数来确定宿舍内人数,并提示锁门。采用单片机内部时钟作为时间基准,通过键盘进行时间设定,用以记录报警时间。利用单片机内部的语音模块实现语音报警,直观实用。这种控制方案充分利用了单片机的片内资源,使用外部器件少,简单实用。
。 (本文来源网友上传,如有侵权,可联系管理员删除)
版权声明:网站转载的所有的文章、图片、音频视频文件等资料的版权归版权所有人所有。如果本网所选内容的文章作者及编辑认为其作品不宜公开自由传播,或不应无偿使用,请及时联络我们,采取适当措施,避免给双方造成不必要的经济损失。