随着移动设备向多核、大屏、超薄发展的趋势,移动设备电量的消耗在不断加快,用户希望移动设备的充电速度更快,发热量小,以及可以随时随地的为移动设备充电。显然,快速充电以及无线充电技术是此问题的理想解决方案。
德州仪器(TI)宣布推出新型锂离子电池充电器集成电路(IC) ——与其它充电器解决方案相比,其可将智能手机及平板电脑充电时间缩短一半。该bq2419x系列额定4.5A输出、20V输入开关模式充电器具有I2C 接口并提供USB移动(OTG) 支持,可为移动电源及电源组, 4G LTE路由器、Wi-Fi扬声器、便携式医疗以及工业设计等各种应用实现更快、更低温度的充电。

消费者希望便携式电子产品的电池充电速度不断提升。新设计需要更高精度、更高效率的充电电路来确保系统在以更快速度充电的同时,在低温下安全工作。TI最新bq24190、bq24192、 bq24192i、bq24193、bq24195、bq24195L以及bq24196快速充电电路不但可通过电池路径阻抗补偿缩短充电时间,还可提供可编程热管理功能确保系统工作最安全可靠。机电池经数月充放电后出现持续工作时间不长的情况,令手机用户倍感困扰。

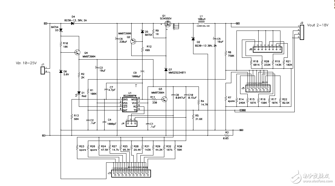
下载:可编程多化合物快速充电电路设计
电路原理:该参考设计是可编程的单片IC 解决方案,适用于单化学物或多化学物应用中对镍镉 (NiCd)、镍氢 (NiMH) 或锂离子 (Li-Ion) 电池的快速充电管理。其会选用合适的电池化学物(镍或锂),并使用最佳的充电和终止算法执行操作。该过程消除了不良充电、充电不足或过度充电的情况,并确保快速充电的精确度和安全终止。
电路特性
串联电池数:1S 至 25S
最大输入电压:25V
最大充电电流:1A
拓扑结构:开关模式
电池容量整体在增加,所以要用更大的电流充电才能达到和以前一样的充电速率,但这会缩短电池的使用寿命。德州仪器电池电源管理方案市场开发经理俞明介绍说,TI把电量计和充电IC结合起来,用电量计来控制充电IC,通过阻抗跟踪技术获取电池老化程度、内部的一些温度和各种满充状况。在这个基础上对充电IC进行一些控制,能够最优化设置充电电压和充电电流。
充电电流超出了电池所能承受的最优化、最安全的充电范围时,会造成一些电池内部的锂沉淀,在电极和隔离膜上,这种锂沉淀不可逆转,体现在电池内阻可以看到电池内阻急剧增加,意味着我们用同样的电流充电时电压很快达到满充电压,但放电的时候又会很快的放光,本来我需要8小时续航时间的电池,但经过大电流充电老化以后,可能用户在两三个小时电池又没电了,续航时间受到很多影响。现阶段的无线充电是二维自由度,不是在三维范围进行充电;充电标准限制的最大的功率为5瓦特;充电是一对一配对而且只支持单向通信。未来,无线充电技术功率上不局限在5瓦特,15瓦的标准出来后,手机应用可以延伸至平板甚至超级本应用;通过松耦合技术可实现一对多配对,为更多的设备同时供电;发射端与接收端还可以实现双向通信。
。 (本文来源网友上传,如有侵权,可联系管理员删除)
版权声明:网站转载的所有的文章、图片、音频视频文件等资料的版权归版权所有人所有。如果本网所选内容的文章作者及编辑认为其作品不宜公开自由传播,或不应无偿使用,请及时联络我们,采取适当措施,避免给双方造成不必要的经济损失。