基于海上溢油回收的特殊环境,该文设计了一种基于AT89S51单片机的海上液位测量系统。该系统采用分段电容检测的原理,以实现油水双液位的检测。合理搭建了微小电容测量的硬件电路。系统可以准确无误地应用于海上油位的测量。
方波产生电路

图4 方波产生电路
由NE555构成的多谐振荡器是二极管交流电桥测量的方波信号源,其具体电路如图4所示。频率计算如式(4)、式(5)和式(6)所示。
(4)
(5)
(6)
令
,
,
,则:
。因此,NE555可以为电容检测电路提供电压幅值为5V、频率为500kHz的方波信号源。
双T二极管交流电桥电容测量电路
电容传感器将液位高度转化为电容量,再通过电容测量电路将其转化成与其成线性函数关系的电压、电流或频率信号。由于电容只有几个PF,所以采用双T二极管交流电桥微电容检测电路将电容的变化量转化成电压输出。测量原理如图5所示。

图5 二极管T型网络
在图5中:e为高频电源,D1、D2为特性完全相同的两个二极管。
精密放大电路
将0~0.5mV电压转换成0~5V,以进行A/D转换。采用OP07构成两级集成运算放大电路,第一级放大倍数为20,第二级放大倍数为50,其电路构成如图6所示。

图6 精密放大电路
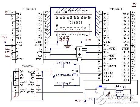
单片机与A/D接口电路
传感器和单片机之间需要A/D转换器将输入的模拟电压信号转换成二进制数字信号。本文采用逐次比较A/D转换器ADC0809。与单片机具体的接口电路如图7所示。

图7 ADC0809与单片机接口电路
在图7中,单片机通过P1.0,P1.1,P1.2口控制ADC0809的地址选择端口A、B、C。单片机ALE端口输出2MHz时钟频率信号,经过74LS74四分频电路产生ADC0809所需要的500kHz时钟信号。P3.4作为片选信号,当它为低电平时,打开或非门,允许写信号通过,选中ADC0809的某一通道进行A/D转换。转换结束标志位通过非门触发外部中断0,读取转换数据。
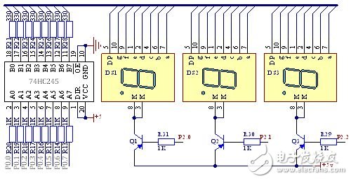
数码管显示电路
采用三位LED数码管作为液位数据的显示。74HC245为显示驱动芯片,其输入接P0口,输出接数码管八个管脚。三段数码管分别由P2.0、P2.1、P2.2控制。AT89S51单片机与数码管的显示电路如图8所示。

图8 数码管显示电路
。 (本文来源网友上传,如有侵权,可联系管理员删除)
版权声明:网站转载的所有的文章、图片、音频视频文件等资料的版权归版权所有人所有。如果本网所选内容的文章作者及编辑认为其作品不宜公开自由传播,或不应无偿使用,请及时联络我们,采取适当措施,避免给双方造成不必要的经济损失。