• 周一. 10 月 20th, 2025

基于电力线通信的温度采集系统模块电路设计 – 信号处理电子电路图

4 月 1, 2019

  无论是在日常生活还是在工业生产中,温度都是一个非常重要的指标。所以,对温度数据的采集、测量和传输,一直都是研究的重点。传统的温度采集系统的实现方法包括专门铺设有线通信线路传输温度数据(如采用RS485总线结构)和采用无线通信传输温度数据(如蓝牙,GPRS等)。传统的铺设专有的通信线路的方法设计成本较高、施工麻烦、出现问题时很难排除,已经很难适应高速发展的现代社会的需求。采用无线的方式则具有不用布线、实时性高等优点,但是其设计成本也相应的非常高。而在现代社会中,电力线几乎无处不在,因此,本文提出了一种基于电力线通信的温度采集系统,无需专门铺设通信线路,能够大大降低设计成本。温度检测模块中,STC12LE5A60S2是主控芯片,由电源模块、LCD显示、电力线通信芯片RISE3501、DS18B20温度传感器、RS232等电路构成。

  系统硬件设计

  电源模块

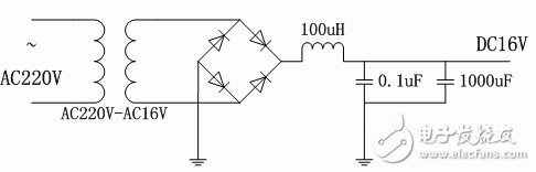
  220V交流电转16V直流电电路

  变压器将220V交流电转换为16V交流电,桥式整流电路将16V交流电转化为直流电,通过电容电感滤波后得到大约16V直流电。这个16V直流将直接给电力线通信芯片的发送电路的功率放大器供电。如图3所示。

  基于电力线通信的温度采集系统模块电路

  图3 220V交流转16V直流

  16V电压转化为5V电压电路

  使用78M05电源芯片将16V直流电转化为5V直流电。这个5V直流电将给DS18B20温度传感器供电。如图4所示。

  基于电力线通信的温度采集系统模块电路

  图4 16V电压转5V电压

  5V电压转3.3V电压电路

  使用AP1117将5V直流电转化为VCC3.3V电压。再通过磁珠F-BEAD分出来VCCA3.3V,VCCA3.3V将给电力线通信芯片的接收电路供电。

  基于电力线通信的温度采集系统模块电路

  图5 5V电压转3.3V电压

  LCD显示模块

  本系统使用6位笔段式LCD EDS826来显示当前温度,采用HT1621B 驱动芯片来驱动EDS826的显示。这里不使用STC12LE5A60S2单片机直接驱动EDS826,这样可以简化系统软硬件设计的复杂度,减轻主控单片机的任务,从而有利用系统的升级与扩展。其电路结构如图6所示。

  基于电力线通信的温度采集系统模块电路

  图6 LCD显示电路

  温度检测电路

  本系统的温度传感器使用DS18B20。DS18B20 数字温度计以9 位数字量的形式反映器件的温度值。通过一个单线接口发送或接收信息,因此在主控单片机和DS18B20 之间仅需一条连接线(加上地线)。测温范围-55~+125℃,以0.5℃递增。温度数字量转换时间200ms(典型值)。电路结构如图7所示。

  基于电力线通信的温度采集系统模块电路

  图7 温度检测电路

  本系统采用具有两个串口的STC12LE5A60S2作为系统的主控单片机。其特点是单时钟周期、高速、低功耗、超强抗干扰的新一代8051单片机,指令代码完全兼容传统的8051单片机,但速度快8~12倍。片上集成60K Flash存储器,可用于存储程序和温度数据,非常有利于系统的软件的升级换代。该单片机具有双串口,这是选择这款单片机最主要的原因之一。在系统设计中,使用其中的一个串口和电力线通信芯片进行通信,从而控制电力线通信芯片收发数据。另一个串口则用于下载程序、打印系统调试信息以及和上位机通信(温度检测模块用作主机模块时)等。无需专用下载器,无需专用仿真器,可通过串口直接下载用户程序。从而降低了设计开发的难度,降低了设计成本。

  电力线通信电路

  本系统使用RISE3501实现电力线通信。RISE3501是一款智能型电力载波控制芯片,内部集成电力收发模块,Flash、SRAM以及 8位处理器内核。设计符合EIA-709.1和EIA-709.2标准规范。RISE3501可以通过串口和主控单片机通信。单片机将满足645规约的指令和数据通过串口发送给RISE3501,RISE3501则通过电力线将数据发送出去。当RISE3501从电力线上接收到发给自己的数据时,其将数据收下,并将数据通过串口发送给主控单片机。

。 (本文来源网友上传,如有侵权,可联系管理员删除)

版权声明:网站转载的所有的文章、图片、音频视频文件等资料的版权归版权所有人所有。如果本网所选内容的文章作者及编辑认为其作品不宜公开自由传播,或不应无偿使用,请及时联络我们,采取适当措施,避免给双方造成不必要的经济损失。