本设计采用方波振荡电路产生30KHz 的方波,经过三分频得到10KHz 的方波信号,两信号通过低通滤波器采集基频信号, 再经过移相和放大后得到10KHz 、6V和30KHZ、2V以及30KHz、0.667V 的正弦波信号,并用这些信号合成近似方波和三角波。

移相器电路元件选择电路

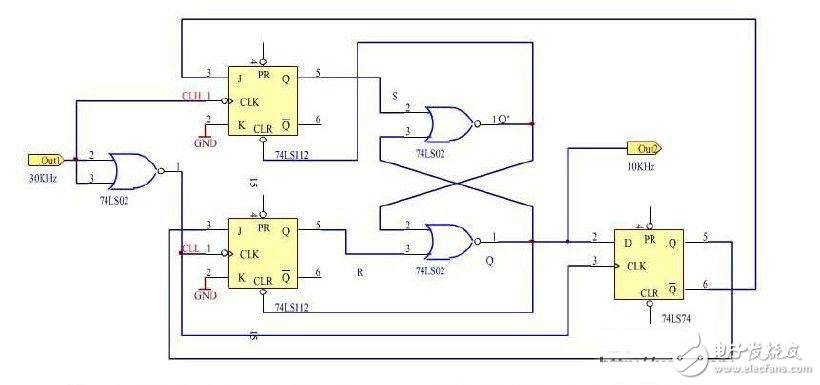
三分频电路

电源电路
。 (本文来源网友上传,如有侵权,可联系管理员删除)
版权声明:网站转载的所有的文章、图片、音频视频文件等资料的版权归版权所有人所有。如果本网所选内容的文章作者及编辑认为其作品不宜公开自由传播,或不应无偿使用,请及时联络我们,采取适当措施,避免给双方造成不必要的经济损失。