考勤系统现在已经成了很多公司必备的设备,但是传统的考勤系统容易出现代替打卡,刷卡的情况。新的指纹考勤机就彻底避免了这种情况的发生,在本文就介绍了以ARM7芯片为核心,设计了一款指纹考勤机的方案。此产品兼具指纹考勤和刷卡考勤两项基本功能。生物识别技术依靠其鉴别的唯一性和可靠性,经过近十年的发展,应用已经越来越广泛和成熟,目前指纹识别技术已趋向民用市场普及,指纹考勤机就是其主要的应用之一。采用功能强大的S33C44B0X处理器设计了一款指纹考勤机,在功能、接口、价格等方面都有着极大的优势。
系统硬件设计
本系统主CPU采用的是三星公司的S3C44B0X处理器,该处理器具有功能多、功耗低、运算速度快、价格低廉等优点。硬件设计主要包括指纹采集、刷卡采集、和电源管理三个部分。存储器采用外接的方式,分别接了64M的HY57V641620HG的SDRAM和16M的39VF1601的flash。语音提示模块采用的是总长为21S录音时间的AP8921A芯片。上位机通讯通过CH341芯片进行异步串口转USB1.1接口,用户对外可以按照正常的USB接口使用,省去了麻烦的串口。系统采用了MAX1508芯片通过USB接口给锂电充电,平时采用电池供电,插上USB接口后即可通过USB接口给系统供电,并给锂电充电。按键总共有三个,一个是系统的开关机按键,另外两个分别是实时时钟设的置按键和方向键。
指纹采集电路模块
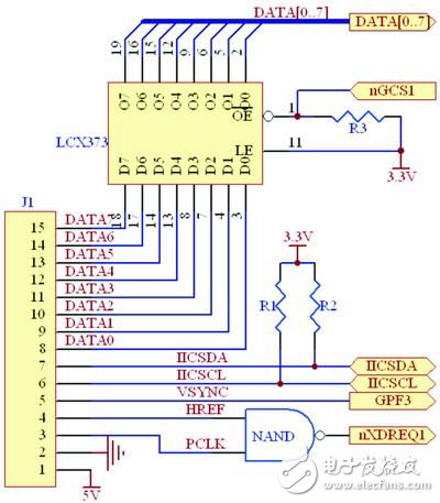
指纹采集传感器采用OV7620,并以I2C总线及DMA的数据传输方式实现与CPU的信息交互。图2为指纹采集接口。

图2 指纹采集接口
J1为采集头的接口,主要有15个引脚,其中引脚8至引脚15为数据输出接口,连接至锁存器,最终接到数据总线上;引脚6、7为I2C总线,用于对传感器寄存器进行初始化设置;引脚3到引脚5分别为传感器的时钟信号、行同步信号和帧同步信号。帧同步信号直接连接至CPU的通用I/O端口GPF3 上,行同步信号和时钟信号通过与非门接至CPU的外部DMA请求输入nXDREQ1。
当nXDREQ1输出由高电平变得低电平时,传感器便有数据输出,并且数据能够维持至下一个同样的过程的到来。这正好符合44B0的外部DMA 请求的单步模式的要求。于是自然就可以采用DMA的方式来读取数据。最终的数据读取是通过片选锁存器来实现的。由于DMA的方式不干预CPU,因此也大大提高了读取的速度。
刷卡采集电路模块
刷卡采集选用的是MTP-125K4模块,并选择ASCII方式以及固定的9600bps输出RS232数据,感应距离为30cm,其输出数据端口直接连接CPU的串口1接收端即可。输出的数据格式为头码(02)+10ASCII数据+Checksum校验码+结束码(03),事实上我们只需存储10位数据信息中的4位卡号。具体电路如图3所示。

图3 读卡模块
电源管理电路模块
电源管理部分采用了1150mAh的LI电,通过DC-DC升压至5V,再通过LDO给系统所需要的3.3V和2.5V电压。其中DC-DC是LT1308A芯片,LDO采用AMS1117-3.3V和AMS1117-2.5V,可以为系统提供稳定的电压供给。
图4是电源开关控制部分电路,功能为实现USB和电池供电的切换。当未插入USB时采用电池供电,而连接时系统采用USB供电。S9为总电源开关。具体的实现过程为:电池供电时,开关S9按下,TEST1点由高变低,Q0导通,NAND网络为高,系统开始供电,此时程序运转并给与SHDN引脚高电平信号,促使Q6导通,此时即使按键抬起TEST1点仍为低电平,维持Q0的导通。当插上USB后,按键的按下使得Q4导通,Q0此时截至,系统由电池供电切换为USB供电,其它道理相同。关机时按键按下,POWER_DET网络检测电平由高变低,给予SHDN低电平,Q6截至,按键抬起后无论是Q0还是Q4均截至,系统断电。

图4电源管理模块
本系统采用了大量成熟的模块,具有指纹采集、刷卡、语音提示、实时时钟、USB接口等功能的一款便携设备。本产品目前已经研制出样机,经调试检测各项指标合格,实现了上述各项功能,满足了产品的设计指标。
。 (本文来源网友上传,如有侵权,可联系管理员删除)
版权声明:网站转载的所有的文章、图片、音频视频文件等资料的版权归版权所有人所有。如果本网所选内容的文章作者及编辑认为其作品不宜公开自由传播,或不应无偿使用,请及时联络我们,采取适当措施,避免给双方造成不必要的经济损失。