文中所研究和设计的功能,都是应用在移动机器人上的。因而系统的研究设计需要考虑到体积小、省电、便于移动的特性,并需具有便于家庭用户操作的友好显示界面。对于语音识别部分,需要用到用于语音识别算法处理的处理器、语音采集电路和语音输出电路。其中语音识别算法运算的处理器主要负责算法的运算处理,相当于机器人的大脑;语音采集电路负责采集外部的声音信号,相当于机器人的耳朵;语音输出电路负责输出话语声音,相当于机器人的嘴巴。
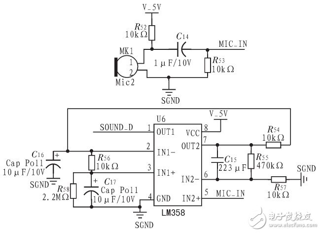
本文的设计是用在移动机器人上的,因而需要语音的输入、识别处理及语音输出的功能。对于语音的输入采集,本文使用声音传感器麦克风及外围电路来实现。对于语音输出部分,使用功率放大器结合喇叭来使用。设计语音部分原理图如图3所示。

图3 语音输入原理图
。 (本文来源网友上传,如有侵权,可联系管理员删除)
版权声明:网站转载的所有的文章、图片、音频视频文件等资料的版权归版权所有人所有。如果本网所选内容的文章作者及编辑认为其作品不宜公开自由传播,或不应无偿使用,请及时联络我们,采取适当措施,避免给双方造成不必要的经济损失。