• 周一. 10 月 20th, 2025

采用NuMicro M05132读写接触式IC卡接口电路 – 嵌入式类电子电路图

6 月 6, 2019

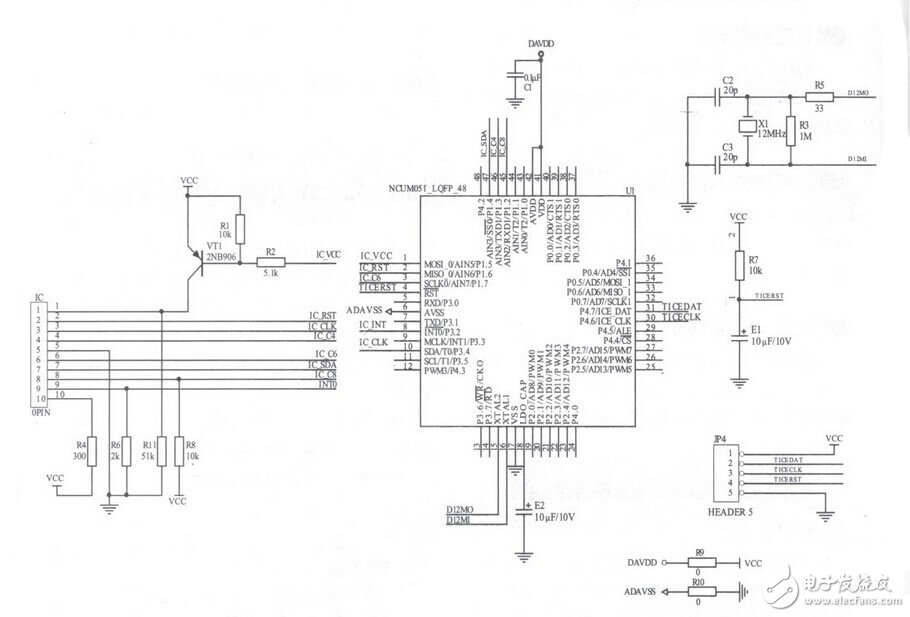
  电路原理:本系统采用NuMicro M05132位微控制器实现与IC卡的接口,负责卡时钟和数据的存储与读取,预留了其他种类IC卡所需要的RST、FUS、PGM等信号,IC卡的插入与拨出是通过IC卡适配插座上的开关来识别,其硬件接口电路图如图所示。N u M i c r o M051系列为ARM C o r t e x – M 0 内核的32位微控制器。Cortex-M0是ARM最新的32位嵌入式处理器,拥有可与传统8位单片机匹敌的价格优势。NuMicro M051系列包括M052、M054、M058和M0516。NuMicro M051内核系列最高可运行至50MHz,特别适用于需要高速控制的工业领域,NuMicro M051系列内嵌有8K/16K/32K/64K字节的flash存储器, 4kBflash用于ISP, 及 4kB SRAM。多种系统级外设功能, 如I/O Port, EBI(外部总线接口)、TImer、UART、SPI、I2C、PWM、ADC、看门狗定时器和欠压检测功能, NuMicro M051系列内建这些功能可以减少系统外围元器件, 节省电路板空间和系统成本,这些功能使NuMicro M051系列适用于广泛应用。同时, NuMicro M051 内建在线编程功能ISP及在系统编程功能ICP,提供用户多样的编程方式。用户可以直接在电路板上对芯片进行升级。

采用NuMicro M05132读写接触式IC卡接口电路

。 (本文来源网友上传,如有侵权,可联系管理员删除)

版权声明:网站转载的所有的文章、图片、音频视频文件等资料的版权归版权所有人所有。如果本网所选内容的文章作者及编辑认为其作品不宜公开自由传播,或不应无偿使用,请及时联络我们,采取适当措施,避免给双方造成不必要的经济损失。