介绍了以AT89C5l单片机作为控制核心的自动拨号、检测和放音的智能语音拨号报警系统。重点论述了自动拨号和语音部分的电路结构与工作原理方法。 电话自动报警的主要功能为:用户根据需要把自己的手机号码、办公室电话或报警监控中心的电话预存入报警主机。报警主机不断地对所监控的设备(门禁、烟雾探测器、窗磁、摄像头等)状况进行巡检,当有不安全情况(如火灾、非法入室、视频丢失等)发生时,报警主机拨通预先存入的电话号码,播放相应的警情语音。若电话占线或者无人接听,可拨下一个预存的电话号码,如果所有预存的电话都占线或者无人接听,则会自动把所有的预存电话重拨一遍,保证了报警的有效性和可靠性。
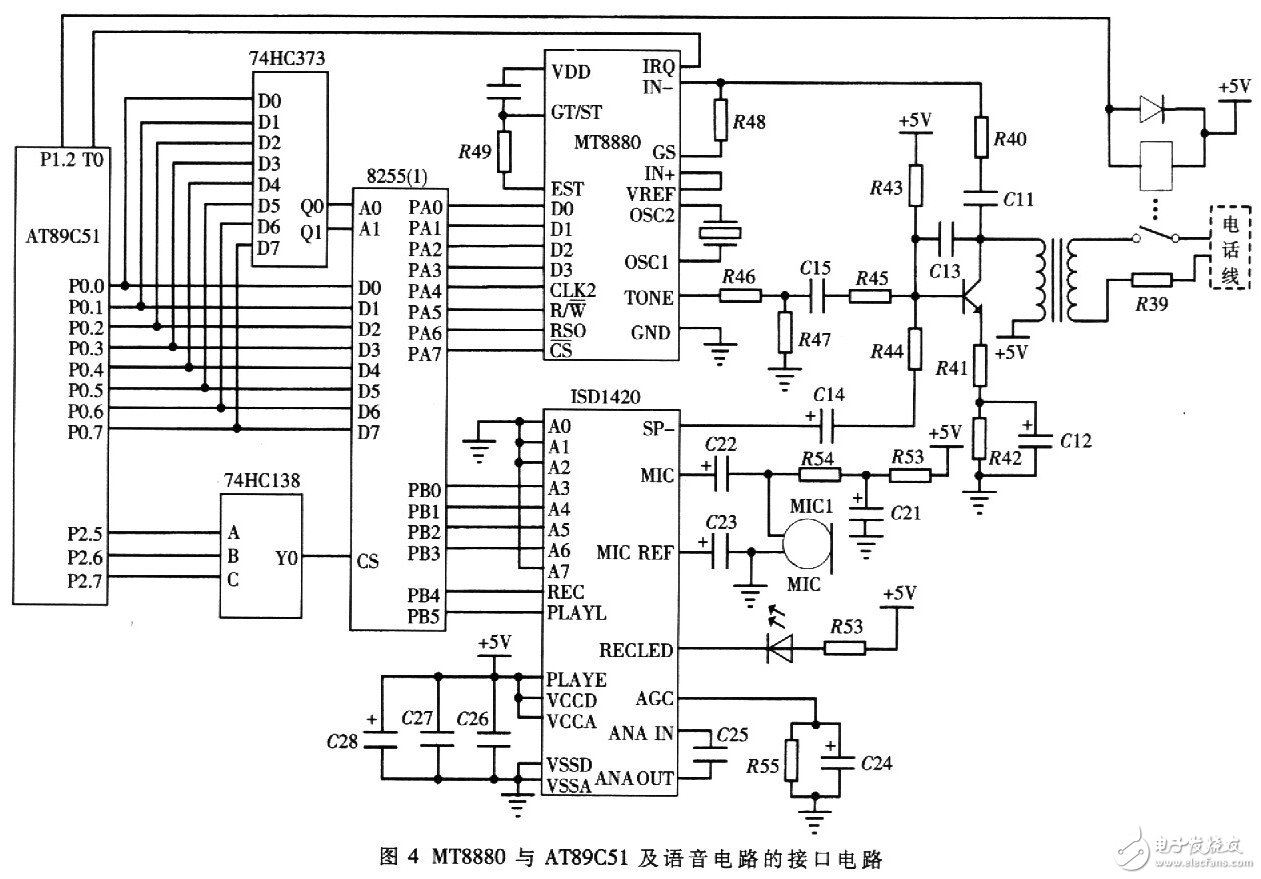
DTMF发送接收电路MT8880与AT89C51及语音电路的接口
MT8880是MITEL公司推出的专门用于处理DTNF信号的专用集成电路芯片,不仅具有接收和发送DTMF信号的自动拨号功能,还可以检测电话干线上拨号音、回铃音和忙音等信号音。适合与单片机接口,外围电路简单。MT8880内部有五个寄存器,分别为接收数据寄存器、发送数据寄存器、收发控制寄存器CRA和CRB以及收发状态寄存器。在本设计中,由于仅采用发送数据寄存器、收发控制寄存器CRA和CRB发送DTMF信号实现自动拨号功能,因此在此仅介绍这三个寄存器。发送数据寄存器中的数据决定要发送的双音频信号的频率,因此只能向发送数据寄存器写入数据。两个收发控制寄存器占用同一个地址,因此根据CRA中的寄存器选择位的值决定是否对CRB进行操作。其接口电路如图4所示。

ISDl420语音芯片采用直接模拟存储技术,且录放音质极好,并有一定的混响效果;它的外围元件简单,仅需简单的阻、容器件即可组成简单的录、放音电路;无需后备电源,信息存储时间长,不需要专用的编程器及语音开发器;具有较强的选址能力,可把存储器分成160段来管理,形成最小的录放时间为 125ms。其接口电路图如图4所示。
语音分段方法:地址输入端AO~A7由低位向高位排列,每位地址代表125ms的寻址,160个地址覆盖20s的语音范围 (160&TImes;0.125s=20s),录音及放音功能均从设定的起始地址开始,录音结束由停止操作决定.芯片内部在该段的结束位置自动插入结束标志 (EOM);而放音时遇到EOM标志即自动停止放音。在本设计中,因需要四段报警提示语音,因此在设计时均将每段语音设为5s,其起始地址分别为 00000000B、00101000B、01010000B、01111000B,由这四段起始地址可以看出A7、A2、Al和AO均为0,因此将其接地。
。 (本文来源网友上传,如有侵权,可联系管理员删除)
版权声明:网站转载的所有的文章、图片、音频视频文件等资料的版权归版权所有人所有。如果本网所选内容的文章作者及编辑认为其作品不宜公开自由传播,或不应无偿使用,请及时联络我们,采取适当措施,避免给双方造成不必要的经济损失。