• 周一. 10 月 20th, 2025

基于89C51单片机的智能视频监控系统控制电路设计 – 消费类电子电路图

6 月 14, 2019

  键盘是数字视频监控录像系统中最重要的输入设备之一,是人机接口的重要组成部分。目前常用的工业控制计算机键盘除配置电子锁开关防止非法键盘输入外,与 PC键盘并没有多大区别。这种键盘不仅键数多,操作不灵活,而且通常只能作为输入设备,主机无法通过键盘与外设进行通信。本文在分析PC机键盘通信方式的基础上,设计出以89C51单片机为核心的数字视频监控系统键盘及报警控制卡,该卡具有键盘通信和输入输出报警两种功能,采用标准PCI卡的结构,但不占用主机硬件资源。其中,报警部分有4路输入和4路输出,可以与标准的报警传感器相连;键盘部分有16个键,通信方式与PC机完全兼容。

  键盘接收主机命令和参数

  主机首先将时钟线置为低电平,随后将数据线置为低电平,延时大约200μs后,将时钟线置为高电平。当键盘检测到这一状态后,开始接收主机命令,接收数据格式与发送的一样。键盘依次接收1个起始位、8个数据位、1个校验位、1个停止位。特别值得注意的是,在接收键盘命令或参数时,虽然数据是由主机发向键盘的,但是时钟脉冲是由键盘产生的。主机在时钟线上每接收一个脉冲的下降沿,就在数据线上输出一位数据。如果接收正确,在时钟线和数据线都成为高电平后,键盘将向主机发一个应答信号(0FAH),否则向主机发一个0FEH信号,要求重发。主机收到0FEH信号后,把刚才输出过的数据重新发送一次。如果这一过程持续三次后,键盘仍然不能正确接收,主机就放弃传送这个数据,转去执行下面的程序或显示错误信息。主机命令和参数也采用奇校验方式。

   系统硬件电路设计

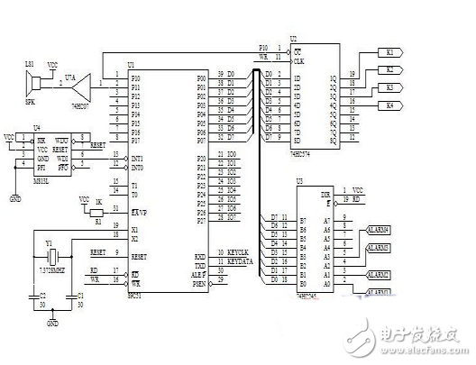
  本系统采用89C51单片机与PC键盘接口相连,图2给出了系统硬件电路原理。其中P3.0和P3.1分别与主机键盘接口的时钟线CLK和数据线 DATA相连,P2口与4&TImes;4键盘矩阵相连,P0口经过驱动后与输入输出报警设备相连接。为保证键盘可靠工作,系统配置了看门狗电路MAX813L,另外,系统还配置了蜂鸣器,每次按键均有声音提示。

  基于89C51单片机的智能视频监控系统控制电路设计

  图2 系统硬件电路原理

。 (本文来源网友上传,如有侵权,可联系管理员删除)

版权声明:网站转载的所有的文章、图片、音频视频文件等资料的版权归版权所有人所有。如果本网所选内容的文章作者及编辑认为其作品不宜公开自由传播,或不应无偿使用,请及时联络我们,采取适当措施,避免给双方造成不必要的经济损失。