电视监控是随着电视技术,尤其是闭路电视技术和通信技术的发展而形成的一门新技术。近些年来,电视监控技术被用于城市管理上,在城市的交通、治安和保卫方面发挥着重要作用。城市电视监控系统就是应用于城市管理的工业闭路电视系统。它有许多不同于一般监控系统的特点,因此,它在功能、结构和工艺上有着独特的要求。
主机系统
主机系统是整个监控系统的中枢,为了今后进行功能和容量的扩展,以及方便维修,采用模块化结构。在设计中,把主机分成三大功能模块,即主控模块、切换模块和字符叠加模块。
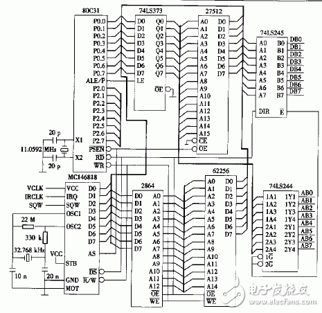
主控模块负责整个主机的监控管理,包括与其他功能模块、键盘和终端控制器进行通信和控制,以及与其他监控系统联网。主控模块包括主板、键盘接口板、串口通信板和报警接口板。在主控模块中,各板块的关系和作用如图所示。主板起着与其他板块通信和监控的作用;键盘接口板直接与键盘和多媒体计算机的串口相连,整个系统的操作指令都是通过它送入主机;串口通信板负责各个功能模块之间的通信以及与其他监控系统的联网,报警接口板是实现系统报警联动的桥梁。主控模块中主板的基本电路原理如图所示。系统的视频输入输出路数、操作键盘的个数和各个键盘的权限、是否报警以及联网的一些参数等等,都可以由用户自己设置。日历时钟芯片负责提供系统的时间和日期。8位的数据经由8总线收发器进入数据总线,16位的地址的低8位与数据分时共用,经由8总线驱动器进入地址总线,高8位地址则直接与总线相连。为提高系统的可靠性,采用了“看门狗”复位电路。主控模块的基本工作原理:当系统上电复位后,主板的80C31通过STD总线向其他功能模块发握手信号,与之建立通信联系,并对其进行初始化。初始化结束后,点亮各个模块上的状态指示灯,等待键盘指令。当键盘发出操作指令后,键盘接口板进行数据格式转换,把指令送给主板处理,主板根据指令码,通过串口通信板,控制切换模块或终端控制器,发出相应的切换或控制命令。

图3 主板原理电路
切换模块包括视频切换和音频切换两大部分,这两部分从切换原理上来说是一样的,基本电路,除了放大、校正和阻抗匹配部分以外,也大致相同。切换模块从结构上分为切换主板、切换输入板和切换输出板。整个模块只有一块主板,而输入与输出板则根据系统容量有若干块。切换主板负责模块的控制和通信,它接收来自主控模块的指令,控制切换输入与输出板进行相应的切换动作。切换模块的核心是切换矩阵电路,它的电路原理如图。M3494是的大型模拟开关矩阵。它有很好的技术性能,导通电阻仅为40 Ω,相邻通道隔离度为-90db,带宽45 NHZ,满足音、视频切换的要求。可用两片构成一块16&TImes;16的切换输入板。通过控制M3494的地址口和片选信号及数据信号,进行16&TImes;16的切换。当需要更大的切换矩阵时,可以使用多块切换输入板。

图4 切换矩阵原理电路
字符叠加模块由一块字符主板和若干块字符叠加板组成,它把主控模块的日历时钟信号、报警信号和各个监控点的地址信息转换成点阵字符编码,与视频信号叠加,显示到监视器上。城市监控系统是一个大型而复杂的电视监控系统。与保安性质的室内电视监控系统相比,其工作环境比较恶劣。在设计制造过程中应始终把可靠性放在第一位。由于系统过于庞大且实时性强,因此速度也成为主要考虑的问题。这套系统在上述方面完全可以满足城市治安与交通监控的需要。
。 (本文来源网友上传,如有侵权,可联系管理员删除)
版权声明:网站转载的所有的文章、图片、音频视频文件等资料的版权归版权所有人所有。如果本网所选内容的文章作者及编辑认为其作品不宜公开自由传播,或不应无偿使用,请及时联络我们,采取适当措施,避免给双方造成不必要的经济损失。