• 周一. 10 月 20th, 2025

便携式酒精测试仪电路设计 – 消费类电子电路图

7 月 2, 2019

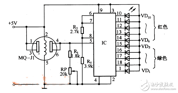
  该测试仪只要被试者问由气敏元件组成的传感探头吹一口气,便可显示出被试者醉酒的深度,决定出被试者是否还适宜驾驶车辆。实用酒精测试仪的电路如图,它是实用酒精测试仪理想的气所示。气敏元件选用MQ-Jl型酒敏元件,它对乙醇气体特别敏感,因此它是实用酒精测试理想的气体传感器件。

  当气体传感器探不到酒精时,加在I⑤脚的电平为低电平;当气体传感器探测到酒精时,其内阻变低,从而使IC⑤脚电平变高。IC为显示推动器,它共有10 个输出端,每个输出端可以驱动一个发光二极管。显示推动器IC根据⑤脚的电位高低来确定依次点亮发光二极管的级数,酒精含量越高,点亮二极管的级数就越大。上5个发光二极管为红色,表示超过安全水平;下5个发光二极管为绿色,代表安全水平,酒精的含量不超过0.05%。

  便携式酒精测试仪电路设计

  图:酒精测试仪电路

。 (本文来源网友上传,如有侵权,可联系管理员删除)

版权声明:网站转载的所有的文章、图片、音频视频文件等资料的版权归版权所有人所有。如果本网所选内容的文章作者及编辑认为其作品不宜公开自由传播,或不应无偿使用,请及时联络我们,采取适当措施,避免给双方造成不必要的经济损失。