本系统原设计为8通道QCM检测,即采用8套完全相同的以MAX913芯片为核心的振荡器,通过2个CD4069反相器反相后分别送到4个差频器 74LS74的D端,每一个差频器74LS74内部有2个D触发器。2个6M高精度有源晶振分别经时钟芯片CDCV304后变成8个6M输出信号,分别送到4个差频器74LS74的CLK端。经过4个差频器74LS74差频后的频率信号送到可编程逻辑器件EPM570GT100C3芯片的I/O口。 EPM570GT100C3在这里做频率计。记下的差频频率通过8位数据线送到51单片机AT89S52,同时AT89S52对 EPM570GT100C3控制,以选择哪个通道,AT89S52处理后的数据经过232串口送到上位机。 QCM凝血传感器属于非质量响应型传感器,利用石英晶体振荡频率变化对晶体所处体系密度和粘度变化的高度敏感性来检测体系性状的改变。QCM凝血传感器通过红细胞阻抗特性的变化引起传感器的响应来检测红细胞凝集时间和沉降速率。因此,利用基于QCM传感器的生物芯片检测技术,研制了凝血分析仪。
石英晶体振荡及差频电路
为了保证QCM在滴入生物试剂后能振荡起来,必须采用一套比较特殊的自激振荡器电路,普通的用反相器构成的振荡器电路不易起振,自激振荡器通常是由基本放大电路、正反馈网络和选频网络三部分组成的。在石英晶体振荡电路中,石英晶体作为正反馈网络的主要组成部分,也是一种选频网络,只有在石英晶体振荡器的固有谐振频率下才能满足条件。根据这一原理,采用以MAX913芯片为核心的振荡器,它的输出是TTL电平,便于单片机或可编程逻辑器件的信号采集。测量用QCM振荡电路输出的方波信号送入差频器74LS74的D端,参考用高精度6M晶振输出的方波信号送入差频器74LS74的CLK端,得到的差频信号送入可编程逻辑器件进行计数,采用差频的目的是为了降低输入到可编程逻辑器件EPM7128的频率。石英晶体振荡及差频电路如图2所示。

图2 石英晶体振荡及差频电路
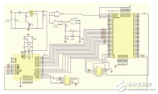
EPM7128和AT89S52的控制电路
经过差频器74LS74后的差频信号,从74LS74的5脚输出送到可编程逻辑器件EPM7128的6脚I/O口上。由于可编程逻辑器件引脚比较灵活,又有可擦除可编程的能力,因此对原设计进行修改时,只需要修改原设计文件再对可编程逻辑器件芯片重新编程即可,而不需要修改电路布局,更不需要重新加工印刷线路板,这就大大提高了系统的灵活性,且具有很好的保密性,在这里通过软件编程将其设计为频率计。在开始测量时,上位机通过串口给51单片机 AT89S52发出命令,AT89S52先给EPM7128的22脚一个RST复位命令,使EPM7128复位后开始工作计频,频率测量计时时间为 100ms,计时结束后,EPM7128的46脚发出中断信号送给AT89S52的外中断0口(INT0),单片机接收到中断信号后从P1口的 P10~P12给EPM7128发出3个选择信号SEL0~SEL2。由于在EPM7128设计的是32位计数器,而51单片机是8位机,因此需要4次分时处理32位数据信号,由选择信号SEL0~SEL2来控制。最终从EPM7128输出8位数据信号到AT89S52的P0数据口,经单片机处理后通过串口发到上位机进行最后的数据处理和图形界面显示。此部分硬件电路图如图3所示。

图3 可编程逻辑器件EPM7128和51单片机AT89S52的控制电路
AT89S52的14、15脚外接晶振和电容组成单片机的振荡电路,4脚是复位端,由IPM810控制,IPM810具备上电复位、手动复位及欠压复位功能。AT89S52使用PLCC44脚封装的贴片器件,利用单片机AT89S52的P1口和复位口进行在线编程,使用at89isp软件在线编程,进行程序的烧写。
EPM7128的83脚是全局时钟,外接工作用的时钟信号。该时钟信号可以使用有源晶振来产生,也可以使用无源晶振加振荡器产生。 EPM7128的14、71、23、62脚分别是TDI、TDO、TMS、TCK端,是JTAG编程口。EPM7128也是采用在线编程方式进行程序的烧写,采用JTAG在线编程。其他引脚基本上都是I/O口,可根据需要指定。本设计中可编程逻辑器件EPM7128和51单片机AT89S52共有13根线相连,进行数据通讯和控制,其中OUTPUT0~OUTPUT7是数据通讯,SEL0~SEL2是AT89S52对EPM7128的片选控制信号,INT 则是EPM7128对AT89S52发出的中断控制信号。
。 (本文来源网友上传,如有侵权,可联系管理员删除)
版权声明:网站转载的所有的文章、图片、音频视频文件等资料的版权归版权所有人所有。如果本网所选内容的文章作者及编辑认为其作品不宜公开自由传播,或不应无偿使用,请及时联络我们,采取适当措施,避免给双方造成不必要的经济损失。