本文通过LabVIEW虚拟实验软件平台设计了一种利用ATmega16单片机进行数据采集,通过RS232串行通信将数据传送给PC的简易虚拟示波器。用户可以在开发平台上对数据采集参数进行设置和调整以及对波形数据存储。系统的创新点是摆脱了传统开发平台的限制,具有多通道、方便、灵活等特点,在数据采集、传感器监测等领域有重要应用。虚拟仪器是基于PC技术发展起来的,所以完全“继承”了以现成即用的PC技术为主导的最新商业技术的优点,包括功能超卓的处理器和文件I/O,使在数据导入磁盘的同时就能实时地进行复杂的分析。为了实时、准确地测量输入波形的参数,本文采用自带8路10位ADC的单片机ATmega16,结合简单的外围电路,即可将输入波形实时传送给PC机进行处理。通过PC机上虚拟仪器平台LabVIEW开发的上位机软件对波形进行显示和处理,从而达到简易虚拟示波器的效果。
数据采集电路设计
ATmega16单片机是美国Atmel公司生产的基于增强的AVR RISC结构的低功耗8 位CMOS微控制器。ATmega16有如下特点:16k字节的系统内可编程Flash(具有同时读写的能力,即RWW),512字节EEPROM,1k字节SRAM,32个通用I/O口线,32个通用工作寄存器,用于边界扫描的JTAG接口,支持片内调试与编程,三个具有比较模式的灵活的定时器/计数器(T/C),片内/外中断,可编程串行USART,有起始条件检测器的通用串行接口,8路 10位具有可选差分输入级可编程增益(TQFP封装)的ADC,具有片内振荡器的可编程看门狗定时器,一个SPI 串行端口,以及六个可以通过软件进行选择的省电模式。

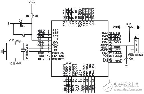
图2 采样电路原理图。
本设计正是利用ATmega16的8路10位可编程增益的逐次比较型ADC及可编程异步串行接口的内部资源,从而简化了电路设计的难度及编程难度。采样电路的电路图如图2所示,ATmega16只需结合简单的晶振电路和复位电路就可以完成本设计的需求。模拟信号通过8路模拟输入的任意端口输入即可,通过单片机内部程序控制,很容易就将输入模拟量转化为数字量。单片机再通过串行接口传输给PC机, 串行通信通过串行发送引脚TXD(PD1)和串行接收引脚RXD(PD0)连接串行通信接口电路实现数据的串行传送与接收。
串口通信接口电路设计
本系统设计中通过Max232连接单片机和PC机。ATmega16 具有异步串行通讯接口(UART),UART是为能与计算机通讯的全双工异步系统。本系统采用RS232接口方式, 由于RS232信号电平与AVR单片机信号电平(TTL 电平)不一致,因此在采用RS232标准时必须进行信号电平转换。在串行通信的接口电路中选用MAX232芯片作为信号电平转换芯片,实现TTL电平和 RS232接口电平之间的转换。从而把ATmega16内部需要传送的数字信号准确无误地传输给PC机,供上位机软件读取并进行信号处理。
串行接口电路原理图如图3所示,TTL电平引脚输入引脚9、10,连接ATmega16的串行发送接口TXD和串行接收接口RXD,通过电平转换为RS232电平,通过7脚和8脚连接串行接口的2脚和3脚,串行接口通过串行通信线连接采样模块的串行接口和PC机的串行接口。ATmega16通过内部编程很方便地把数据传送给PC机。

图3 串口通信接口电路图。
多通道采样原理:由于ATmega16内部ADC为8选1数据通道,在具体实现某路数据采集时就必须更改多工选择寄存器ADMUX的数值。为能随时更改通道,本设计采用主从方式,通过上位机发送给ATmega16的数值来改变通道。在ATmega16的串行中断的接收中断中, 通过判断接收的数值更改ADMUX的数值。同时,在串行接口接收中断中,通过接收的数值的编码也可用来改变ADC相邻两次转换之间的延时值,从而达到改变转换速率的效果,当需要采集双通道数值时,单片机内部ADC可采用分时复用的原则,同时将获得的八位数据加一个最高标志位,扩展为九位数据位。上位机通过对数据的最高位的校验,可以很方便地区分数据,在显示界面上将双通道波形实时显示更新。
本文设计的虚拟示波器系统由单片机ATmega16和Max232构成的下位机系统及由LabVIEW开发的上位机软件构成。系统充分利用 ATmega16单片机软硬件资源,方便快捷地实现数据采集。并且通过RS232接口实现与上位PC机的连接,PC机通过LabVIEW开发平台方便地实现进行数据的分析、处理、存储和打印输出的简易虚拟示波器。本系统具有电路简单、使用灵活方便等特点。因此能广泛应用于工业、农业、水文系统、环境监测等领域,实现现场勘测和数据采集。
。 (本文来源网友上传,如有侵权,可联系管理员删除)
版权声明:网站转载的所有的文章、图片、音频视频文件等资料的版权归版权所有人所有。如果本网所选内容的文章作者及编辑认为其作品不宜公开自由传播,或不应无偿使用,请及时联络我们,采取适当措施,避免给双方造成不必要的经济损失。