• 周一. 10 月 13th, 2025

无电池近场通信 (NFC) 键盘电路设计 – 嵌入式类电子电路图

4 月 27, 2019

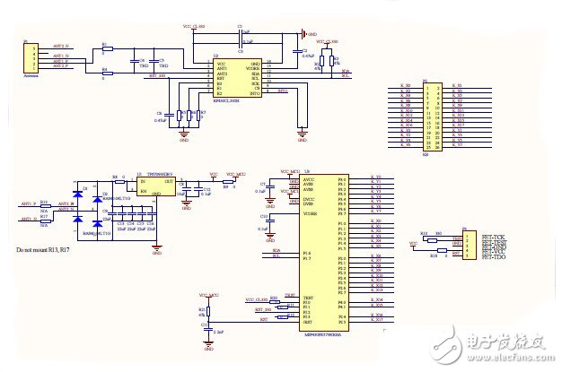
  此解决方案使用近场通信 (NFC) 技术实现了无电池键盘。核心部分是可以由主机微控制器读写的 TI 动态 NFC 标签。支持 NFC 的手机可以快速发现并识别该键盘,然后在键盘和应用程序之间建立连接。此设计是无电池系统(即,无需电池即可工作),客户可以利用该系统构建具有优化尺寸的产品(例如薄键盘)以及重量更轻的产品(例如易于携带)。

  特性如下:

  无电池解决方案

  标准 PC/AT 键盘字符集

  大于 400 个字符/分钟的输入能力

  MSP430 MCU 和 RF430CL330 标签的功耗都约为 20 mW

  用于能量收集的低成本 PCB 线圈天线

无电池近场通信 (NFC) 键盘电路设计

。 (本文来源网友上传,如有侵权,可联系管理员删除)

版权声明:网站转载的所有的文章、图片、音频视频文件等资料的版权归版权所有人所有。如果本网所选内容的文章作者及编辑认为其作品不宜公开自由传播,或不应无偿使用,请及时联络我们,采取适当措施,避免给双方造成不必要的经济损失。