• 周一. 10 月 20th, 2025

用作直流偏置交流源的双T型功率振荡电路设计 – 信号处理电子电路图

6 月 22, 2019

  交流测试设备通常需要一种低失真的信号源作待测设备的激励。常见的办法是用一台信号发生器,产生一个低失真的基准信号,将其送入一个功率放大器以驱动待测设备。本设计实例提出了一种较轻便的替代方案。

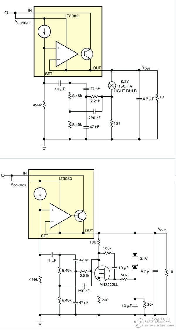
  图1是一个振荡器,它产生一个有功率驱动能力的低失真正弦信号。功率振荡器主要由两部分构成:一个双T型网络,还有一个大功率低压降稳压器。双T网络有两个并联的T型滤波器:一个低通滤波器和一个高通滤波器。双T网络经常被选用于陷波滤波器。低压降稳压器作信号放大,驱动负载。此电路中的稳压器包括一个电流基准的电压跟随器结构。它从Set至Out管脚有单位增益,电流基准是一个精密的10μA电流源。Set脚的RSET电阻设定输出的直流电平。在Out和Set脚之间连接一个双T型网络后,得到的陷波滤波器可同时衰减高频和低频分量,使中心频率顺利通过。

  对双T网络的小信号分析表明,中心频率处的增益为最大值。当K因数从2增加到5时,双T振荡器的最大增益从1增长到1.1(图2)。当K因数大于5时,最大增益下降。因此,增益大于单位增益时,K因数要选择为3~5之间。环路增益必须是单位增益,以保持振荡的稳定。所以,需要一个电位计来调节环路增益,控制振荡幅度。

  用作直流偏置交流源的双T型功率振荡电路设计

  图1,此振荡器生成一个有功率驱动能力的低失真正弦信号。图2,双T网络的增益随图1中的K值而改变。

  双T振荡器可以驱动感性、容性或阻性负载。低压降稳压器的电流限制是振荡器驱动能力的唯一限制因素。负载特性限制了最大可编程频率。例如,一个有4.7μF输出电容的10Ω阻性负载在高于8kHz频率时会造成7%的THD,虽然图3电路中在 400 Hz时THD是0.1%。双T振荡器的线路调节与负载调节特性与LT3080相同。它亦可工作在宽的温度范围内。

  为了实现增益的自动调节,可以用一只灯泡替代电位计,或采用一支电压调制的阻性MOSFET。由于自发热效应,灯泡的电阻随振荡幅度而升高,因此用于控制环路增益,维持振荡。图4中通过一个齐纳二极管检测峰值电压,当振幅增大时,MOSFET的电阻下降。环路增益亦减少,以维持振荡。

  用作直流偏置交流源的双T型功率振荡电路设计

  图3,用一个灯泡代替电位计可以实现增益自动控制 图4,用一个电阻可变的MOSFET代替电位计,可以实现增益的自动控制。

  图5给出了使用灯泡时双T振荡器的测试波形。5V直流偏压时输出调在4V 峰峰值电压(图6)。双T振荡器频率为400 Hz,0.1% THD。最大的谐波贡献来自于小于4 mV峰峰值的二次谐波。图6是使用MOSFET的双T振荡器测试波形。THD为1%,有40 mV 峰峰值的二次谐波。

  用作直流偏置交流源的双T型功率振荡电路设计

  图5,图3振荡器的测试波形显示0.1% THD的低失真。图6,图4振荡器的测试波形显示1% THD的低失真。

  图7,图3电路的波形显示,灯泡振荡器的起振缓慢。图8,T图4电路的波形显示,MOSFET振荡器的起振快速。

  振荡器的起振是另一个重要问题。两种电路都没有低频摆动,这在其它种类振荡器中很常见。图7和图8的波形几乎没有过冲。使用MOSFET的振荡器要比使用灯泡的振荡器稳定更快,因为灯泡有加热效应,热常数更大。对于需要低失真和功率驱动能力的应用,可以将简单电路作为直流偏置的交流源。

。 (本文来源网友上传,如有侵权,可联系管理员删除)

版权声明:网站转载的所有的文章、图片、音频视频文件等资料的版权归版权所有人所有。如果本网所选内容的文章作者及编辑认为其作品不宜公开自由传播,或不应无偿使用,请及时联络我们,采取适当措施,避免给双方造成不必要的经济损失。