无线通信是人们现代日常生活的一部分,在办公室、学校或家庭等场所,都在接触无线通信设备,如笔记本电脑、打印机、摄像机、手持设备、照明控制器和家电设备等。这些设备的复杂程度与它们执行的任务类型有关,其中许多家庭自动化的无线应用采用小型微控制器和少量代码执行简单的任务,更加追求低成本、单一性和微型化。在目前众多的无线网络技术中,ZigBee技术作为一种新兴的无线网络技术,近两年在工业控制、消费电子等领域以及科研开发中得到了众多的关注和使用,而且越来越显示出它的强劲应用势头。ZigBee是一种低功耗、短距离和低速的无线网络技术,工作在2.4GHz国际免执照的频段,在 IEEE标准上它和无线局域网、蓝牙同属802家族中的无线个人区域网络。
通常的ZigBee无线控制器节点是以一个高端微控制器为核心,再配合无线收发器构成的。本文将设计一个新型的、低成本的、使用ZigBee无线技术的精简型无线控制器,比如用于空调遥控,整个目标应用板上的元器件极少,走线极少,体积极小。该设计只采用三个电子芯片:一个低端微控制器(MC9S08QG8)、一个RF收发器(MC13192)和一个16&TImes;2的LCD,其他需要的元器件为电阻和按键之类的无源器件。
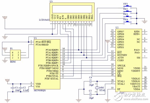
硬件电路的具体设计
根据前面器件选择和总体构建的考虑,本文完成的无线控制器具体设计电路如图2所示。其中MC9S08QG8微控制器(MCU)的大部分管脚具有多重功能,电路设计中,即以MC9S08QG8为核心,实现各种控制。

图2无线控制器应用原理图分为三部分:MC9S08QG8 MCU所需的基本连接;MCl 3192无线收发器的连接;16&TImes;2 LCD和4个按键的连接。
各部分的供电电源为低电压3 V,可用两节7号电池供电。MCU的时钟电路无需外接晶振,直接使用MCU内部自带的时钟;MCU的RST和BKGD引脚用于BDM接口的连接,完成程序下载后可另作它用,比如MCl3192的中断信号IRO就接至PTA3/RST/IRQ复用;图2中MCl3192收发器其他外围电路使用数据手册提供的工作所需的最低硬件要求。MCU与MCl3192的连接按照标准SPI方式连接,MCU为主机,MCl3192为从机,通过 MOSI,MISO,SPSCK信号线可以配置收发器,并发送和接收数据。同时也可以通过SPI配置收发器提供的定时器和GPIO引脚,将其用于其他的目的。收发器的片选CE信号由MCU的通用I/O口PTB5进行选通。收发器要切换运行模式(接收、发送、半休眠、休眠或空闲)还需要另外一个信号,该信号称为RXTXEN,由MCU的通用I/O口PTB7进行处理。MCU与MCl3192之间的数据传输模式可采用流模式,每次收发一个字(16 b),都通过中断由MCU控制处理,这样可以最大限度地保证了数据传输的实时性。
16&TImes;2 LCD的RS,R/W,E信号由MCU通用I/O口PTB的三个引脚进行控制,实际上可以将R/W直接接低电平,或者软件控制使始终为低点平,因为应用时只需对LCD做命令、数据写入;数据线采用LCD的4线访问形式,即只用DB4~DB7,由MCU的 PTA0~PTA3提供;背光电源BKL+,BKL-不接,以减少功耗。4个按键也接在MCU的PTA0~PTA3,与LCD数据线复用,按键的上拉电阻使用MCU内部配置的,无需外接上拉以减省元件。同时当等待处理按键时,MCU将按键输入直接配置成按键输入中断,也减少了硬件连接和软件复杂度,按键发生时MCU自动转去读取按键输入及按键处理,当要进行LCD显示时,MCU又将复用线临时配置成数据输出,配合LCD控制信号完成LCD的内容显示。MCU的8 KB FLASH和512 B的存储器资源对于一般的无线控制是足够的,另外,设计中还会用到MCU的定时器资源,通过定时比较器生成一般无线控制应用中都需要的定时时间,通过软件编程可以方便地实现。
本文仅使用了一个FREESCALEMC9S08QG8低端微控制器,再加上很少的一些连接线和硬件资源,已经具有无线通信能力和人机交互功能。这说明 ZigBee无线应用并不一定总是需要高性能的微控制器,低端微控制器也能够完成无线网络要求的一些基本任务,从而降低了整个解决方案的成本。同时,本文实现的无线控制器具有功耗低、元器件少、成本低、性能高而功能全的特点,是嵌入式无线控制应用的一种精简解决方案。
。 (本文来源网友上传,如有侵权,可联系管理员删除)
版权声明:网站转载的所有的文章、图片、音频视频文件等资料的版权归版权所有人所有。如果本网所选内容的文章作者及编辑认为其作品不宜公开自由传播,或不应无偿使用,请及时联络我们,采取适当措施,避免给双方造成不必要的经济损失。