无线数据通信电路设计
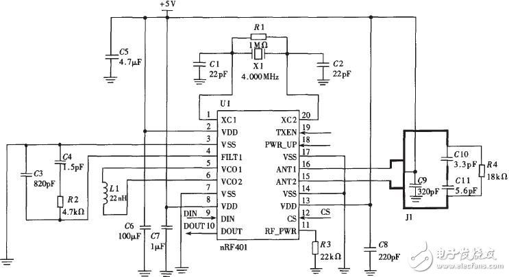
无线数据通信电路主要担负机动车辆与固定基站系统进行近距离的无线数据交换任务。由核心芯片nRF401及其附属元件组成。nRF401是双信道、高性能、低功耗的专用无线通信芯片,工作频率为433.93/434.33MHz.工作电压为3.3v,最高通信速率为20kbps,可以直接与单片机串口相接,进行异步通信,实现数据发送和接收.无需对数据进行编码。数据输入端DIN与单片机的TxD端相接,数据输出 DOUT端与单片机的RXD端相接。在本电路中,通信速率设计为19.2 kbps。电路原理如图3所示。

图3 无线数据通信单元电路
GSM通信模块电路设计
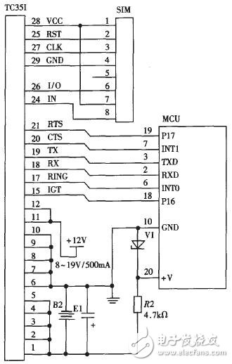
GSM通信模块采用SIEMENS的TC35I。TC35I是SIEMENS公司专为GSM通信设计的专用模块.具有语音、数据、传真和点对点短信功能,工作于EGSM 900和GSM 1800频段,重仅10g,在3.5~4.8V范围内均能正常T作.对AT Commands Interface Version 8.5所定义的主要指令都能很好地执行,另有扩展指令20多条。
TC35I接口由40芯电缆组成.其中1~5脚接电池的“+”端,6~10脚接电池的“-”端,11~12脚为直流电源输入端,可输入 8~20V/500mA的直流电.内部有自动充电控制电路。15脚IGT为模块开机控制,31脚EMERGOFF为关机控制,都是低电平有效,也可以通过命令实现开关机。17脚为振铃输出,18脚Rx为串行数据输出,19脚TX为串行数据输入,32脚为工作状态指示灯输出,24~29脚接SIM卡。与微处理器的接口电路如图4所示。通信速率为19.2kbps。

图4 TC35I与微处理器的接口电路
TC35I的全部指令可以从SIEMENS的网站上下载。车载用户移动交费系统由低成本的AT89C4051单片机组成,工作电源3.3V,基站由高速、高性能的77E58-40单片机完成无线数据通信与身份验证功能.CCD车型识别由另外的独立处理单元完成。
。 (本文来源网友上传,如有侵权,可联系管理员删除)
版权声明:网站转载的所有的文章、图片、音频视频文件等资料的版权归版权所有人所有。如果本网所选内容的文章作者及编辑认为其作品不宜公开自由传播,或不应无偿使用,请及时联络我们,采取适当措施,避免给双方造成不必要的经济损失。