• 周一. 10 月 20th, 2025

采用LM1812的超声波防碰撞电路设计 – 信号处理电子电路图

3 月 27, 2019

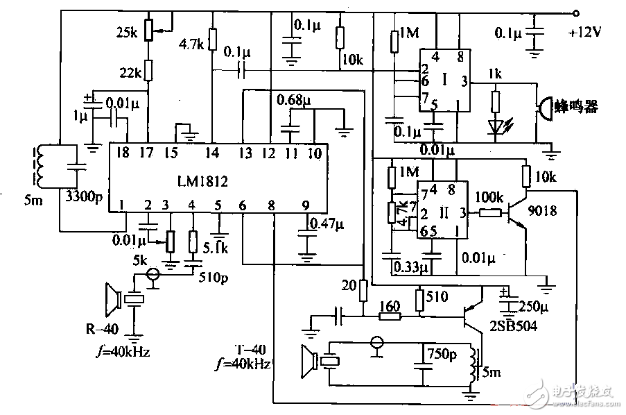
  电路原理:所示为超声波防碰撞电路,电路采用LM1812并由时基电路Ⅱ来控制LM1812的发送与接收(LM1812,即发送又接收)。控制距离可用Skfl的电位器来调节,一般可控制2—3m。时基电路1组成单稳态电路,当达到报警距离时,时基电路1的②脚输入低电平(相当于1/3Vcc),单稳态电路被触发,③脚输出高电平.LED点亮同时电子蜂鸣器发声报警。本电路超声波发送/接收传感器采用T/R-40系列,该电路可用于汽车倒车时防碰撞报警器,安装于汽车尾部即可。也可用于防盗报警,在小偷进入2~3m范围内,就开始报警,用于家庭、仓库、金融等部门。

采用LM1812的超声波防碰撞电路设计

。 (本文来源网友上传,如有侵权,可联系管理员删除)

版权声明:网站转载的所有的文章、图片、音频视频文件等资料的版权归版权所有人所有。如果本网所选内容的文章作者及编辑认为其作品不宜公开自由传播,或不应无偿使用,请及时联络我们,采取适当措施,避免给双方造成不必要的经济损失。