本报警网络采用了星型拓扑结构,由中心节点和无线报警网络节点组成。中心节点是一个与计算机相连的无线通信模块,可以和网络中的任何一个网络节点通信。无线报警网络节点是组成智能家居报警系统的基本单位,是构成智能家居报警系统的基础平台。它由微处理器(AT89C2051)、无线通信模块 (nRF2401)、环境监测传感器(门磁开关、红外线传感器、火灾烟感传感器、煤气泄露传感器、玻璃破碎报警器等)和一些外围器件构成,负责家居环境的监测和报警信息的传递。
采用这种星型拓扑结构能够很好地扩展组合,容易增加网络节点,满足在家居中网络节点分布的不确定性,可在房间、隔离处放置一个节点,避免无线干扰和报警区域不确定性的问题,由中心节点对多个网络节点所传递的数据进行综合处理,分析是否发出报警信号。在一定程度上降低报警系统的误报,提高无线报警系统的可靠性。在报警系统网络中,网络节点的主要功能是采集数据,并把数据以无线传输的方式传送给网络中心节点,由中心节点对这些数据进行综合分析处理,以此决定是否给予报警。
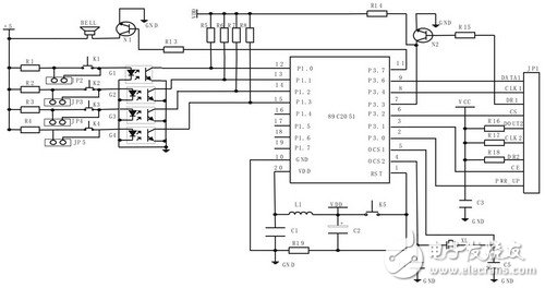
无线报警网络节点硬件设计
无线报警网络节点主要由微处理器 AT89C2051、nRF2401无线通信芯片、外围设备和开关量输入接口的传感器构成。微处理器AT89C2051是整个网络节点硬件系统的核心控制部件,负责接收传感器触发的开关量报警信号,发送nRF2401通信命令,控制信息的传输。单片射频收发芯片nRF2401是实现无线数据传输的关键器件。nRF2401工作于2.4~2.5GHzISM频段,芯片内置频率合成器、功率放大器、晶体振荡器和调制器等功能模块,输出功率和通信频道可通过程序配置,芯片功耗非常低,以-5dBm的功率发射时,工作电流只有10.5mA,接收时工作电流只有18mA,多种低功率工作模式,节能设计更方便。网络节点采用nRF2401进行数据传输,来实现报警信息的无线传输。网络节点通过连接的传感器感知外部环境异常变化。网络节点的电路原理图如图2所示。

图2 网络节点电路原理图
在网络节点中电源是能源中心,在节点中起着非常重要的作用,特别是在无线通信系统中,电源不光是能源供应者,它也直接影响通信的质量。器件对加到输入引脚或输出引脚的电压通常是有限制的。这些引脚由二极管或分离元件接到Vcc。如果接入的电压过高,电流将会通过二极管或分离元件流向电源。而现行的电压输出模块中多为5V电压,因而需要设计出一个输出稳定的5V转3V的电压调节模块。在该系统中,选用专为通信控制芯片提供转换电压的LM1117,它具有功耗低,体积小的优点。又因为电压中含有许多高频干扰源,这些高频成分很容易经过电源进入通信系统中。另外系统自身的发送频率也会经过电源感应反馈到通信系统造成干扰。因而可在电源电路中加入220μH的电感,与并入多个不同容值的电容所构成的滤波电路来抑制各种高频信号。使节点能够得到稳定可靠且低干扰的电源,保证节点的可靠运行。该电源电路如图3所示。

图3 电源电路
在网络节点设计过程中遇到的主要问题及解决方法有:nRF2401射频电路工作在2.4GHz~2.5 GHz 高频率工作频段,抗干扰设计直接关系到射频性能和整个网络节点的运转情况。在无线通信部分布线时,合理的布局与布线及采用多层板既是布线所必须的也是降低电磁干扰提高抗干扰能力的有效手段。布线时需要注意以下几点:一是无线通信部分电路没有用做布线的面积均需用铜填充并连接到地,以提供RF屏蔽达到有效抗干扰的目的 ;二是nRF2401 芯片底部应接地 ;为了降低延迟、减少串扰,确保高频信号的传输 ,要使用多个接地过孔将nRF2401芯片底部和地层相连; 三是尽可能地减少串扰,减少分布参数的影响,器件要紧密地分布在nRF2401的四周。
根据无线网络技术和智能家居的特点,提出了基于无线网络技术的报警系统的构成方案,系统的设计采用了模块化设计,使其具有很好的移植性和扩展性。采用基于无线网络技术的报警系统具有较高的通信效率和较好的稳定可靠性。
。 (本文来源网友上传,如有侵权,可联系管理员删除)
版权声明:网站转载的所有的文章、图片、音频视频文件等资料的版权归版权所有人所有。如果本网所选内容的文章作者及编辑认为其作品不宜公开自由传播,或不应无偿使用,请及时联络我们,采取适当措施,避免给双方造成不必要的经济损失。