在飞行器发射试验中,常用遥测系统获取其内部各系统的工作状态参数和环境数据,为评定飞行器的性能及故障分析提供依据。数字量变换器作为遥测系统弹上的重要设备,它的主要功能是控制接收弹上的各种飞行参数。变换器性能的优劣将直接影响遥测结果,对飞行器研制和试验过程中试验数据的测试产生很大影响,将关系到飞行器试验的成败和以后飞行器性能的改进和提高。在飞行器的研制过程中,多次试验和考核是非常重要的。对数字量变换器做出准确、客观、可靠地评价是其生产过程中的关键环节,而这一环节只能由变换器测试系统来完成。可编程逻辑器件(FPGA)以其高速、可重构、设计灵活、开发费用低、I/O 引脚和内部资源丰富的等优点,在近代测试系统中赢得了越来越广泛的应用。本文以FPGA 为逻辑控制中心设计的测试系统,主要是对数字量变换器进行单元测试,在其实际研制和调试过程中发挥了关键的作用。
系统结构和工作原理
系统设计时,采用模块化设计的思想,按照技术指标设计各个功能模块,通过各模块之间的协调配合完成系统的测试任务。系统的整体结构框图如图1所示,整个系统由计算机、USB 芯片FT245、两片FPGA、输出电源电压控制模块、计算机字信号发送模块、勤务信号发送模块、计算机字数码与指令数码接收模块和指令信号发送模块组成。模块化设计能够使在进行系统调试和硬件编程时,简单、快速的定位并解决问题。

硬件电路选用XILINX 公司的XC3S200-208和XC2S100-208两片FPGA 作为系统的逻辑控制中心,其中XC3S200-208作为主控芯片,主要实现对上位机的命令接收和判断,进而产生和发送计算机字信号,接收计算机字数码和指令数码并编帧、上传数据至上位机;XC2S100-208作为从控制芯片,完成128路指令信号的发送;两片FPGA 之间采用串行通信的方式发送控制命令来实现通讯。另外,通过上位机软件可以实现向系统发送复位或停止命令,这样能够减少硬件的功耗并提高测试系统的工作效率。
USB 接口模块实现
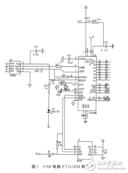
USB 具有成本低、通用性好、连接简单、支持热拔插等特点,而从系统实际的速率传输要求出发,设计采用通用USB 接口芯片FT245BM 实现与上位机的通信。FT245BM 主要的功能是在内部逻辑的作用下实现数据串/并双向转换,它的最大传输速率可以达到M/s.FT245BM 免去了复杂的固件编程及驱动程序的编写,能够简化USB 的接口设计,为系统节省设计时间。

FT245BM 的8位数据线D7~D0、读信号RD、写信号WR、发送使能TXE、接收数据完毕信号RXF 与FPGA 连接,来完成两者的通信。计算机通过应用程序、动态链接库的有效配合将控制命令信号发送到FT245BM,FPGA 利用与之相连的I/O 口接收下发的控制命令或是发送上传的测试数据。
输出电源电压控制模块实现
由于需要为被测数字量变换器提供3档工作电压25V、28V、31V,在电源模块输出端连接三种不同阻值的电阻,就可以实现3种电压的切换,实现控制的电路如图3所示。

图中VCON+,VCON-为电源模块的输入电压,R25、R26、R27三组电位器用来调节电阻。25VCON、31VCON 分别与FPGA 的I/O 相连,是FPGA 给出的控制信号,电路中三极管的作用是利用其电流放大来增加信号的驱动能力。通过FPGA 对控制命令的判断来实现3档电压的控制。此外,系统的默认及复位的输出电压为28V。
计算机字信号发送模块实现
由于要求计算机字和移位脉冲的幅值都为8~10V,所以电路中采用运算放大器电路对FPGA 输出的信号进行放大来获取所需幅值的信号。计算机字信号发送电路如图4所示。

为了满足输出信号的精度和电流驱动能力的要求,本模块中采用AD 公司的运放AD811来设计电路。此运算放大器是高速运放,采用双电源供电,2500V/us 是其最高转换速率,具有较低的电流、电亚噪声。设计中采用同相放大电压串联型负反馈电路,输出电压稳定并且反馈效果好。电路中R83的接地是为了尽量减小由于偏置电流引起的电压失调,其阻值等于R22和R60的并联阻值,为R22//R60=666Ω。
勤务信号发送模块实现
计算机字信号和指令信号都有相应的勤务信号来满足时序要求,一般勤务信号就是指帧、码同步信号,对其他信号的产生和接收起到时序基准同步的作用。指令勤务信号的电路原理如图5所示。计算机字勤务信号与其原理相同。根据系统的信号输出要求,即帧、码同步信号的幅值和电流驱动能力的要求,采用非门芯片SN5405J 作为驱动电路来满足设计要求。

数码接收模块实现测试系统需要接收经变换器处理之后的信号,变换器以数码方式回传给测试系统,包括计算机数码和指令数码,两者的接收原理相同。设计采用光耦隔离的方式对数码信号进行接收,其电路原理图如图6所示。

光电耦合器采用TI 公司的HCPL-2631,它具有电绝缘能力和抗干扰能力,并且能有效的抑制各种噪声和尖峰脉冲干扰。它的两个输入端分别接收计算机字数码和指令数码,其中在光耦输入端连接的二极管作用是用来防止信号反跳造成内部二极管烧坏。
指令信号发送模块实现
指令信号是指一种断开或闭合的开关量信号。此模块的128路指令信号全部采用光耦继电器来实现,依据参数要求选择AQY210作为控制开关的器件,它的特点是耐高压,反应速度快,使用时间长。其单路指令信号发送电路原理如图7所示。

由由于指令信号的路数比较多,如果FPGA 的I/O 口输出直接驱动AQY210,势必会增加FPGA 的功耗。因此采用三极管对FPGA 的输出信号进行电流放大来提高控制信号的驱动能力。本设计采用NPN 型三极管3DK103,图中3order1是FPGA 的输出信号,其为‘0’时,三极管截止;其为‘1’时,三极管处于电流放大,流经光继电器发光管的电流13mA 足以使AQY210导通。
测试系统充分利用FPGA 强大的内部逻辑功能和与外围硬件电路的设计,来达到系统的测试功能。通过测试系统和数字量变换器的联试,验证了系统各项的输出,对数字量变换器的性能做出权衡性的检测。
本文以FPGA 为控制核心,开展数字量变换器测试系统设计, 系统通过USB 实现与计算机的通信,能够产生计算机字信号及相应移位脉冲信号、勤务信号和128路指令信号,并能接收经过数字量变换器变化后的计算机数码和指令数码信号,测试系统能够完成对数字量变换器各项性能指标的测试。实验表明,测试系统精度及可靠性高、实时性好,已经成功应用于某遥测系统中。
。 (本文来源网友上传,如有侵权,可联系管理员删除)
版权声明:网站转载的所有的文章、图片、音频视频文件等资料的版权归版权所有人所有。如果本网所选内容的文章作者及编辑认为其作品不宜公开自由传播,或不应无偿使用,请及时联络我们,采取适当措施,避免给双方造成不必要的经济损失。