一、RF信号输入电路分析与检修
本机所用单芯片MST6M69FL(U39),支持8路模拟输入端口,可直接对模拟复合视频、S-VIDEO视频进行解码。LT42710FHD机型采用的是一体化高频头,高频头电路如图1所示。一体化高频头U30(TMI8-C2211VH)引脚功能见表1。

1、信号处理电路
RF模拟电视信号进入调谐器U30,在内部解调、混频成IF信号,再进人中频放大器IC,经过中频放大、解调,从U30(12)脚输出CVBS视频信号,先经R402、R394分压,R173、L69耦合,再由R192、C59和R195、C60形成差分信号,送至主芯片U39的(46)、(47)脚。差分信号输入增强了信号的稳定性。同时,U30解调出的音频信号送给U39的(58)、(59)脚。若U30(12)脚无正常的视频信号输出(可用示波器测视频信号波形,也可测直流电压来初步判断:有信号时为0.8V;无信号时为1.2V),需先检查外围元件。
2.调谐电压形成电路
调谐电压形成电路由D70(BAS62-A13)、D72(BAS62-A13)、 D74(μPC574)等元件组成。稳压器U45(LM2596-ADI)的②脚输出频率为150kHz、幅度为24V的方波脉冲,送至倍压整流电路,然后输出稳定的+33V电压至U30的③脚,为高频头提供稳定的33V调谐电压,供调谐器内部的变容二极管选台时使用。
二、AV信号输入电路分析
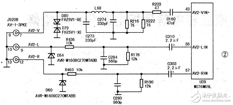
1.AV2输入电路
AV2视频信号从AV插座J920B输入,经L68、R216、R203、C160耦合至U39的(43)脚,如图2所示。二极管D80、D79起保护作用。AV2音频信号(AV2-Lin)从AV插座J920B输入,经D54、R438、C284、R176低通滤波(对干扰信号抑制后)进入U39(56)脚。二极管D54起保护作用。AV2音频信号(AV2-Rin)从AV插座J920B输入,经D60、R463、C280、R190低通滤波后进人U39(57)脚。二极管D60起保护作用。

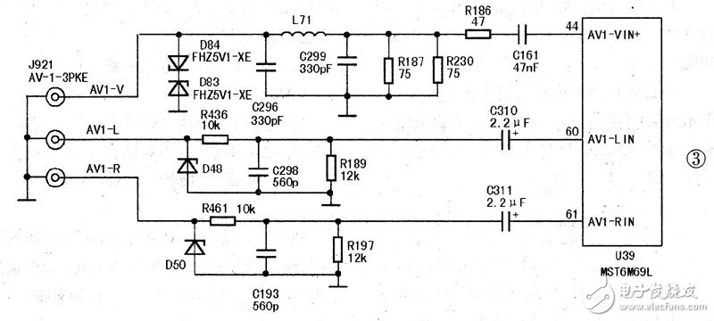
2.AV1输入电路
AV1视频信号从侧AV插座J921输入,经电感L71、电阻R186和电容0,161耦合至U39(44)脚,如图3所示。D84、D83是保护二极管,防止输入信号幅度过高或静电损坏U39.AV1音频信号(AVl-Lin)从AV插座J921输入,经D48、R436、C298、R189低通滤波后,再经电容C310耦合至U39(60)脚。AV1音频信号(AVl-Rin)从AV插座1921输入,经R461、R197、C193低通滤波后,再经电容C311耦合至U39(61)脚。

三、S端子信号输入电路分析
1、背面S端子电路
AV2-Y亮度信号经电感L80、电容C230耦合至U39(41)脚,电阻R459、R427是U39(41)脚参考接地电阻。AV2-C色度信号经L76和C199耦合至(40)脚。

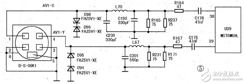
2.侧S端子电路
AVl-Y亮度信号经L67、R167、C175耦合至U39(39)脚,如图5所示。D95和D94是保护二极管。AVl-C色度信号经L70、R164、C176耦合至U39(38)脚。D98和D96是保护二极管。

四、YPbPr接口输入电路分析
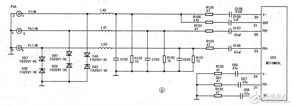
分量Y信号经电感L49后分为两路,如图6所示,一路经电阻R125隔离、C158耦合至 U39(30)脚;另一路经电阻R126隔离、电容C159耦合至U39(31)脚,作为Y同步信号。D45、D43是保护二极管。U39(29)脚是差分信号的Y-信号输入,外接电阻R133和电容C56。

Pb信号经L47、R124、C157耦合至U39(28)脚,(27)脚是Pb-信号输入,外接电阻R91和电容C57。Pr信号经L50、R123、C156耦合至U39(33)脚,(32)脚是Pr信号参考电压地电位,外接电阻R132和电容C58。若U39检测不到(31)脚正常的Y同步信号,则会出现高清无图现象;若输入的色差信号Pb或Pr不正常,将引起高清信号彩色异常。
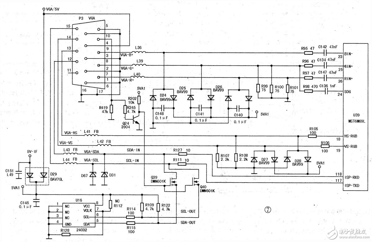
五、VGA接口输入电路分析
VGA基色信号通过接插件P3①~③脚进入,然后经电阻R95~R97隔离后,由电容C147、C134、C142耦合至U39(26)、(25)、(23)脚,如图7所示。双向限幅二极管D24~D26起保护作用,防止因静电或输入电压异常损坏集成块。经接插件P3②脚输入的G基色信号还通过R98隔离、电容C136耦合至U39(24)脚,作为同步信号使用。

行、场同步信号从接插件P3的(13)、(14)脚输入,经电感L41、L42及电阻R105、R106送至U39(8)、(19)脚。双向限幅二极管D27、D28起保护作用。存储器U16(24C02)是按照VGA格式要求,存储PC机能识别的电视机“身份”数据。P3(12)、(15)脚与存储器U16的⑤、⑥脚相连。P3④脚外接三极管Q24对输入到U16的SCL、SDA线进行通断控制。当接通PC机后,该控制信号使Q24导通,场效应管Q39.Q40导通,PC机总线与U16的⑤、⑥脚接通,完成相互通讯。,若VGA接口输入的行、场同步信号,或DDR通道及U39(24)脚输入的G同步信号不正常,将引起VGA无图故障;若输入的某一路基色信号不正常,将导致VGA图像彩色不正常。
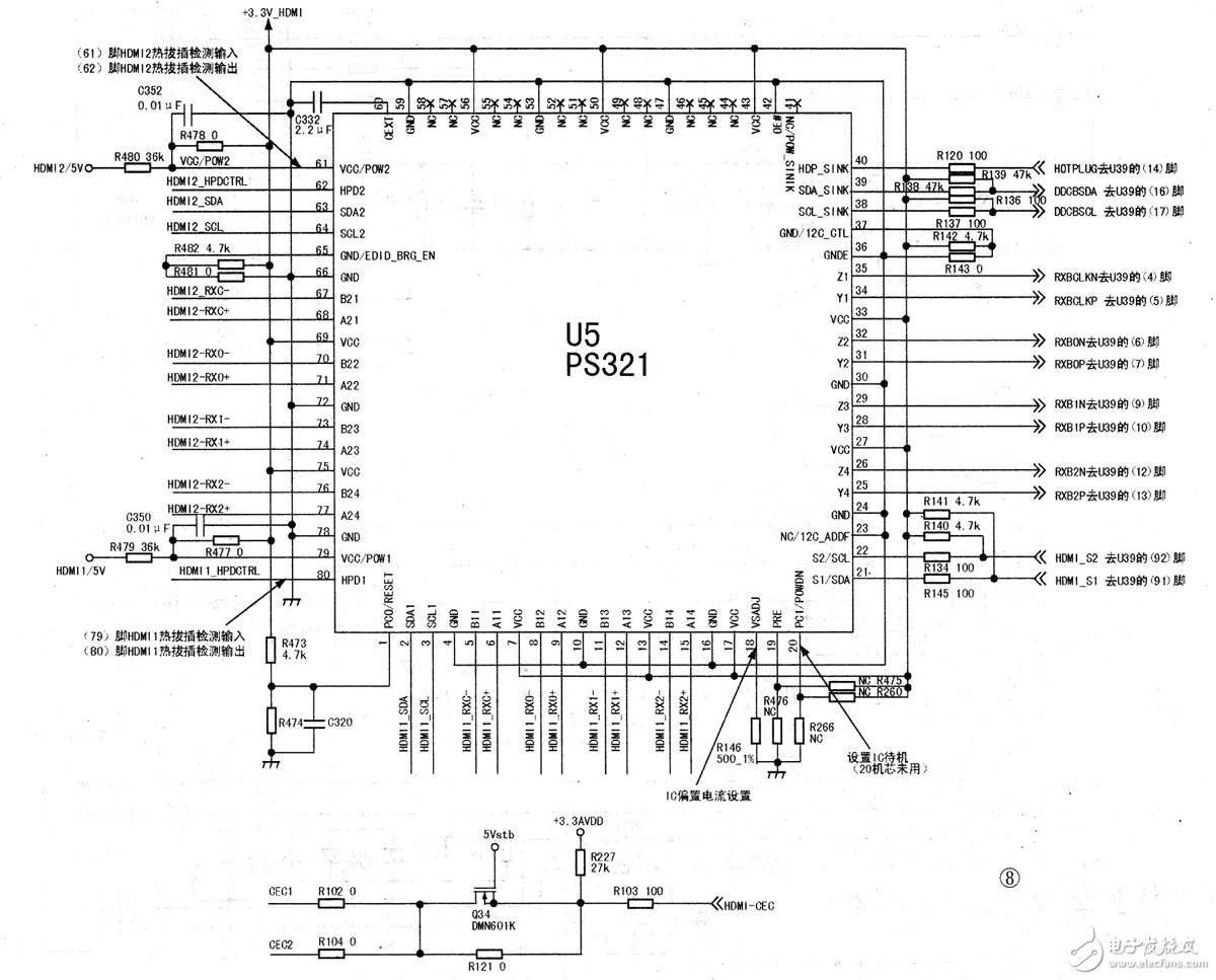
六、HDMI接口输入电路分析
HDMI接口电路主要由HDMI开关PS321,保护电路U20、U32和U34、U35,存储器 U14、U15等组成,如图8所示。本机有二路HDMI接收端口,同时还兼容DVI/HDCP接收标准。HDMI-1经接口Pl⑦/⑨、④/⑥、①/③、(10)/(12)脚输入后分为两路,一路送到U32、U20中,起保护作用;另一路送到U5(PS321)的⑤/⑥、⑧/⑨、(11)/(12))、(14)/(15)脚。从HDMI-1接口Pl的(15)、(16)脚送入的总线数据信号与U14(M24C02)的⑤、⑥脚相连,从中读取电视机硬件参数信息,以便HDMI对电视机身份识别,同时与U5(PS321)的②、③脚相连进行通讯。

当接通HDMI-1后,从HDMI-1接口P3(18)脚送人+5V电压,一方面为U14(M24C02)提供工作电压;另一方面经R78后为热拔插控制三极管Q8提供偏置电压。
当用遥控器或本机按键转换为HDMI-1状态时,U39的(14)脚输出热拔插识别信号到U5的(40)脚,经U5内部切换后从(80)脚输出HDMI-1接口热拔插识别信号(低电平),Q8截止,其c极输出高电平,经P3的⑩脚送至HDMI-1输出设备,作为识别信号。当输出设备检测到正常的热拔插信号后,就开始通过总线读取U14(M24C02)存储的E-EDID数据,读取正常后,再通过 I2C总线从U29(M24C04)中读取解密信息并进行密码交换。若在非HDMI状态,U5(80)脚输出HDMI-1接口热拔插识别信号(+5V高电平),Q8饱和导通,HDMI-1输出设备检测到P3的(19)脚低电平后停止信号输出。液晶电视要正常显示接收的HDMI-1接口的信息,则要求输入到切换芯片的低压差分信号(包含音视频信号、时钟信号及其他辅助信号)、热拔插信号、DDC通道及U509和U501的数据均正常。
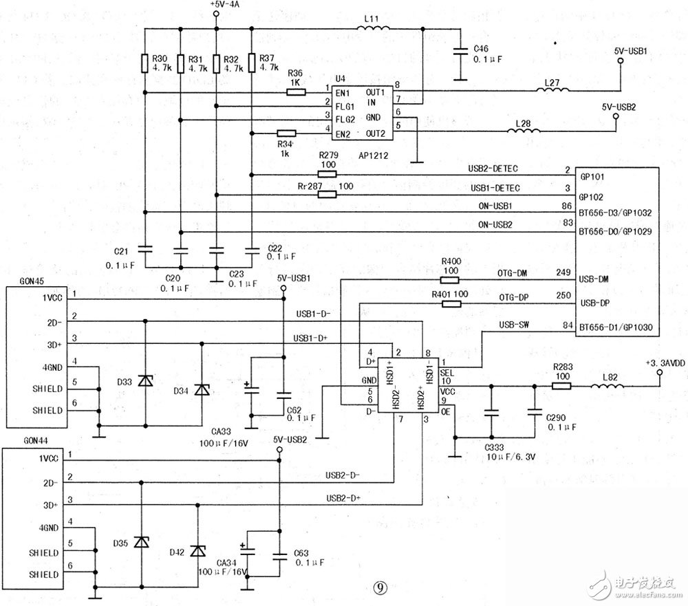
七、USB接口输入电路分析
U31( FSUSB30MUX)是低功耗双通道高速USB2.0切换开关。如图9所示,从USB1接口输入的信号送入U31的②、⑧脚,从USB2接口输入的信号送人U31的③、⑦脚。在U31的①脚选择信号的控制下,从U31的④、⑥脚输出到U39的(249)、(250)脚;当U31的①脚为高电平时,选择 USB2输入;当①脚为低电平时,选择USB1输入。

U4(AP1212HSL -13)是双路USB电源管理IC,通过高低电平开/关信号控制两路电源独立输出,并具有过流保护功能,当USB外接设备发生故障,且输出电流超过1A 时,1C会自动切断电源输出并产生故障指示信号。当用遥控器或本机按键转换为USB1状态时,U39的(26)脚输出高电平到U4的①脚,从⑧脚输出 5V-USB1电压给CON45插座。当用遥控器或本机按键转换为USB2状态时,U39的(83)脚输出高电平到U4的④脚,从⑤脚输出5V-USB1 电压给CON44插座。
。 (本文来源网友上传,如有侵权,可联系管理员删除)
版权声明:网站转载的所有的文章、图片、音频视频文件等资料的版权归版权所有人所有。如果本网所选内容的文章作者及编辑认为其作品不宜公开自由传播,或不应无偿使用,请及时联络我们,采取适当措施,避免给双方造成不必要的经济损失。