当今70%的汽车商选用RKE系统,或将其作为一个标准。RKE系统主要由按键加密发送器和车内内置接收器组成,结构框图如图1所示。它们主要用在汽车门控制、无线传感器、汽车无线胎压监测TPMS等方面,使用的频率是315 MHz、433.92 Hz。欧洲同时开放了868 MHz频率来适应RKE系统的增长需求。

图1 RKE系统结构框图
RKE系统的用户可以通过钥匙链发送数据来打开和关闭汽车门。图1中,用户可以按下按键开关来发起与接收机的通信,通过一串64~128位长度的数据流进行发送器和接收器的会话。该数据流包括前引导码、命令码和一串加密滚动码。通信速率通常选用2~20 kHz之间,采用ASK调制方式,主要为了延长发送部分钥匙链中电池的使用寿命。
功率设计
设计中主要考虑的是低电流消耗情况下的高可靠性、系统的成本以及发送器和接收器的寿命。对于发送器,电池寿命在3~5年是可以满足要求的。电池寿命对于接收器件也很重要,因为接收器件必须总是在线侦听发送端数据,典型的电流要求不超过1 mA。一个设计方法是,在一定时间内,接收端保证能够检测到有效的发送信号;为了最大限度地节约电量,接收器在其他的时间睡眠。
安全性设计
系统的安全性也是一项主要考虑的因素。通过采用Microchip公司专为RKE系统设计的使用DES算法的安全密钥芯片HCS300来实现系统数据的安全加密,防止发送的数据被恶意盗取拷贝;同时在接收端使用MC9RS08KA2进行解密和继电器控制。HCS300的操作电压为2.0~6.3 V,是一个可编程28位串行码、64位加密键值、66位发送长度、32位跳频码、4位按键码、2位状态码,具有键值读保护措施的芯片。
DES编码、解码图如图2和图3所示。

图2 DES编码图

图3 DES解码图
16位的同步计算器,在每次发送代码后都要发生改变。它随按键的次数而增加。根据DES算法加密,在每次发送的代码中,由于同步计数器的变化而使得每次发送的代码有大于50%的部分不一样。图2说明在编码过程中如何使用HCS300的内部可编程EEPROM,一旦编码器检测有按键按下,它就立即读键值,同时刷新同步计数器。按键和同步计数器经过加密算法处理,输出数据是32位的加密信息。携带按键信息的32位代码和串行码组成了整个发送码,将被接收部分接收到。
解码部分必须先学习发送端的数据码,学习包括计算发送端的键值、解密32位的加密信息和可编程阵列中的串行码、同步计数器以及键值。在正常的操作模式中,每次接收到的有效格式的信息都被计算。串行码用于表示发送码是否被学习过。如果发送码被学习过,那么它的信息被解密和同步计数器值校验,最后接收系统执行按键操作请求。图3表示了接收部分接收到的信息和它的可编程EEPROM(设计中使用AT24C02)中存储信息的关系。
射频收发器件和微处理器特性
为了保证系统能够在较低电流消耗的情况下,有较高的发射功率和接收灵敏度,系统选用了Maxim公司的MAX1473接收芯片和MAX7044发射芯片。MAX7044发射芯片工作电压为+2.1~6.0 V,7.7 mA的低工作电流,250 μs的启动时间。通信速率能达到100 kbps,小封装3 mm&TImes;3 mm,8引脚SOT23封装。它消除了基于SAW发送器设计的问题;采用晶体结构,提供了更大的调制深度和快速的频率响应机制;降低了温度的影响,温度范围可达-40~125 ℃。
硬件设计图
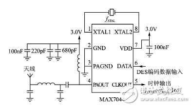
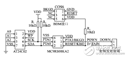
按键DES硬件加密部分电路如图4所示。发送部分射频前端电路如图5所示。接收部分射频前端电路如图6所示,元器件参数如表1所列。接收部分微处理器控制电路如图7所示。

图4 按键DES硬件加密部分电路

图5 发送部分射频前端电路

图6 接收部分射频前端电路

图7 接收部分微处理器控制电路
MAX1473接收芯片采用3.3 V锂电池供电,250 μs启动时间,小于2.5 μA的待机模式工作电流,-114 dBm的灵敏度;采用TSSOP 28引脚封装设计。MC9RS08KA2作为Freescale公司新推出的一款集成多个功能的高性价比MCU,具有键盘中断和高达20 MHz的内部时钟,以及8位模计数器,2 KB Flash空间,63字节RAM;同时有等待和3种停止模式,满足系统的超低功耗设计(设计中电流小于1 μA),以及简易的6引脚BDM编程调试接口,便于系统的实时升级。设计中采用6引脚DFN精密小引脚封装,满足系统的小体积要求。
通过结合多家外围器件和微处理器件,利用Microchip KEELOQ芯片的安全性,Maxim的射频芯片的可靠性、稳定性和Freescale微处理器的高集成度及性价比,整合各家优势,提高了系统的整体性能。通过实际运行,系统达到了预先设计的要求。本次设计只使用了2个按键,根据需要可以外扩功能按键达到15个,用于实现不同的控制信息要求。设计人员可以根据自行需要进行相应的扩展。
。 (本文来源网友上传,如有侵权,可联系管理员删除)
版权声明:网站转载的所有的文章、图片、音频视频文件等资料的版权归版权所有人所有。如果本网所选内容的文章作者及编辑认为其作品不宜公开自由传播,或不应无偿使用,请及时联络我们,采取适当措施,避免给双方造成不必要的经济损失。