随着单片机技术的飞速发展,以及电动机驱动芯片性能的日益完善,本设计系统通过单片机控制直流电动机实现了电动车在符合规定要求的跷跷板上的规定运动:在规定时间内的前进、后退运行;跷跷板处于平衡状态时以及到达跷跷板末端的停车候时;分阶段实时显示其行驶所用时间。该设计系统采用双CPU设计思路:选用AT89S52作为主CPU,主要完成对数据采集系统的数据处理,控制,电动车的实时显示,以及主从CPU的通信功能;选用 AT89C2051作为从CPU,控制电机的转速。该设计系统中采用脉冲宽度调制技术(PWM)实现对直流电动机的准确与灵活调速。
检测电路
光电传感器广泛应用于检测电路中,按结构形式可以分为反射式和对射式。本设计系统中电动车的行车路线检测,起停检测电路都要有反射式光电传感器完成,我们直接选用TCRT5000传感器,它是将一对红外发射、接收对管按合理的发射、反射接收角度安装在一个封装内,从而安装使用非常方便,测试准确度高;而平衡性检测电路由对射式光电传感器完成,此发射接受电路是有分立器件自行安装、调试的,测试结果理想。
对射式光电传感器也是由红外线发射管、接收管构成,并且二者位于同一直线上,相距约10~20mm,两管间没有障碍物时接收管接收到的红外线明显不同于有障碍物时,这样在接收端就会产生高低电平信号。为了让电动车行驶到C点,跷跷板达到平衡,我们制作了一个圆筒,并将其水平放在小车上,通过检测其内的小球所处的位置来调整电动车的位置,从而达到板的平衡。其检测原理图参见附录图3所示,在设计中,我们在圆筒的两端分别安装一个对射式光电传感器。

图3 对射式光电传感器原理和电压比较器电路
直接对光电传感器电路进行测试时发现,没有障碍物时,输出电压可达到4.4V,有障碍物时电压只有0.2V,由于接收端易受到干扰,应将采集到的信号经过整形,比较电路,使其输出能够满足TTL逻辑电平,并且可以改善输出端的抗干扰特性。施密特触发器的整形功能比较强,但是电压不易调节,若利用电压比较器,只要提供合适的参考电压,就可以精确地输出脉冲波形,综合考虑我们选用性能较好的电压比较器电路。其原理图如图 1.3.2所示。
驱动电路
在本设计系统中,选用的是ST公司的L298N电机专用驱动芯片。该芯片的主要特点是:工作电压高,最高工作电压可达46V;输出电流大,瞬间峰值电流可达 3A,持续工作电流为2A;内含两个H桥的高电压大电流全桥式驱动器,可以用来驱动直流电动机和步进电动机、继电器、线圈等感性负载;采用标准逻辑电平信号控制;具有两个使能控制端,在不受输入信号影响的情况下允许或禁止器件工作有一个逻辑电源输入端,使内部逻辑电路部分在低电压下工作;可以外接检测电阻,将变化量反馈给控制电路。
由L298N构成的驱动电路参见附录图4所示。

图4 驱动电路
显示电路
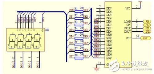
采用LED显示,其特点是亮度大,视觉效果好。LED显示按不同分类方法可分为串行显示和并行显示也可分为静态显示和动态显示。可采用的方法有:MAX7219串行动态显示、74HC164串行静态显示、8279并行动态显示等多种方法。由于本设计采用干电池供电,在电路设计中应尽量降低功耗。采用LCD显示。液晶显示器集成度高,减少器件数目降低了功耗,同时也降低了电路的复杂性。而且液晶显示器本身功耗很小,非常适合于这种电源容量有限的系统。但是液晶显示也有其缺点,就是显示亮度不够,视觉效果不是很好。综合考虑题目要求,我们选用功能强大的CH451,它整合了数码管显示驱动和键盘扫描控制以及uP监控的多功能外围芯片。由CH451构成的显示电路参见附录图5所示。

图5 显示电路
本设计在完成基本要求方面,精度基本上达到了要求,由于受电动车本身的性能所限,我们很难实现对其方向的精确控制,因此只完成了题目的基本要求。
。 (本文来源网友上传,如有侵权,可联系管理员删除)
版权声明:网站转载的所有的文章、图片、音频视频文件等资料的版权归版权所有人所有。如果本网所选内容的文章作者及编辑认为其作品不宜公开自由传播,或不应无偿使用,请及时联络我们,采取适当措施,避免给双方造成不必要的经济损失。