随着电子信息技术应用面日益拓展,不少场合需要对特定用户群体进行身份识别或身份记录,如门禁系统、考勤系统、安全认证系统等,在各种系统中运用的技术形式多样,如视网膜识别、面相识别、指纹识别、RFID射频识别应用等。其中,生物特征识别方式以其方便性强、安全性高等特点得到了越来越多人的认可和接受,特别是指纹识别技术方式,现已发展成为应用最广泛的生物识别技术之一。因此,研究基于嵌入式架构的指纹识别系统具有现实意义和广阔的应用前景。
ARM光学指纹识别系统
系统采用光学指纹传感器(内建格科微电子有限公司的光学GC0307 CMOS 图像采集芯片)与ARM Cortex M3 内核意法半导体公司的32 位高性能单片机STM32F205RE 组成功能主体,采用Sobel 边缘检测算子、Gabor 滤波、图像二值化等图像采集与处理算法对指纹图像进行识别,构建了小体积的嵌入式指纹识别模块,具有积木式嵌入、微功耗、程序接口简单易用、便于二次开发、识别准确度高、高性价比等特点。整个系统设计构成了一体化光学指纹识别模块。模块设计采用光学暗背景成像原理,加入特有活体检测芯片,在解决干手指效应的同时解决残留指纹误识别、橡胶假指纹等问题。
图1 所示为格科微电子有限公司的光学GC0307 CMOS 图像采集芯片应用电路原理图。该款CMOS 图像采集芯片是高精度、低功耗、微体积的高性能相机的内置式组件,它把实现优质VGA 影像的CMOS 影像传感器与高度集成的影像处理器、嵌入式电源和高质量的透镜组结合在一起,输出JPEG 图像或图像视频流,支持8/10 位数字传输JPEG 图像和YCbCr 接口,提供了完整的影像解决方案。

CMOS 图像采集芯功能输出串行数据引脚、时钟信号引脚、复位引脚、串行总线引脚等都接入到STM32F205RE的GPIO 口, 通过GPIO 口模拟时序读取CMOS 芯片采集到的图像信息。由于STM32F205RE 的GPIO 口工作频率可达120 MHz,因而可以非常准确高效地模拟时序,实测640&TImes;480 的原始图像能以10 帧/s 的速度采集到主处理器STM32F205RE 中进行图像处理。
采用ARM处理器作为控制核心,构建指纹识别算法的嵌入式系统的设计方法及过程。该系统采用光学指纹传感器(内建格科微电子有限公司的光学GC0307CMOS图像采集芯片)与ARM Cortex M3内核的意法半导体公司32位高性能单片机STM32F205RE组成功能主体,采用Sobel边缘检测算子、Gabor滤波、图像二值化等图像采集与处理算法对指纹图像进行识别。经过反复实践证明,该方案适合嵌入式组件开发中需要进行生物指纹特征提取、识别,指纹身份认证、比对等场合。系统具有高性价比且交互简易、识别率高、扩展性强,便于嵌入式应用。
MBF200固态指纹传感器
MBF200是富士通公司推出的一款先进的固态指纹传感器,它除可自动检测指纹外,还带有多种接口模式,为电容性传感器,其电容性传感器阵列由二维金属电极组成,所有金属电极充当一个电容板,接触的手指充当第2个电容板,器件表面的钝化层作为两板的绝缘层。当手指触摸传感器表面时,指纹的高低不平就会在传感器阵列上产生变化的电容,从而引起二维阵列上电压的变化,并形成指纹传感图像。采用标准C13MS技术的电容性固态器件,具有500 dpi的分辨率,传感器面积为1.28 cmxl.50 cm.具有自动指纹检测能力,内含8位模数转换器,可提供3种总线接口形式。5 V工作电压下的功耗小于70 mW. 1.2以太网接口电路设计AT91SAM7X256内部集成有MAC控制器,可支持MII接口和RMII接口。RTL820lBL则是工业级带有MII接口的10/100 Mb/s低功耗以太网收发器,25 MHz时钟输出,智能降功耗模式,可为系统提供稳定可靠的优质网络解决方案,为工厂企业及其他恶劣的操作环境架设可支持实时传输的以太网,符合IEEE 802.3u的技术标准。以太网接口电路原理图如图2所示。

图2以太网接口电路原理图
运用单片机指纹识别系统电路模块设计
利用指纹识别传感器进行指纹采集与识别,在单片机中对指纹进行处理,用按键标志当前指纹识别的状态,录入状态,识别状态,清除状态,用液晶1602能够显示当前指纹识别的状态信息;用继电器对当前信息进行判断,例如提醒当前指纹识别错误;利用蜂鸣器和LED等提醒当前指纹识别是否正确。

该系统首先由数字摄像头ov6620采集指纹,并将指纹图像转化为数字图像;然后用16位的飞思卡尔X128单片机对指纹数字图像进行预处理,再通过图像增强、分割、平滑、细化等处理过程得到便于指纹特征提取的数字图像:接着提取细化后的图像细节特征点; 然后将指纹信息数据送入STC89C52单片机中,一块液晶1602与STC89C52单片机相连,液晶用于显示当前指纹采集系统的工作状态和经对比后指纹采集的信息是否正确,用一个蜂鸣器和LED指示灯指示当前采集的指纹信息正确。当采集到的指纹信息正确,蜂鸣器发出响声并且LED指示灯点亮。
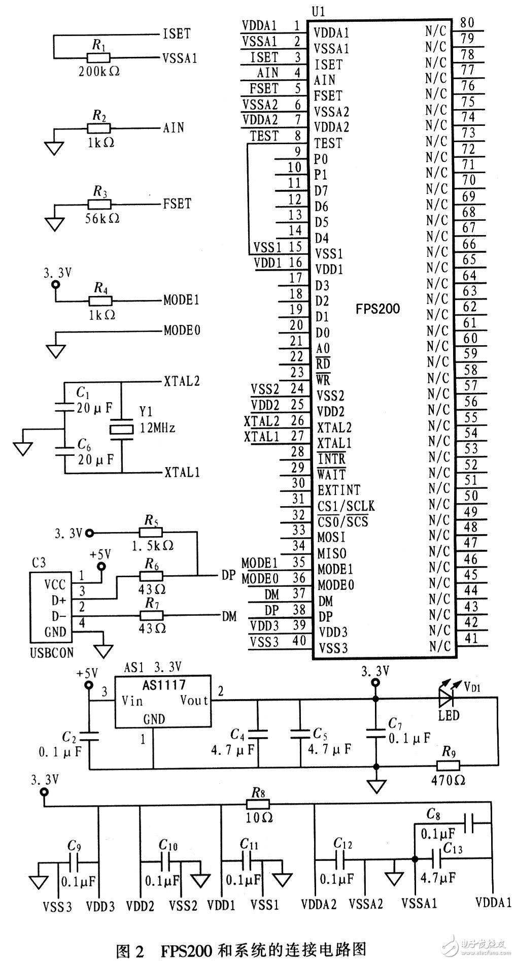
FPS200固体指纹识别传感器设计
现有的光学传感器的体积都较大,成像结果要经过变换才可以使用。该采集系统采用Veridicom公司的FPS200固体指纹识别传感器设计而成。 FPs200是一种性能优越,功耗低,价格便宜的指纹识别传感器。由于其特殊的EDS保护,特别窄小的物理尺寸,以及独特的省电特性,使传感器尤其适合嵌入式系统使用。主要原理是,在指纹图像感知区域集成了二维金属电极阵列,每根电极充当电容一极,在传感器表面,二极之间有一层钝化层作为电容的介电层。由于指纹的脊和谷与传感器接触时会产生不同的电容值,测量这些不同的数值即形成图像。

与同类产品相比,FPS200的性能特点如下:
(1)支持多接口模式。FPS200有3种接口模式,8位的系统总线接口,集成全速的USB接口和集成的串行外设接口,使芯片的应用设计更加灵活。芯片集成USB控制器,大大减少了USB电路设计的工作量,同时USB接口协议支持更高的传输速率;(2)自动指纹检测功能。FPS200可自动检测手指是否放在传感器上,如果有,则进入工作状态;否则,进入睡眠状态。此设计不需轮询检测指纹,提高了芯片的丁作效率;(3)FPS200内部包括一个新的二阶的A/D转换器,功耗低(75%);FPS200传感器单元间距变小,提高了传感器阵列的机械强度。
系统采用USB接口模式,设计中请注意:①FPS200的工作电压是3.3~3.6 V,而USB的供电电压是5 V,所以要用电压转换芯片实施电压转换;②FPS200通过MODEl和MODEO 2个引脚来实现接口模式的选择。在USB接口模式下,将微处理器接口模式和SPI予以屏蔽。此时MODE[1:0]=l0b,采用FPS200内部 ROM;其他部分引脚CS0,CSl,MOSI,MOSO被屏蔽,引脚悬空;XTAL1与XTAL2之间接12MHz晶体电路;FPS200内部的多频振荡器不工作。图2给出FPS200传感器和系统的连接电路。

系统微处理器模块采用ARM2440开发系统,该系统采用Samsung公司的ARM处理器S3C2440,由6层板设计。该开发系统在尽可能小的面板上 (120mmx90mm)集成64MBSDRAM,64MB NAND Flash,lMB B00T Flash,RJ一45 网卡,音频输入和输出,USB Host,USB Slave,标准串口,SD卡插座等设备接口,支持LCD/STN液品屏接口,可以接各种单色,伪彩,真彩液晶屏,并含有触摸屏接口。通过预留的USB口可实时地将数据导入U盘或者PC机硬盘中。现在的SD卡成本低,容量大,所以存储模块采用SD卡进行图像存储。液晶显示模块采用Samsung公司的3.5寸TFT(带触摸),通过液晶屏的触摸功能或USB鼠标,可以方便的对测试系统进行窗口化操作。
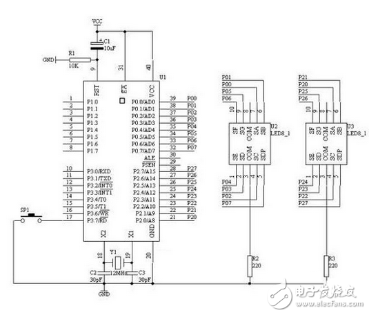
指纹识别系统电路
工作原理:当指纹传感器收到指纹信息,将通过串口给单片机发送命令,单片机同意并接收相应的信息,指纹传感器采集的指纹转换成RGB格式,并且数据传输到单片机,单片机通过存储在EEPROM中的固化程序执行大量的模式识别和图像处理相关计算,当用户的指纹被确认,单片机将命令执行机构动作,开关开。硬件特性:80C51单片机是在8051的基础上发展起来的,8051单片机与80C51单片机从外形看是完全一样的,其指令系统、引脚信号、总线等完全一致(完全兼容),主要差别就在于芯片的制造工艺上。80C51的制造工艺是在8051基础上进行了改进。 8051系列单片机采用的是HMOS工艺:高速度、高密度; 80C51系列单片机采用的是CHMOS工艺:高速度、高密度、低功耗;
采用8051作为指纹识别系统的核心处理器,使用单片机内部的4K程序存储器,接+5V电源。 复位电路则采用简单RC复位电路,同时又可与一些需要复位的外围电路相连,达到复位与单片机同步。 /EA/Vpp为访问内部或外部程序存储器的选择信号。由于8051单片机有4K的内部程序存储器,又外接了128Kx8的EEPROM存储器,故该引脚必须接+5V高电平。/PSEN为外部程序存储器读选通控制信号。此电路中无扩展程序存储器。故该脚悬空。 串口通信接口设计采用MAX232实现TTL与RS-232的转换,实现与计算机通信。

电源电路
当指纹识别系统工作时,需要+5V电源,为了使整个系统结构紧凑,在本设计中,将220v交流电源到+5V直流电的转换电路和识别控制器集成在一块电路板上,其中的电路原理图:

当220V通过变压器后,得到10伏电源Vi,在电路的输入端与公共地之间,加上经整流后的不稳定直流电压Vi,在输出端便能得到固定的输出电压。为了改善纹波特性,在输入端外接电容,一般i C取值为0. 33uF,并紧接在稳压块的 输入端;在输出端连接电容0 C,这样可以改善输出电压的纹波特性,一般0 C选 为0. 1 uF 。
编辑点评:针对目前的指纹识别设别存储量小、处理速率慢的现状,采用高性能的51系统单片机作为处理核心,实际实现了一款高性能的网络指纹采集识别终端。系统利用数据处理服务器海量存储及处理速度高,可实现快速复杂匹配算法的优点,系统采集苏率高,识别性能好。总的来看,本文主要介绍了ARM光学指纹识别系统、MBF200固态指纹传感器、FPS200固体指纹识别传感器以及8051指纹识别系统电路设计,侧重于电路路原理分析与过程详解,以供读者品读。
。 (本文来源网友上传,如有侵权,可联系管理员删除)
版权声明:网站转载的所有的文章、图片、音频视频文件等资料的版权归版权所有人所有。如果本网所选内容的文章作者及编辑认为其作品不宜公开自由传播,或不应无偿使用,请及时联络我们,采取适当措施,避免给双方造成不必要的经济损失。