传统非隔离的RS232常会因回路的地弹、浪涌、静电、热插拔等导致损坏。RSM232系列隔离收发器采用特有的光电隔离技术,可以有效的保护RS-232串口设备,适用于环境恶劣的工控、电力、医疗等领域。
应用实例

图 1 实物连接图
为什么选择RSM232系列隔离收发器模块?
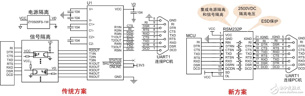
RSM232系列隔离收发器采用电源隔离和信号隔离,使通讯总线和控制板应完全隔离,
这样不仅可以减少总线上的干扰,更能提高系统安全和可靠性。
致远电子RSM232系列隔离收发器由于其标准的波特率和良好的EMC特性,应用简单,已被广泛应用于汽车电子、仪器、仪表、石油化工、电力监控等领域。

图 2 常规隔离设计和使用RSM232P模块应用对比
RSM232系列隔离收发器保留了传统隔离电路的设计理念,包括电源隔离、信号隔离,更重要的是具有完善的测试系统以及先进的工艺保证产品的一致性,具有防水、防震、使用寿命长等众多优点。采用灌封工艺,能够对电路板以及电子元器件进行全面保护,使其免受潮湿、震动、过热、腐蚀以及辐射的影响,延长电子产品的寿命。采用一体化的隔离RS232通讯模块比分立元器件设计给客户带来的价值如表 1所示。
表 1 为客户带来的价值

根据不同的应用场合,选用对应的隔离收发器模块实现不同的输出接口。推荐型号如所示:
表 2 RSM232系列隔离收发器产品型号

。 (本文来源网友上传,如有侵权,可联系管理员删除)
版权声明:网站转载的所有的文章、图片、音频视频文件等资料的版权归版权所有人所有。如果本网所选内容的文章作者及编辑认为其作品不宜公开自由传播,或不应无偿使用,请及时联络我们,采取适当措施,避免给双方造成不必要的经济损失。