二次回路(secondary circuit) 定义:测量回路、继电保护回路、开关控制及信号回路、操作电源回路、断路器和隔离开关的电气闭锁回路等全部低压回路。由二次设备互相连接,构成对一次设备进行监测、控制、调节和保护的电气回路称为二次回路。是在电气系统中由互感器的次级绕组、测量监视仪器、继电器、自动装置等通过控制电缆联成的电路。用以控制、保护、调节、测量和监视一次回路中各参数和各元件的工作状况。 用于监视测量表计、控制操作信号、继电保护和自动装置等所组成电气连接的回路均称为二次回路或称二次接线。
二次回路电路详解
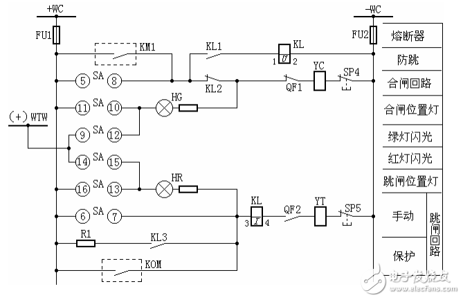
5、据图5 具有弹簧贮能操作机构的断路器控制、信号回路图说明各元件的名称,动作过程
答:图5 为SW4-110型断路器配弹簧操作机构的断路器控制、信号回路,在其合闸线圈中串有弹簧已贮能闭锁触点SQS1只有弹簧贮能后,才能合闸;当设有自动重合闸,如重合于永久性故障时,弹簧来不及贮能(需9S),故不能第二次重合。为可靠起见,仍加了“防跳”回路。
当KAC由跳闸位置继电器的KQT启动时,KQT线圈的一端应接至SQS与QF之间。如按以往接线,接于SQS之前,当KAC动作,重合于永久性故障后,此时弹簧贮能释放,SQS打开,KQT失电,断开KAC的启动回路,重合闸继电器中的电容又重新充电足够时,待弹簧重新贮能后,SQS闭合,KQT线圈带电,KAC启动,又进行一次重合闸。此种情况,如不及时断开控制开关,还会反复进行多次。

图5 弹簧操动机构的断路器控制、信号回路接线图
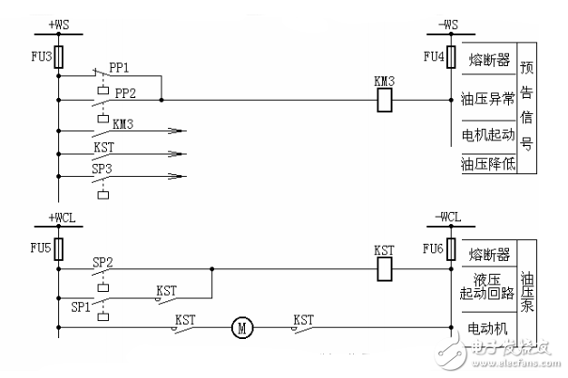
6、据图6 具有液压操作机构的断路器控制、信号回路图说明各元件的名称,动作过程
答:液压机构的工作压力,各厂家有一定差异,以北京开关厂出品CY3型为例,在20℃时,额定贮气筒压力为11.7±0.98MPa,额定压力17.65MPa,当温度变化1℃时,预充压力变化0.045 MPa。
图6 中,当液压低于14.72 MPa,合闸回路中的压力触点SP4断开,不允许合闸;当液压低于13.73 MPa,跳闸回路中的压力触点SP5断开,不允许跳闸,如电网运行允许,也可用这个触点启动中间继电器后,作用于跳闸。
当压力低于15.72 MPa,3SP3触点闭合,发出油压降低信号;当液压低于16.72 MPa时,触点SP1、SP2闭合,启动油泵打压,当油压上升到18.63 MPa时,SP1、SP2均断开,油泵停止打压。当压力低于9.8MPa或高于24.5,MPa时,由压力表的触点PP1、PP2启动KM3发出压力异常信号,还可以利用KM3常闭触点闭锁油泵电动机启动接触器的启动回路(图中未示出),防止当油压降到零时,启动油泵可能造成断路器的慢分事故。


图6 液压机构的断路器控制、信号回路接线图
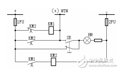
7、根据图7 由两个中间继电器构成的闪光装置接线图,说明动作过程
答:由两个中间继电器构成的闪光装置的原理接线见图7 所示。当某一断路器的位置与其控制开关不对应时,闪光母线(+)WTW经“不对应”回路,信号灯(HR或HG)及操作线圈(YT或YC)与负电源接通,KM1启动,KM1常开触点闭合,KM2相继启动,其常开触点将KM1线圈短接,并使闪光母线直接与正常电源沟通,信号灯(HR或HG)全亮;当KM1触点延时断开后,KM2失磁,其常开触点断开,常闭触点闭合,KM1再次启动,闪光母线(+)WTW经KM1线圈与正电源接通,“不对应”回路中的信号灯呈半亮,重复上述过程,便发出连续的闪光信号。KM1及KM2带延时复位,是为了使闪光变得更加明显。
图中,试验按钮SE的信号灯HW用于模拟试验。当揿下SE时,闪光母线(+)WTW经信号灯HW与负电源接通,于是闪光装置便按上述顺序动作,使试验灯HW发出闪光信号。HW经按钮的常闭触点接在正、负电源之间,因而兼作闪光装置熔断器的监视灯。

图7 由两个中间继电器构成的闪光装置接线图
8、根据图8 说明各符号元件的名称及动作过程
答:常用中央复归能重复动作的事故信号装置。所谓 中央复归能重复动作的事故信号,是指断路器自动跳闸后,为使值班人员不受音响信号长期干扰而影响事故处理,可以保留绿灯闪光信号而仅将音响信号立即解除。
图8 中KSP1为ZC—23型冲击继电器,脉冲变流器T一次侧并联的二极管V和电容器C起抗干扰作用;二次侧并联的二极管V的作用是将T的一次侧电流突然减小而在二次侧感应的电流旁路,使干簧继电器KR不误动(因干簧继电器动作没有方向性)。其原理是当断路器事故分闸或按下试验按钮SE1时,脉冲变流器T一次绕组中有电流增量,二次绕组中感应电流起动KR,KR动作后起动中间继电器KM。KM有两对触点,一对触点闭合起动蜂鸣器HB,发出音响信号;另一对触点闭合起动时间继电器KT1,经一定延时后,KT1起动KM1,KM1动作后,使KM失磁返回,于是音响停止,整个事故信号回路恢复到原始状态。

图8 用ZC-23型冲击继电器构成的事故信号装置回路接线图
准备第二台断路器跳闸时发出音响,不对应启动回路如图9 。图8 中常开触点KM2是由预告信号装置引来的,所以自动解除音响用的时间继电器KT1和中间继电器KM1为两套音响信号装置所共用。
为能试验事故音响装置的完好与否,另设有试验按钮SE1,按SE1时,即可启动KSP1,使装置发出音响并按上述程序复归至原始状态。
按下手动复归按钮也可使音响信号解除。

图9
编辑点评:二次回路图的最大特点是逻辑性很强,其设备、元件的动作严格按照设计的先后顺序进行,所以看图时只要抓住一定的规律:先一次,后二次;先交流,后直流;先电源,后接线;先线圈,后触点;先上后下;先左后右。
系列回顾
二次回路电路原理图及讲解(一)——电路天天读
接着读
二次回路电路原理图及讲解(三)——电路天天读
二次回路电路原理图及讲解(四)——电路天天读
。 (本文来源网友上传,如有侵权,可联系管理员删除)
版权声明:网站转载的所有的文章、图片、音频视频文件等资料的版权归版权所有人所有。如果本网所选内容的文章作者及编辑认为其作品不宜公开自由传播,或不应无偿使用,请及时联络我们,采取适当措施,避免给双方造成不必要的经济损失。