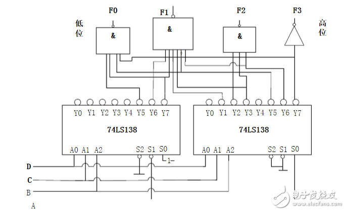
用74ls138实现2位二进制乘法器
74LS138为3线-8线译码器,共有54/74S138和 54/74LS138两种线路结构型式,其工作原理如下:
当一个选通端(G1)为高电平,另两个选通端(/(G2A)和/(G2B))为低电平时,可将地址端(A、B、C)的二进制编码在一个对应的输出端以低电平译出。利用 G1、/(G2A)和/(G2B)可级联扩展成 24 线译码器;若外接一个反相器还可级联扩展成 32 线译码器。若将选通端中的一个作为数据输入端时,74LS138还可作数据分配器。

无论从逻辑图还是功能表我们都可以看到74LS138的八个输出引脚,任何时刻要么全为高电平1—芯片处于不工作状态,要么只有一个为低电平0,其余7个输出引脚全为高电平1。如果出现两个输出引脚同时为0的情况,说明该芯片已经损坏。
使用74138和必要的门电路设计一个乘法器电路。能实现两位二进制数相乘,并输出结果。

两位二进制数相乘真值表。设两个乘数是AB和CD,结果是F3F2F1F0

写出最小项逻辑表达式:
F3=m15
F2=m10+m11+m14→F2=(m10’m11’m14’)’
F1=m6+m7+m9+m11+m13+m14
F0=m5+m7+m13+m15
。 (本文来源网友上传,如有侵权,可联系管理员删除)
版权声明:网站转载的所有的文章、图片、音频视频文件等资料的版权归版权所有人所有。如果本网所选内容的文章作者及编辑认为其作品不宜公开自由传播,或不应无偿使用,请及时联络我们,采取适当措施,避免给双方造成不必要的经济损失。