LPC1788是一种适合嵌入式应用的Cortex-M3微控制器,具有较高的整合度和低功耗,运行频率为120 MHz。功能包括512 kB闪存、96 kB数据存储器、以太网、USB 2.0设备/主机/OTG、8通道DMA控制器、5个UART、2个CAN通道、3个SSP/SPI、3个I2C、I2S、8通道12位ADC、10位DAC、QEI、LCD控制器、SD/MMC接口、电机控制PWM、4个通用定时器、6输出通用PWM、带独立电池供电的超低功耗实时时钟以及最多165个通用I/O引脚。
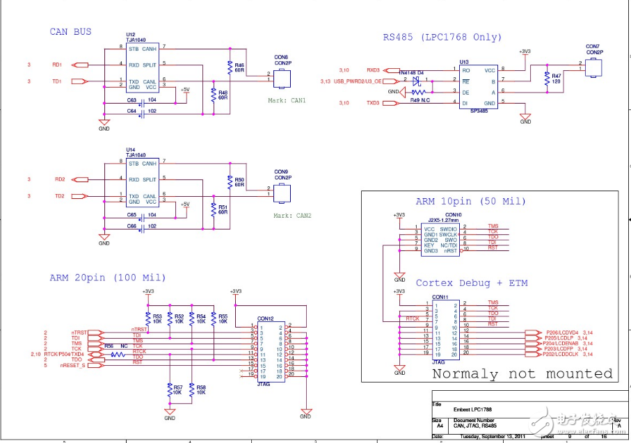
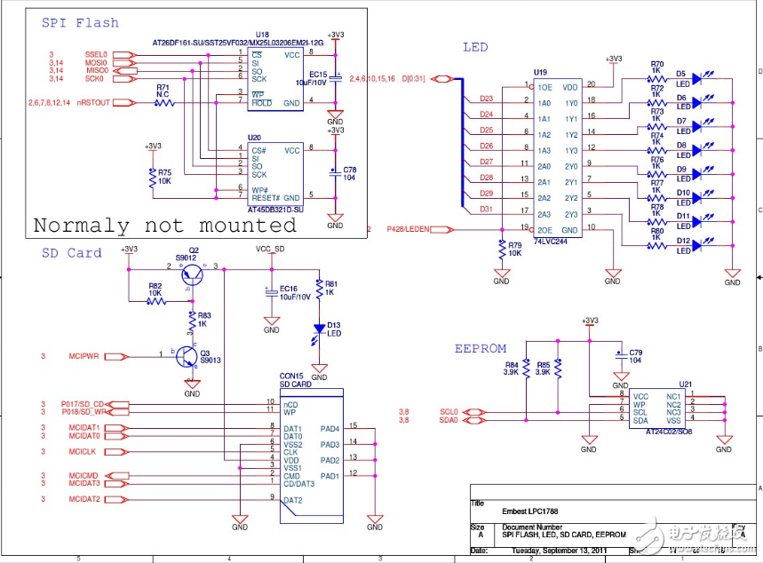
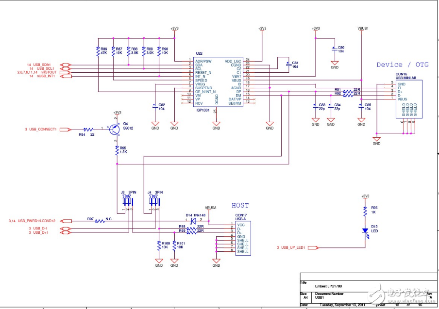
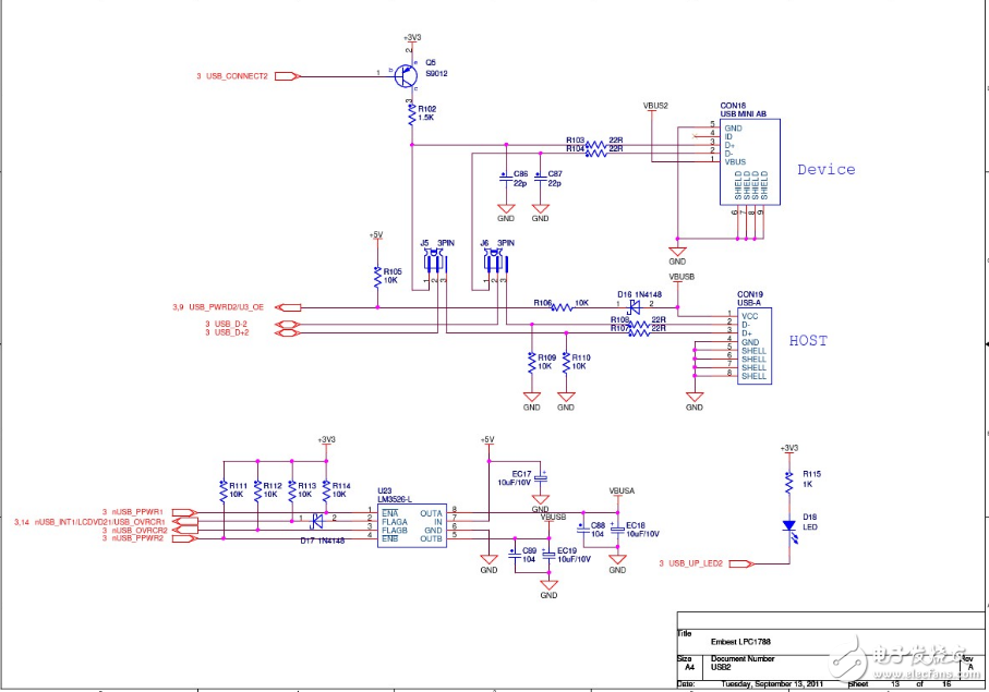
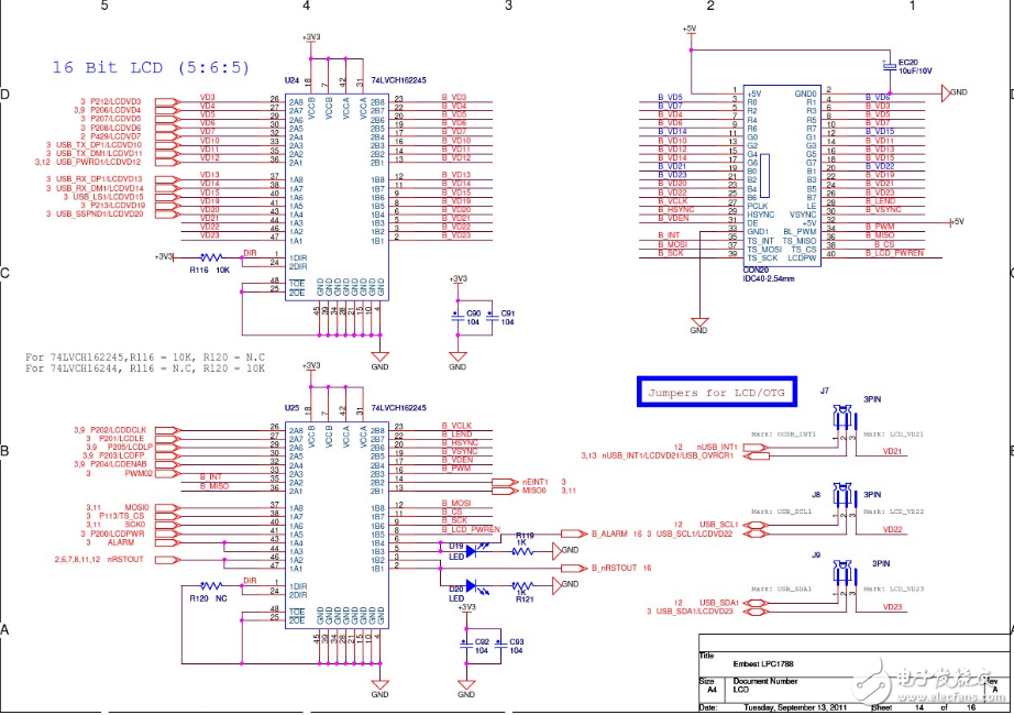
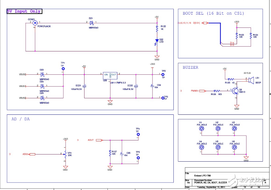
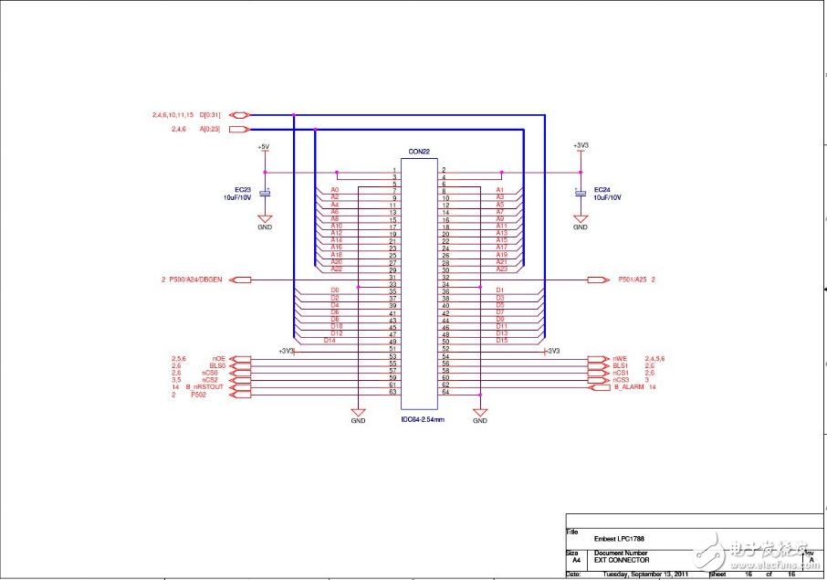
LPC1788开发板原理图大电路系统图例:
















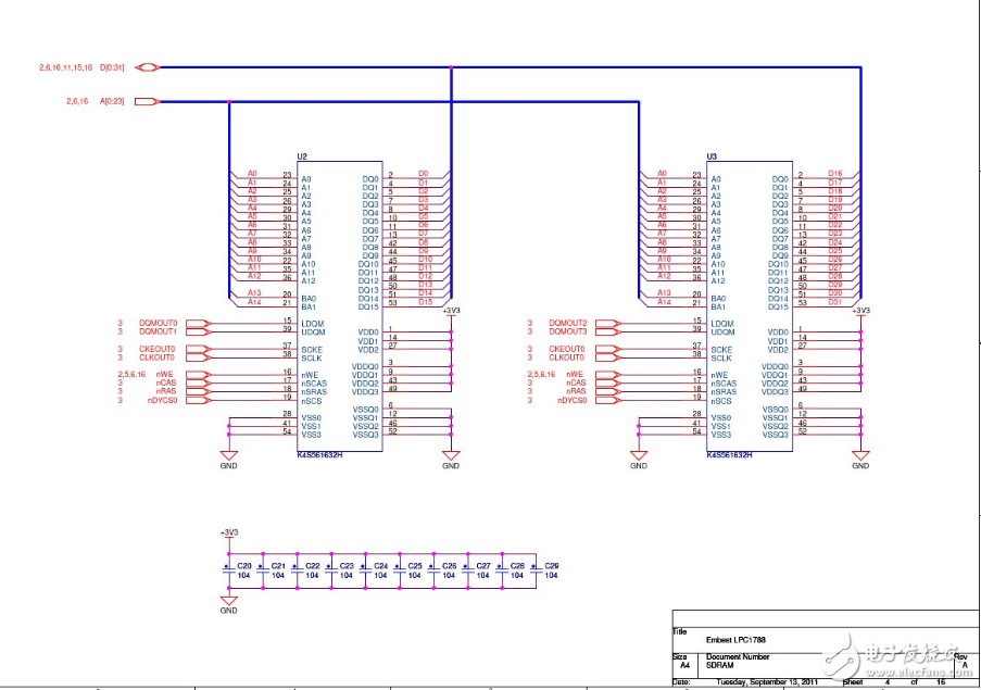
MYD-LPC1788开发板是由米尔科技推出的一款基于NXP(恩智浦)LPC1788 Cortex-M3内核的全功能开发板。该开发板具丰富的存储资源,包括片内512 KB FLASH、96KB SRAM和4KB EEPROM,以及片外32MB SDRAM、1MB SRAM、2MB NorFlash, 256B EEPROM, 4MB SPI Flash。

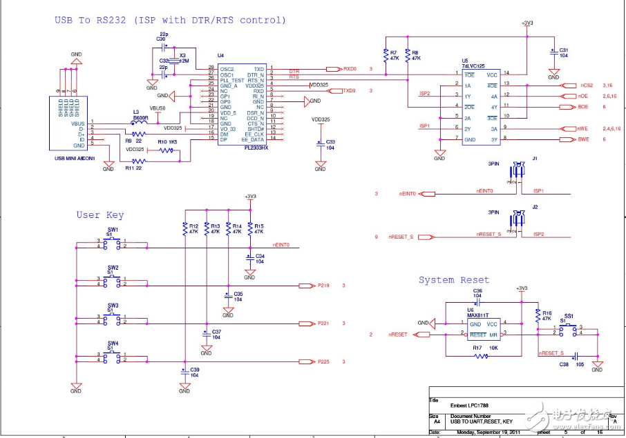
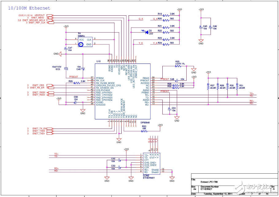
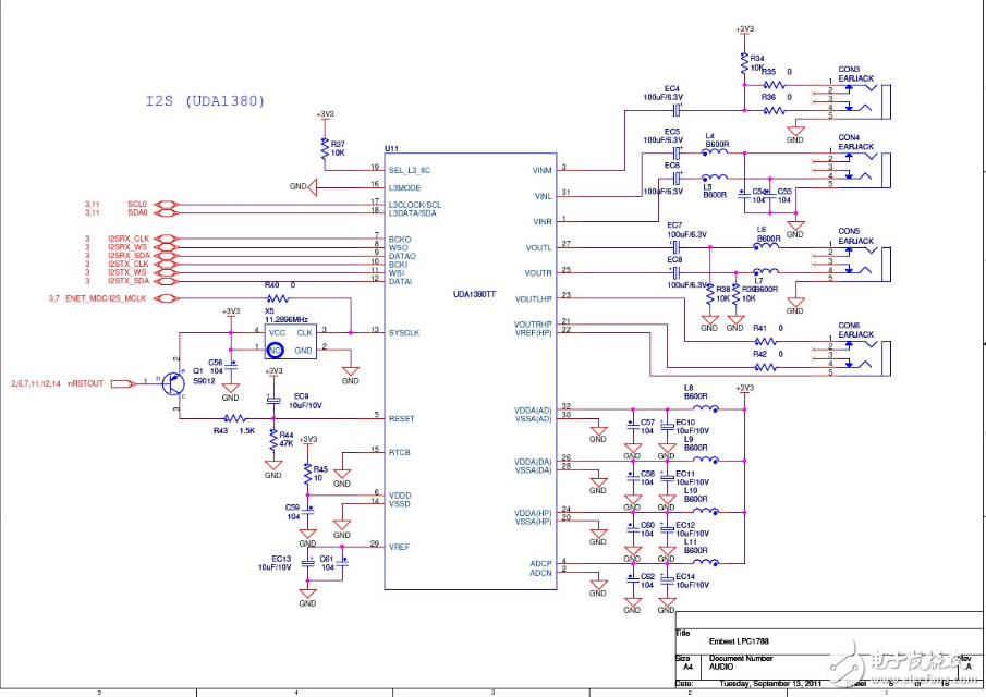
MYD-LPC1788开发板上扩展了SD Card、USB Host/Device/OTG、CAN、RS485、音频输入输出、以太网、LCD和JTAG等接口,丰富的外围资源和软件例程搭建了一个强大完善的开发平台,帮助客户在开发设计LPC1788上游刃有余。
应用领域
MYD-LPC1788系列开发板应用领域:便携式数据终端、汽车控制、工业控制、医疗设备、家庭自动化、自动化资讯娱乐设备、安防系统、教学仪器、测试与测量仪器等。
。 (本文来源网友上传,如有侵权,可联系管理员删除)
版权声明:网站转载的所有的文章、图片、音频视频文件等资料的版权归版权所有人所有。如果本网所选内容的文章作者及编辑认为其作品不宜公开自由传播,或不应无偿使用,请及时联络我们,采取适当措施,避免给双方造成不必要的经济损失。