• 周日. 10 月 12th, 2025

lm1117稳压电路图 – 调压电路图

4 月 2, 2019

  LM1117是一个低压差电压调节器系列。其压差在1.2V输出,负载电流为800mA时为1.2V。它与国家半导体的工业标准器件LM317有相同的管脚排列。LM1117有可调电压的版本,通过2个外部电阻可实现1.25~13.8V输出电压范围。另外还有5个固定电压输出(1.8V、2.5V、2.85V、3.3V和5V)的型号。

  概述LM1117提供电流限制和热保护。电路包含1个齐纳调节的带隙参考电压以确保输出电压的精度在±1%以内。LM1117系列具有LLP、TO-263、SOT-223、TO-220和TO-252 D-PAK封装。输出端需要一个至少10uF的钽电容来改善瞬态响应和稳定性。

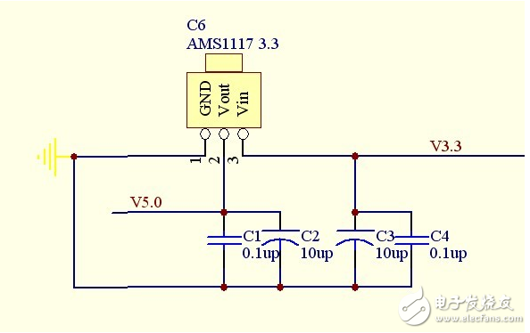
  lm1117稳压电路图

  采用SOT-223和LLP封装,输出电流可达800mA,负载调整率:0.4% (Max),线性调整率:0.2% (Max)。

  lm1117稳压电路图

  特点:

  ◆1.8V、2.5V、3.3V的固定电压输出和可调整电压输出

  ◆低压差,输入电压范围广

  ◆输出电压稳定性高

  ◆内置限流和热保护功能

  ◆输出电流 1A

  ◆典型线性调整率 0.3%

  ◆典型负载调整率 0.5%

  ◆温度范围 0℃-125℃

  ◆提供SOT-223和TO-252封装形式,符合RoHS标准

  应用范围:

  ◆开关DC/DC转换器的快速调整器

  ◆高效的线性调整器

  ◆电池电源设备

  ◆电池充电器

  ◆小型计算机系统终端接口

  ◆笔记本电源设备

  lm1117稳压电路图

。 (本文来源网友上传,如有侵权,可联系管理员删除)

版权声明:网站转载的所有的文章、图片、音频视频文件等资料的版权归版权所有人所有。如果本网所选内容的文章作者及编辑认为其作品不宜公开自由传播,或不应无偿使用,请及时联络我们,采取适当措施,避免给双方造成不必要的经济损失。