• 周二. 10 月 21st, 2025

基于CD4013实现的一按键双功能电路详解 – 信号处理电子电路图

4 月 27, 2019

  在电子技术中,N/2(N为奇数)分频电路有着重要的应用,对一个特定的输入频率,要经N/2分频后才能得到所需要的输出,这就要求电路具有N/2的非整数倍的分频功能。CD4013是双D触发器,在以CD4013为主组成的若干个二分频电路的基础上,加上异或门等反馈控制,即可很方便地组成N/2分频电路。

  通常,我们在应用中要求一个操作按键实现两种功能时,大多要借助单片机来完成,在没有单片机的情况下,就只好分别使用两个按键,或采用双刀切换等方式。

  这里介绍一种由触发器构成的电路,通过操作按键时间的长短利用—个按键实现开机/关机的双重功能,可用于许多小型游戏机电路中。电路见下图。

  基于CD4013实现的一按键双功能电路详解

  图中以白炽灯HL代替用电设备,当按下SB时,R1、C1与R3、C2组成两个积分电路,由CD4000系列的特性可知,当CLK(CD4013的3脚)、R(CD4013的4脚)端的电位上升到1/2∞时,CD4013输出端发生改变,而CLK端到达的时间为SB按下后的t1,R端到达的时间为SB按下后的t2,由上图有:

  t1=R1C1In2=1(s)

  t2=R3C2In2=2.29(s)

  即:当SB按下时间t为t1《t《t2时,CD4013在CLK与D端收到SB送来的信号后,使其2脚为低电平使VT导通;当SB按下时间t为t2《t时,VT关断。

  触摸开关电路图

  如下图所示为一触摸式电器开关电路,电路简单,容易制作。

  原理及制作:

  开始通电时,由于继电器不吸合,电器电源回路未接通而不工作。当用手指接触金属片A时,人体感应信号加至BG3基极,令其导通.R1获得压降,使BG2正偏导通,继而BG1导通,LED点亮,同时继电器J得电流动作.其常开触点吸合,接通电器电源回路,电器开始工作。此时,手指离开金属触片A,继电器常开触点Jk仍可靠地吸合。当需要关闭用电器时.用户只要触摸金属片B,使BG4导通,此时相当于BG1基极对地短路.因此BG1、BG2同时截止,继电器失去电流触点Jk释放,从而切断电器供电电源。所需元件按照电路图中的标注选择,继电器可根据用电器的功率选择触点电流合适的即可

  基于CD4013实现的一按键双功能电路详解

  零待机功耗触摸开关

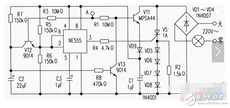
  最近笔者设计了二线制、零待机功耗的触摸开关。该开关在待机(灯灭)时,完全不消耗电能,有利于环保。且灵敏度高、工作可靠、成本低。可取代现有普通触摸开关。详细电路见附图。

  该开关的电路由控制电路、开态供电电路和电子开关等组成。开态供电电路和电子开关电路由VD1-VD9、VS和C1组成。其中VD5~VD8串联在VS的K极和地之间。因为PN结存在正向压降,当VS导通后,灯泡的电流将会在VS的G极和地之间产生3.5V左右(5个PN结)的电压,此电压经VD9对C1充电,这样C1便可为控制电路提供稳定持续工作电压。VD9是起隔离作用,防止C1上的电压直接经VS、R2形成回路,使VS无法关断。

  下面介绍一下电路的工作原理。220V交流电经VD1~VD4整流后变为直流电,供电路使用。从图中可以看出,电源没有为控制电路提供待机电压。在VS关断(关灯)状态,整个电路不消耗电能。当用手触摸金属片A时,人体的电流一路通过R1加到VT1基极.使VT1导通,220V直流电经VT1、VD9、C1形成回路,C1迅速被充电。A点电压随着C1上的电压上升而上升,当A点电压大于VS的G、K极导通电压时,VS经R2获得触发电压被触发导通,灯泡被点亮。VS导通后,灯泡的电流在VS的G极和地之间,产生3.5V左右的电压,此电压经VD9对C1充电,电压继续上升,IC(IC接成双稳态电路)得电工作。人体的电流另一路经R3加到VT2基极,使VT2导通,IC的②、⑥脚经C2获得低电平,使③脚输出正(即IC在刚通电时输出为正),此正电经R4加到VS的G极。这样VS便可继续获得触发电压,可继续导通,C1可继续为电路提供电压,电路自锁。这时可将手拿开。开关可自己维持导通。在开关导通后的几秒钟之内,C2将被充满电,VT3随之导通,将VT1的输入切断,为关灯作好准备。当再次触摸金属片时,VT1不通,VT2导通,C2上的高电平经VT2加到IC的②、⑥脚,使③脚的输出反转,由正变为负,VS失去触发电压自行关断,灯泡熄灭。由于C2的容量较大,VT3的导通会持续几秒钟,只要这段时间内将手拿开,即可顺利地切断开关。

  C3的作用是在开灯状态下,防止电路因受到电网中高压脉冲的干扰而使电灯熄灭。

  基于CD4013实现的一按键双功能电路详解

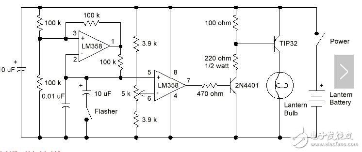
  LM358闪烁灯调光器

  基本上一个高效的调光器,但也可以用作闪光。在调光模式下,LM358(双运放)是连接到发送脉冲以恒定的频率。通过调整这些脉冲的宽度,控制灯泡的亮度。在闪光模式下,使用相同的电位计来控制频率——从1到20每秒闪烁。

  通过降低亮度功耗大幅下降,从而延长电池寿命。闪光模式更加有效。这个漂亮的小电路

  基于CD4013实现的一按键双功能电路详解

  台灯触摸开关电路与制作

  如果给你家里的台灯加装一个感应式触摸开关,在使用时不仅能给你带来乐趣,还能使你在使用时更加方便。

  台灯触摸开关电路及工作原理

  基于CD4013实现的一按键双功能电路详解

       该装置电路见图1。当人手碰一下金属触片A,人体上的杂波信号便通过C3加到时基电路的②脚,②脚被触发,整个触发器翻转,③脚输出高电平,输出经限流电阻R加到可控硅控制极,可控硅VS导通,ZD点亮。

  需要关灯时,用手碰一下金属片B,感应信号经C4加到时基电路的⑥脚,⑥脚被触发,③脚输出低电平,可控硅失去触发电流而截止,电灯熄灭。电路中的C3、C4是耦合电容,又能防止因个别元件的破坏而造成的麻电现象。电路中的C1、C1、VD、VDW组成6V直流供电电源。

  元器件选择与制作

  元器件清单见左表。

  基于CD4013实现的一按键双功能电路详解

  电路因体积较小,可以装在一个盒子内,电路不用调试,一般一次就能成功。

  本电路因体积较小,可以装在一个盒子内,电路不用调试,一般一次就能成功。

  线性的调光控制电路

  现在市场上出售的调光控制开关一般是非线性的,调节时会带来闪烁。本文介绍是线性的调节电路供电子制作参考。

  下图为一线性调光器控制电路。交流230V经D1~D4整流后,其正端经1安培熔丝接至100W灯泡,负端则直接接至可控硅阴极。直流电压经100W灯泡后,又经R1、R2加至12V齐纳管D5,给T1发射极提供稳定偏压。徐徐转动VR1,T1发射极电压也徐徐增加,使R4两端电压上升,可控硅的导通角增加,于是灯泡亮度增加,图中VR1的值,可使100W灯泡的亮度在15W至60W左右的范围内均匀改变。

  基于CD4013实现的一按键双功能电路详解

。 (本文来源网友上传,如有侵权,可联系管理员删除)

版权声明:网站转载的所有的文章、图片、音频视频文件等资料的版权归版权所有人所有。如果本网所选内容的文章作者及编辑认为其作品不宜公开自由传播,或不应无偿使用,请及时联络我们,采取适当措施,避免给双方造成不必要的经济损失。