1、设计方案
智能WiFI插座设计包括硬件和软件两部分。
硬件是电路的物质基础。它在软件的协调配合下运行,实现系统功能控制,完成控制任务。硬件包括:电源、变压器部分、控制部分、继电器部分等。控制系统的软件,指的是它的全部程序,包括系统软件和应用软件两大类。
2、阶段智能插座控制方式对比
智能插座就是一个互联网时代赋予智能化的开关控制器。根据不同的控制介质,可以分为以下几种控制方式:
1)红外遥控。红外技术出现年代久远,技术较为成熟。但其有方向局限性,而且家中过多的红外设备易被干扰,造成控制混乱。
2)蓝牙遥控。一般采用手机控制。它相较于红外技术有传输速度快、距离远、安全性高等优势,但是想要进行远程控制就难以实现了。而且蓝牙信号容易被家中2.4Ghz的WiFi信号所干扰,影响其实际遥控范围。
3)GSM技术。通过安装SIM卡的手机或其他通信工具向带有GSM通讯模块的插座发送指令来控制插座。优点是可以实现远程通信,但在通讯过程中会产生流量费用或短信费用,使用过程中会带来昂贵的开支。
4)WiFi技术。手机电脑等设备通过无线模块连接无线信号,向指定的IP地址发送指令即可控制插座。此方式既可以实现远程控制,又不会产生额外的费用。
综上所述,WiFi技术相对其他控制方式优势明显,而且具有成本较低、整合度高、安全性强、开发方便等优点。
2.1工作原理框图

图2.1 工作原理框图
3、硬件设计
在硬件设计过程中,较多的考虑了最终产品的体积以及性能,决定使用AR9331芯片的开发板用作主控部分,用GPIO控制继电器继而控制插座的开关。硬件设计如下:
3.1 主控部分
AR9331是高通Atheros开发的WiFi芯片,支持路由和中继功能,具有高性能低功耗的特点。它支持多用户同时连接,可以接收手机、平板通过WIFI发送过来的控制信号,实现手机、平板的无线遥控功能。
AR9331支持USB接口摄像头,可以实现图像和音频通过WIFI传输,实现手机、平板的远程监视功能。
该模块的体积小、功耗低,是做控制器、手机遥控器、视频监视器的最佳选择。
模块参数概述
表3.1 硬件规格

表3.2 无线参数

表3.3 软件功能

模块特性
表3.4 技术指标

产品特点 :
1.支持802.11b/g/n 无线标准
2.支持 ios 系统、android 系统、支持多用户操作(10个以上)
3.完全集成的串口转 Wi-Fi 功能,无需加载任何外部软件
4. 5V 单电源供电,低功耗,适于电池供电应用
5.支持 UART/GPIO 数据通讯接口
6.支持 STA/AP 工作模式
7.支持 Smart Link 智能联网功能
8.可选内置板载或外置天线
9.传输距离:(≤80m)
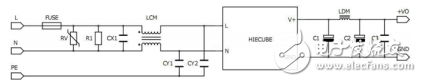
3.2 5V变压模块
5V变压模块用来给主控模块以及USB接口供电。为减小插座成品的体积,增强5V电流输出能力,因此选用一体封装的HA05N48 5V变压模块。
模块概述
输入电压:85~265V AC 50/60Hz
输出电压:5V DC 输出电流:4.8A
体积:25x39x22mm
效率:80%
隔离电压:3000V DC
工作温度:-20℃~+85℃
空载功率小于0.1W
达到欧洲之星标准
符合RoHS标准
模块特点
1.满足CE要求
2.超小型体积
3.全球通用电压输入(85~265VAC)
4.低纹波、低噪声
5.输出过载短路保护功能
6.效率高、功率密度大
7.产品设计满足EMC及安规测试要求
模块电路

图3.1 模块电路图
表3.4 元件参数及作用分析

3.3 继电器模块
继电器是一种控制器件,它是使用小电流来控制大电流的自动开关。按继电器的工作原理或结构特征分类可分为电磁继电器、固体继电器、温度继电器、舌簧继电器、时间继电器、高频继电器和极化继电器等。
本次选用欧姆龙电磁继电器,型号为G5LA-14的5V单刀双掷继电器。
电磁继电器工作原理
如图3.3所示,电磁式继电器由铁芯(iron core)、线圈(coil)、衔铁(Armature)、触点簧片(Contact)等部件组成的。当电磁继电器的线圈通电后,线圈中的铁心构成电磁铁,形成强大的电磁力。电磁力吸动衔铁,将触电簧片拨向常开触点。此时,电路导通。反之,线圈断电后,电磁力消失,触点簧片在弹簧的拉伸下回到常闭触点。此时,电路断开。

图3.3 电磁继电器内部结构
继电器模块电路
如图3.4,两路继电器分别由AR9331主控模块的GPIO7、GPIO14控制。当GPIO输出高电平时,经过三极管放大,LED发光,继电器开启,插孔通电;当GPIO输出低电平时,三极管截至,LED熄灭,继电器关闭,插孔断电。

图3.4 继电器模块电路图
AR9331模块电路

。 (本文来源网友上传,如有侵权,可联系管理员删除)
版权声明:网站转载的所有的文章、图片、音频视频文件等资料的版权归版权所有人所有。如果本网所选内容的文章作者及编辑认为其作品不宜公开自由传播,或不应无偿使用,请及时联络我们,采取适当措施,避免给双方造成不必要的经济损失。