一、CD4013结构组成
CD4013由两个相同的、相互独立的数据型触发器构成。每个触发器有独立的数据、置位、复位、时钟输入和Q及Q输出。此器件可用作移位寄存器,且通过将Q输出连接到数据输入,可用作计数器和触发器。在时钟上升沿触发时,加在D输入端的逻辑电平传送到Q输出端。置位和复位与时钟无关,而分别由置位或复位线上的高电平完成。
二、CD4013引脚图

1D、2D:数据输入端
1CP、2CP:时钟输入端
1Q、2Q:原码输出端
1 /Q、2 /Q:反码输出端
1SD、2SD:直接置位端
1RD、2RD:直接复位端
VDD:电源正
VSS:地
三、CD4013工作原理
设电路初始状态均在复位状态,Q1、Q2端均为低电平。当fi信号输入时,由于输入端异或门的作用(附表是异或门逻辑功能表),其输出还受到触发器IC2的Q2端的反馈控制(非门F2是增加的一级延迟门,A点波形与Q2相同)。在第1个fi时钟脉冲的上升沿作用下,触发器IC1、IC2均翻转。由于Q2端的反馈作用使得异或门输出一个很窄的正脉冲,宽度由两级D触发器和反相门的延时决定。当第1个fi脉冲下跳时,异或门输出又立即上跳,使IC1触发器再次翻转,而IC2触发器状态不变。这样在第1个输入时钟的半个周期内促使IC1触发器的时钟脉冲端CL1有一个完整周期的输入,但在以后的一个输入时钟的作用下,由于IC2触发器的Q2端为高电平,IC1触发器的时钟输入跟随fi信号(反相或同相)。本来IC1触发器输入两个完整的输入脉冲便可输出一个完整周期的脉冲,现在由于异或门及IC2触发器Q2端的反馈控制作用,在第1个fi脉冲的作用下得到一个周期的脉冲输出,所以实现了每输入一个半时钟脉冲,在IC1触发器的Q1端取得一个完整周期的输出。
四、cd4013电容量测量电路应用
1、用CD4013组成的模拟式电容测量仪

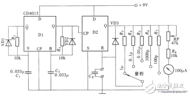
如图所示为模拟式电容测量仪电路。用一只双D触发器CD4013,用其中的一个触发器与被测电容器组成一个单稳态触发器,使其产生输出脉冲,该输出脉冲的脉宽及其电流平均值与被测电容的容量成正比。用其中另一个触发器组成一个多谐振荡器,用来产生触发脉冲。一块IC就可组成一个简易的电容测量仪。其测量范围为:l00pF~lμF。
2、模拟式电容测试仪
带防抖动开关的水位自MBR20H100CTF-E1动控制器电路。CD4013的数据输入端D和时钟脉冲输入端CP均接地置“0”,这样当S及R端均为低电平时,输出端Q与D端状态相同,即同为低电平;当S=l、R=O时,Q=l;当S=l、R=l时,Qi=o。因此,当水箱中的水位下降到KR1所处位置时,干簧继电器KR1在磁环磁力的作用下吸合,S端即得到一个置位脉冲,Q端由“0”跳变到“1”而输出高
带防抖动开关的水位自MBR20H100CTF-E1动控制器电路。CD4013的数据输入端D和时钟脉冲输入端CP均接地置“0”,这样当S及R端均为低电平时,输出端Q与D端状态相同,即同为低电平;当S=l、R=O时,Q=l;当S=l、R=l时,Qi=o。因此,当水箱中的水位下降到KR1所处位置时,干簧继电器KR1在磁环磁力的作用下吸合,S端即得到一个置位脉冲,Q端由“0”跳变到“1”而输出高电平,使VT1导通。LED1烹亮,继电器Kl吸合,其触点Kl-l闭合,水泵得电工作向水箱注水并保持这种状态不变。当水位上升到高水位KR2所处位置时,KR2导通,R端得到复位脉冲,强制Q端由“1”跳变为“0”,Q端变为低电平,VT1截止,Kl释放,Kl-l触点断开,水泵停止抽水。与此同时,IClb的Q端变为低电平,Q端变为高电平,故LED1熄灭,LED2点亮,以指示电路的工作状态。

模拟式电容测试仪。模拟式电容测试仪电路如图所示。D触发器1被接成无稳态工作方式,也称为多谐振荡工作方式,向电路提供脉冲信号。D触发器2接成单稳态电路,其暂态时间与R3~R7及被测电容CX呈线性关系。当R3~R7固定且电源电压不变时,在D触发器输出的与Cx成正比的脉冲电压,由直流电流表测得其平均值,通过表头的刻度指示出Cx的容量大小。
。 (本文来源网友上传,如有侵权,可联系管理员删除)
版权声明:网站转载的所有的文章、图片、音频视频文件等资料的版权归版权所有人所有。如果本网所选内容的文章作者及编辑认为其作品不宜公开自由传播,或不应无偿使用,请及时联络我们,采取适当措施,避免给双方造成不必要的经济损失。