一、多媒体电脑音频线路输出双路转换器

图是采用CD4013构成音频线路输出双路转换器。电路中,FF1接成单稳态电路,FF2接成双稳态电路。三极管VT1等元件构成触摸电路,当人手指触及金属片M时,人体感应的交流信号的第一个负半轴使VT1工作在放大状态,其集电极输出高电平信号,送入FF1并使之翻转。每触摸一次,FF1输出一个规则的高电平脉冲,起到整形及消除摸时产生抖动的作用。输出脉冲宽度由R3、C2的值决定,约为0.7R3C2,按图中数据,脉冲宽度约为3.5秒,即每隔3.5秒可接受一次触摸。C1可以滤除一些瞬时干扰信号。
电路接通电源时,由C3R4组成的清零复位电路输出一个高电平脉冲加到FF2的复位端R2,使FF2复位,输出端Q2输出低电平,VT2截止,继电器J不动作,从声卡输入的左右两路声音信号分别经继电器J的两常闭触点J1和J2送到CZ1。同时另一输出端2输出高电平,点亮发光二极管LED1起指示作用。若用手触摸一下M,FF1输出一高电平脉冲,送入FF2,使之翻转,Q2跳为高电平,VT2饱和导通,J得电动作,常开触点J1和J2闭合,输入信号经常开 触点转接到插座CZ2。同时LED2导通发光指示,而LED1由于Q2跳为低电平熄灭。若再触摸一下M,则电路又恢复为原来状态,信号又转接到CZ1。
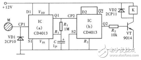
二、开关电路中CD4013的应用

电源开关电路采用双D触发器CD4013和阻容器构成。如图所示,ICa和R1、C组成单稳态触发器。(单稳态电路只有一个稳定状态,触发翻转后经过一段时间会回到原来的稳定状态。)ICb组成双稳态触发器( 双稳态电路有两个稳定状态,触发翻转后会一直保持,有记忆效用,一般作存储器或计数器)。
CP为脉冲输入端,R为复位断,S为置位端,Q为输出端。当M被按下时,CP1上升沿到来,由于D1一直为1,所以Q1为1,由低电平变为高电平,此时Q1通过R1向C1充电,当C1上电压到达触发器复位端电平时,Q1又由原来的高电平变为低电平,转换时间为0.7R1*C。由于Q1与CP2相连,在CP2处就产生了一个脉冲,又由于D与Q非相连,所以每产生一个脉冲,Q就翻转一次,达到开关的目的。
。 (本文来源网友上传,如有侵权,可联系管理员删除)
版权声明:网站转载的所有的文章、图片、音频视频文件等资料的版权归版权所有人所有。如果本网所选内容的文章作者及编辑认为其作品不宜公开自由传播,或不应无偿使用,请及时联络我们,采取适当措施,避免给双方造成不必要的经济损失。