CD4013是CMOS双D触发器,内部集成了两个性能相同,引脚独立(电源共用)的D触发器,采用14引脚双列直插塑料封装,是目前设计开发电子电路的一种常用器件,它的使用相当灵活方便且易掌握,受到许多电子爱好者的喜爱。

一、CD4013的基本工作方式
CD4013的管脚排列如图1所示,内部有两个完全相同的D触发器FF1和FF2。图中,D为数据输入端,CP为时钟脉冲输入端,Q和为Q一对互补的输出端,S为置位端,R为复位端,VDD和VCC分别为电源正负端。CD4013的功能如表1所示,由表可见,当R=S=0时,在CP上升沿作用下,Q端状态与D端相同,即Qn+1=D,也就是将D端数据置入触发器。当R=0、S=1时,Q=1;当R=1、S=0时,Q=0,称为直接置1和置0,无需CP和D的配合。一般情况下不允许同时在R、S两端加上高电平,因为此时触发器的两个输出端为高电平,是不正常的工作状态。

CD4013有四种基本方式,即数据锁存器,单稳态工作方式,无稳态工作方式和双稳态工作方式。
二、无稳态工作方式
图4为D触发器无稳态工作方式,也称为多谐振荡工作方式。其工作过程如下:假设D触发器的初态Q=1、Q=0,此时Q端通过R1向C1充电,当Vc1充至1/2Vcc时,D触发器复位,Q端由1变为0,而由Q由0变1,此时Q端通过R2向C2充电,当Vc2充至1/2Vcc时,D触发器被置位,Q=1Q=0,完成一个工作周期。之后将不断重复上述工作过程,形成多谐振荡。振荡周期T=0.693(R1C1+R2C2)=tw1+tw2,振荡频率f=1.433/(R1C1+R2C2),改变R1C1与R2C2即可调节振荡周期或频率,并可得到所需要的脉冲占空比。当R1=R2,C1=C2时,得到的是方波输出脉冲。
。 (本文来源网友上传,如有侵权,可联系管理员删除)
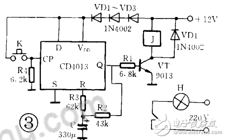
三、无稳态电路应用
应用1:



应用2:
设在电源接通后的瞬阀Q 端精出为高电平,该高电平通过RP2向C2充电,当C2端电压上升到复位电平时.Q 端为变为低电平,C2通过VD2
向Q端放电 当Q 端为低电平时,因Q/ 为Q 的倒相输出端,所以Q 为高电平,该高电平通过RP1向C1充电.当c1端电压上升到置位电平时,电路置数,Q 变为高电平,Q变为低电平,Q端的高电平向c2充电,Q端的低电平使c1向它放电,如此循环 在Q 和Q端交替出现高低电平,形成振荡。因电路的输出端Q和Q没有一个稳定的状态 所以该电路叫无稳态振荡器:Q端的振荡信号加到三极管的基极放大,推动扬声器发出响亮的音频叫声:振荡频率由RP1.RP2.C1,C2决定 因此也称为音频信号发生器

。 (本文来源网友上传,如有侵权,可联系管理员删除)
版权声明:网站转载的所有的文章、图片、音频视频文件等资料的版权归版权所有人所有。如果本网所选内容的文章作者及编辑认为其作品不宜公开自由传播,或不应无偿使用,请及时联络我们,采取适当措施,避免给双方造成不必要的经济损失。