什么是槽型光电开关
槽型光电开关其实对射式光电开关的一种,又被叫做U型光电开关,是一款红外线感应光电产品,由红外线发射管和红外线接收管组合而成,而槽宽则就决定了感应接收型号的强弱与接收信号的距离,以光为媒介,由发光体与受光体间的红外光进行接收与转换,检测物体的位置。槽型光电开关于接近开关同样是无接触式的,受检测体的制约少,且检测距离长,可进行长距离的检测(几十米)检测精度高能检测小物体。应用非常的广泛。

槽型光电开关主要特点
1.检测距离长
与接近开关等比较,光电开关的检测距离非常长,且是无接触式的,所以不会损伤检测物体,也不受检测物体的影响。几乎不受检测物体的制约由于是采用对检测对象的表面进行反射及光透过方式,不像接近开关只能对金属,还能对玻璃、塑料、木制物体、液体等各种物质进行检测。
2.响应速度快
与接近开关同样,由于无机械运动,所以能对高速运动的物体进行检测。镜头容易受有机尘土等的影响镜头免受污染后,光会散射或被遮光,所以在有活水蒸汽、尘土等较多的环境下使用的场合,需施加适当的保护装置。受环境强光的影响几乎不受一般照明光的影响,但像太阳光那样的强光直接照射受光体时,会造成误动作或损坏。
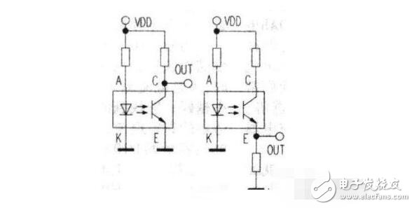
NPN槽型光电开关工作原理分析
在不同的应用电路中。可根据需要把其工作输出状态设计成高电平或低电平脉冲输出,见左图、右图。

需要说明的是,有些购买来的成品槽型光电开关的引出脚已焊接了四芯线和插头的。四根线的颜色分别是棕、黑、红、橙。这四根线并不像平常的红色线接电源,黑色线接地。经实际测试。分别是棕色A.黑色C,红色K,橙色E。
单片机与光电开关接法
三线光电开关三线一般为 电源+ 、 电源- 、信号输出端,根据信号输出端输出形式,根据不同形式再添加相应电路(如上拉电阻等),再连到单片机某个IO口即可。

这张图是直径18mm的光电开关,有常开和常闭的。我最近也在搞光电开关接单片机,用5V是可以的,但开关速度肯定是要受影响的。另外干扰也有点大,在布线时一定要拉开,但如果隔离的话感应速度会受影响,我是直接接的,但是在软件上要根据开关的性能想一些办法。
用光电开关来测距离可以说极不科学不合理,你用光电感应器放在手上试一下就知道,他在轴向方向上的感应不是线性的,是很不确定的。还是用别的感应器或参考一下现成的测距仪器比较好。

槽型光电开关接线方法
C是输出端,不过你一定要用E做输出端也是可以的。
光电开关那个二极管是发光二极管,输出则是光敏三极管,C就是集电极,E则是发射极。
一般三极管作开关使用时,通常都用集电极作输出端。
一般接法:二极管为输入端,E接地,C接负载,负载的另一端需要接正电源。这种接法适用范围比较广。
特殊接法:二极管为输入端,C接电源正,E接负载,负载的另一端需要接地。这种接法只适用于负载等效电阻很小的时候(几十欧姆以内),如果负载等效电阻比较大,可能会引起开关三极管工作点不正常,导致开关工作不可靠。
槽型光电开关如何外接线给单片机计数

K 接地 A接1K限流电阻到5V E接地 C接单片机IO口。检测c级电压变化就好、如果要灵敏度高一点的话、在加一块lm324来设置一个基准电压。
槽型光电开关使用方法
现在,各种光电开关在自动监测、自动控制、自动计数等生产领域得到了广泛的应用。在实际生产维修当中,笔者根据光电开关的工作原理,利用两只万用表,对槽型光电开关的好坏进行快速判别。现以电动绕线机上计数用的槽型光电开关为例(也有称为“凹型光电开关的),将测试方法介绍给大家。槽型光电开关实物图见图1,内部原理图见图2.
先把万用表拨在R&TImes;100挡,两表笔分别测C、E的正、反向电阻应为无穷大,否则已损坏或性能变差。再把黑表笔搭在C脚,红表笔搭在E脚,然后把另一只万用表拨在R&TImes;1挡,其黑表笔搭在A脚,红表笔搭在K脚,利用万用表内部电池电压使光电发射管工作,此时C、E脚的电阻值马上降为较小值。拿掉A、K脚表笔,C、E脚电阻值马上恢复为无穷大。

如把黑表笔搭在K脚,红表笔搭在A脚,则C、E无穷大电阻值不变,即可判断光电开关基本正常。把搭A、K脚的万用表拨到R&TImes;lO或R&TImes;100挡时,C、E脚的导通电阻值将逐步增大,这主要是随着万用表电阻挡位的增大,其电阻挡”输出“的工作电流也随着下降,使流过光电发射管的电流变小,发射红外线能力变弱,光电接收管的导通电阻也随着增大,可进一步证明光电开关正常。需要说明:如一只采用指针式万用表,另一只采用数字式万用表,测试时应把数字式万用表接C、E脚,指针式万用表接A、K脚。这是由于数字式万用表的二极管挡或电阻挡只能提供微小的电流,不足以使光电开关中的发射管正常工作。
在实际应用当中,光电开关的大小和形状因使用场合、用途的不同而干差万别。槽式光电开关通常是标准的凹字形结构,其光电发射管和接收管分别位于凹形槽的两边,并形成一光轴。当被检测物体经过凹形槽并阻断光轴时,光电开关就产生了检测到的开关信号。槽式光电开关安全可靠,适合检测高速变化的生产监测场所。光电开关内部结构主要有NPN型和PNP型两种。一般光电开关的工作电流约5~20n1A,工作电压应低于30V,输出驱动电流则根据型号的不同而有很大的差别,大的几百毫安,小的只有几毫安。
。 (本文来源网友上传,如有侵权,可联系管理员删除)
版权声明:网站转载的所有的文章、图片、音频视频文件等资料的版权归版权所有人所有。如果本网所选内容的文章作者及编辑认为其作品不宜公开自由传播,或不应无偿使用,请及时联络我们,采取适当措施,避免给双方造成不必要的经济损失。