光电开关传感器是利用光束如近红外线和红外线的来检测、判别物体。通过光电装置瞬间发射的微弱光束能被安全可靠的准确的发射和接收。光是一种电磁射波,传递速度约为300000千米/秒,在发射的一瞬间被其接收,使传感器快速响应。
光电开关的重要功能是能够处理光的强度变化:利用光学元件,在传播媒介中间使光束发生变化;利用光束来反射物体;使光束发射经过长距离后瞬间返回。光电开关是由发射器、接收器和检测电路三部分组成。发射器对准目标发射光束,发射的光束一般来源于发光二极管(LED)和激光二极管。光束不间断地发射,或者改变脉冲宽度。受脉冲调制的光束辐射强度在发射中经过多次选择,朝着目标不间接地运行。接收器有光电二极管或光电三极管组成。在接收器的前面,装有光学元件如透镜和光圈等。在其后面的是检测电路,它能滤出有效信号和应用该信号。
光电开关传感器三线直流接线图

光电开关传感器三线直流接线图
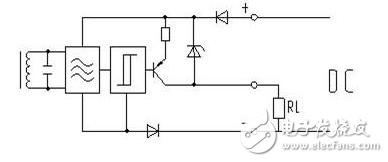
光电开关传感器电路原理图

接线电压:10—30V直流常开触点(NO)电压降≤1.8V防短路的输出完备的极性保护三线直流与四线直流传感器的串联当串联时,电压降相加,单个传感器的准备延迟时间相加。
其他光电开关传感器接线图

。 (本文来源网友上传,如有侵权,可联系管理员删除)
版权声明:网站转载的所有的文章、图片、音频视频文件等资料的版权归版权所有人所有。如果本网所选内容的文章作者及编辑认为其作品不宜公开自由传播,或不应无偿使用,请及时联络我们,采取适当措施,避免给双方造成不必要的经济损失。