二极管作为电子元件中具有两个电极的元件,它的电流流向只有单向。二极管钳位电路的钳位之意,就是钳制输入电压峰值在预定电平输出电压,此过程不会改变信号。而二极管稳压电路因使用稳压二极管,俗称稳压管或齐纳管。稳压管稳压二极管利用pn结反向击穿状态,能够在电压保持不变的情况下,允许电流在一定的大范围内变化。
对于钳位电路二极管跟稳压电路二极管很多人看了资料却依旧无法理解。其实,要理解稳压及钳位电路二极管,需要先弄懂二极管伏安特性曲线。

先看第一象限的正向特性:
我们发现,当正向电压从零开始上升,在0.4V之前,二极管的正向电流很小。但从0.7V开始,电流迅速增加。
再看第二象限的反向特性:
我们发现,我们发现,反向电压一直到达-40V时,反向电流也即反向漏电流近乎为零。
这说明,二极管的正向电压大于0.7V后,其等效电阻很小,这叫做二极管的正向特性;二极管的反向特性是反向电阻很大。
我们来看下图:

我们先来看图1:
图1中,二极管处于正向接法,它的管压降是0.7V。因此,电阻R上的电压为:
UR=6-0.7=5.3V
那么流过电阻R的电流呢?
IR=5.3/5.1=1.04mA
现在我们再来看图2:
我们看到,两只二极管的正极都接到12V,因此两只二极管都属于正向接法。于是,D1二极管的正极应当是6+0.7V=6.7V,D2二极管的正极应当是2+0.7=2.7V。那么电路的输出端电压Usr到底是多少呢?
假设Usc=6.7V,于是二极管D2将处于正向接法。又因为二极管D2的压降是0.7V,因此二极管D2的正极将会被强制性地拉到2.7V。如此一来,二极管D1将处于反偏状态,即D1的负极电压比正极电压高。
注意:D2导通后,D1的正极变成2.7V,同时D1的负极是6V,因此D1被反向偏置而截止。
也就是说,输出电压Usc被强制性地钳位在2.7V。哪个电压低,电路的输出电压就是低电压再加上0.7V。
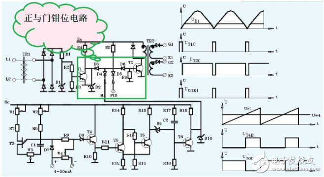
我们来看一个实例:

此图是一套用于控制晶闸管触发的电路。按图示我们能看到用正与门构成的钳位电路。三个输入端分别是测控端电压、PID控制和触发脉冲电路。
测控端电压电路正常输出是脉动直流,高电平的占空比较大;PID控制输出也是高的电平,而触发脉冲则输出正负交替的高电平脉冲。可见,在正常情况下,与门的输出由触发脉冲来决定,毕竟零电平也是脉冲的一部分。
可见,钳位电路的应用还是很广泛的。
再谈谈稳压二极管。
我们看上图的测控端电压电路:

设变压器的初级电压为380Vac,次级为24Vac,于是经过桥式整流后,其平均电压为0.9X24=21.6V,属于脉动直流。但实际计算时不能这样算,必须用最大值来计算。
我们知道稳压二极管工作在反向击穿区,见第一幅图的第三象限。它的曲线特点是:电流变化很大,但电压变化很小,这就是它的稳压原理。不过要注意:此时二极管处于反向接法,即稳压二极管工作在反向电压下。
设,上图中的稳压二极管稳定电压是12V,最大稳定电流是25毫安。我们先把电阻R2开路,来计算R1的值。

故R1取值为820欧,功率为0.51W,取标称值1W。
此时稳压二极管两端的波形是什么样的?就是波形图中下部的绿色部分。在这里,稳压二极管起到给半波直流波形削头的作用。
现在,我们把R2接入,于是流过稳压二极管的电流变小了。但只要流过稳压二极管的电流仍然在它的稳定电流范围之内,则稳压二极管的稳压作用就能维持。
设稳压二极管的最小稳定电流为5毫安,则流过R2和R3的电流为25-5=20毫安。故R2+R3的取值为:

实际上,我们看到R2+R3的和只要不低于600欧即可,故R2+R3的实际值会大于计算值。具体取值与我们的解答无关,此处忽略。
我们看到,晶体管T1的集电极也有一只稳压二极管D2,它的用途同样也是削幅,使得输出到后级的脉冲幅度最高值就等于稳压二极管的稳定电压。
。 (本文来源网友上传,如有侵权,可联系管理员删除)
版权声明:网站转载的所有的文章、图片、音频视频文件等资料的版权归版权所有人所有。如果本网所选内容的文章作者及编辑认为其作品不宜公开自由传播,或不应无偿使用,请及时联络我们,采取适当措施,避免给双方造成不必要的经济损失。